Batteriespannung unter wechselnder Last 

von Michael Moske 

Elektronik-Labor  Projekte  Mikrocontroller  PicoBasic 




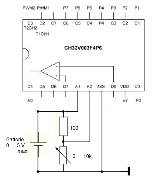
Batterien lassen mit der Zeitdauer des Betriebes in der Leistung nach. Dies äußert sich darin, dass die Spannung abnimmt. Trotzdem sind die meisten elektronischen Schaltungen tolerant gegenüber kleineren Spannungen. Interessant wird dieser Aspekt aber dann, wenn die Strombelastung zunimmt. Dann sinkt die Spannung direkt mit Zunahme der Stromstärke, sodass beachtet werden muss, ob die Spannung noch ausreicht um die Schaltung zu betreiben. Hierfür eignet sich die Messung der Strom-Spannungs-Charakteristik mit den 2 Messwerten AD1 und AD2. Das Poti sollte eine logarithmische Charakteristik wie bei einem Lautstärkeregler haben, damit auch kleine Widerstände gut einstellbar sind.

              Rem * CH32V003
              Rem * Batteriekennlinie
              Rem * messen
              L1:
0x3E00  A = AD2
0x3400  B = A
0x190A  Delay ms = 10
0x3D00  A = AD1
0x1A01  Delay s = 1
0x4200  Print A
0x0100  A = 0
0x4200  Print A
0x3500  A = B
0x4200  Print A
0x0100  A = 0
0x4200  Print A
0x4200  Print A
0x2000  Goto L1:

Das PicoBasic-Programm ermöglicht mit Hilfe der abgebildeten Schaltung beide Werte gleichzeitig zu erfassen. Im Nachgang erfordert die Interpretation der Daten noch einer Nachbearbeitung mit einem Tabellenprogramm (Umrechnung in Spannungswerte, Umrechnung der Spannungsdifferenz "AD1 - AD2" am 100 Ohm Widerstand für die Stromstärke mit Einheit mA). Die Umrechnung erfolgt bei der Auswertung.

U1 = AD1 * 5.0 / 255.0
U2 = AD2 * 5.0 / 255.0
(in der Einheit V)

I = (U1 – U2) * 10 mA
Faktor 10 wegen Teilung durch 100 Ohm und Umwandeln von 1A in 1000 mA.

Wie bei den Dioden-Kennlinien wurden die Messwerte aus dem Print-Fenster in PicoBasic kopiert. Da das PicoBasic-Programm die Messdaten nicht mit einem Komma oder Zeilenumbruch trennen kann, ist das Komma durch Ausgabe einer Null ersetzt und der Zeilenumbruch nach einem Wertepaar mit zwei Nullen. Diese Markierungen können nachfolgend entsprechend umformatiert werden.

Zwei der Beispielmessungen wurden mit einem Arduino-Programm ermittelt, die dritte mit dem PicoBasic-Programm. Achtung, eine 9V-Batterie ist gefährlich für den Mikrocontroller! In diesem Fall war sie allerdings so schwach, dass die Spannung schon deutlich unter 5 V lag. Nach einer kurzen Belastung sank die Spannung noch weiter und blieb auch bei einer reduzierten Belastung kleiner. Das ist nur bei stark gebrauchten Batterien oder bei extremen Strömen zu beobachten.

 



Elektronik-Labor  Projekte  Mikrocontroller  PicoBasic