Das Experimentiersystem Brick 'R' knowledge

Home   Labor   Röhren   HF   Logbuch   Bastelecke



Ein alter Traum, mal eben eine Schaltung zusammenstecken und ausprobieren! Das ganze dann noch übersichtlich, leicht überschaubar und kontaktsicher. Die Firma ALLNET hat sich dazu das Experimentiersystem Brick 'R' knowledge auf den Markt gebracht. Der Entwickler im Hintergrund ist Rolf-Dieter Klein, und er hat sich einiges einfallen lassen,  was die Steckverbindungen angeht.



Die verwendeten hermaphroditischen Stecker stammen aus der Lichttechnik und passen immer zusammen, egal wie herum man den Baustein dreht. Nur oben und unten darf nicht vertauscht werden. Eine doppelte Kontaktfeder umgreift jeweils eine einzelne Kontaktzunge. Das ergibt einen dauerhaft zuverlässigen Kontakt. Leute, die sehr viel mit diesen Bausteinen gearbeitet haben können berichten, dass die Kontakte praktisch nie ausleiern.



Die überstehenden Platinenstege verhindern, dass man einen Baustein schräg stellen kann, ein weiterer Schutz für die Stecker. Falls sich jemand über den Aufdruck wundert, DM7RDK ist das Amateurfunk-Rufzeichen von Rolf-Dieter Klein, der das System auch mit Blick auf die Nachwuchsförderung der Funkamateure entwickelt hat.



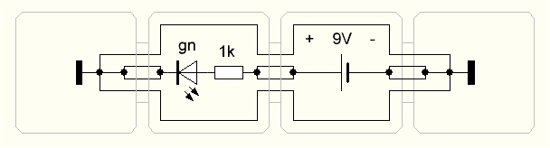
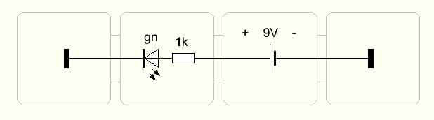
Also los, die erste Schaltung muss aufgebaut werden! Ein einfacher Stromkreis mit Batterie und LED reicht schon, um das System kennenzulernen. Eine Besonderheit sind die Masse-Bricks. Masse ist ja oft eine Verbindung zu einem Blech, einem Chassis oder zu einer durchgehenden Kupferfläche einer Platine. Auf den ersten Blick ist nicht erkennbar, dass alle Masse-Bricks miteinander verbunden sind, denn sie scheinen irgendwie in der Luft zu hängen.



Aber es funktioniert! Die LED leuchtet. Das Geheimnis der Masseführung liegt darin, dass die Masseleitung durch jeden Brick hindurchgeführt wird, und zwar gleich doppelt. Die Stecker haben nämlich vier Kontakte. Die beiden inneren bilden die Signalleitung. Die beiden äußeren sind die Masseverbindung. Der Masse-Brick selbst tut nichts anderes, als dass er die inneren und äußeren Kontakte verbindet.



So schließt sich der Stromkreis. Der tatsächliche Schaltplan sieht etwas kompliziert aus, aber der Aufbau selbst ist ganz einfach. Man muss nur wissen, dass alle Masse-Bricks miteinander verbunden sind. Und wenn man dann noch weiß, dass Masse immer an den äußeren Kontakten liegt, kann man auch schnell mal ein Messgerät dranhalten und zum Beispiel die Versorgungsspannung gegen Masse messen.



Die Masse-Bricks sind besonders auch bei komplexeren Schaltungen hilfreich. Man spart so eine Menge Verbindungsbricks. Und man hat überall die kürzeste mögliche Masseverbindung, genau wie bei der Verwendung einer echten Massefläche.

http://www.elektroniklernen.de
https://www.brickrknowledge.de/
http://www.rdklein.de/
http://www.allnet.de/de/

http://www.amazon.de/Mit-BrickRknowledge-von-R%F6hre-Mikrocontroller/dp/3981784405


Home   Labor   Röhren   HF   Logbuch   Bastelecke