Elektronik-Experimentiersystem
selbst gebaut Home Labor Bastelecke Elektronik-Experimente
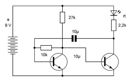
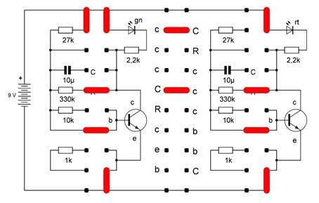
Eine Kippschaltung kennt zwei stabile Zustände, an oder aus, Null oder Eins, rot oder grün. Zwischen beiden Zuständen kann man hin- und herschalten. Eine solche Schaltung nennt man auch ein Flipflop. Es handelt sich dabei um einen Grundbaustein der digitalen Elektronik, denn solch eine Schaltung kann binäre Zustände darstellen oder speichern.
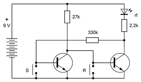
Das RS-Flipflop hat zwei Eingänge: Reset (R) und Set (S). Mit Reset schaltet man den Ausgangszustand aus, mit Set schaltet man ihn ein. Solange keines von beiden Signalen kommt, bleibt der letzte Zustand erhalten.
Diese Schaltung besitzt zwei Eingänge, mit denen man jeweils eine Basis gegen den Emitter kurzschließen und damit den Transistor sperren kann. Der jeweils stabile Zustand wird durch eine Rückkopplung über zwei Stufen erreicht. Dazu gibt es eine direkte Verbindung Kollektor-Emitter und einen Widerstand von 330 kΩ, der den Kollektor des zweiten Transistors mit der Basis des anderen Transistors verbindet. Deshalb leuchtet die rote LED oder sie bleibt aus. Und der aktuelle Zustand beleibt bestehen, bis er durch eine Kontaktbrücke geändert wird.

Abb. 10.1: Das RS-Flipflop

Abb. 10.2: An oder Aus
Wenn der linke Transistor leitet, ist seine Kollektorspannung klein, womit der rechte Transistor keine ausreichende Basisspannung erhält und gesperrt bleibt und die LED aus ist. Dadurch ist die Kollektorspannung des rechten Transistors groß, sodass der linke Transistor mit genügend Basisstrom versorgt wird um den Zustand zu halten.
Erst wenn der linke Transistor durch eine Kontaktbrücke S gesperrt wird, kippt der Zustand um. Nun erhält der rechte Transistor genügend Basisstrom, ist voll durchgeschaltet und hat nur noch eine kleine Kollektorspannung, sodass der linke Transistor auch nach dem Entfernen der Brücke gesperrt bleibt. Auch dieser Zustand bleibt stabil, bis er durch eine R-Brücke geändert wird.
Messung
Zum Verständnis der Schaltung hilft eine Messung der Basisspannung und Kollektorspannung an beiden Transistoren in beiden Zuständen:
Rot ist aus: Ube1 = 0,6 V, Uce1 = 0,04 V, Ube2 = 0,04 V, Uce2= 7,5 V
Rot ist an: Ube1 = 0,05 V, Uce1 = 0,7 V, Ube2 = 0,7 V, Uce2= 0,05 V
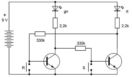
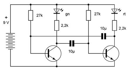
Oft wird bei einem Flipflop auch das invertierte Signal ausgegeben, das nach einem R-Impuls an ist und nach einem S-Impuls aus. So kann man ein Flipflop mit zwei LEDs bauen. Jeweils eine von beiden ist dauerhaft an, bis der Zustand durch den R- oder S-Jumper umgeschaltet wird.
Wenn gerade die grüne LED leuchtet, die ist Kollektorspannung des linken Transistors klein. Der rechte Transistor bekommt daher keinen Basisstrom und bleibt gesperrt. Deshalb liegt seine Kollektorspannung hoch, sodass der linke Transistor weiterhin leitend bleibt. Erst wenn einmal kurz der linke Jumper gesetzt wird, wird der linke Transistor abgeschaltet, sodass seine Kollektorspannung steigt und der rechte Transistor sich einschaltet. Nun leuchtet die rote LED, bis dieser Zustand durch den rechten Jumper geändert wird. Wenn man genau hinsieht, erkennt man, dass die jeweils ausgeschaltete LED noch sehr schwach leuchtet. Durch sie fließt nämlich der Basisstrom des gerade eingeschalteten Transistors.

Abb. 10.3: Rot/Grün-Flipflop

Abb. 10.4: Rot oder grün
Messung
Die Messung Basisspannung und Kollektorspannung an beiden Transistoren in beiden Zuständen zeigt diesmal vergleichbare Zustände auf beiden Seiten:
Grün ist an: Ube1 = 0,6 V, Uce1 = 0,05 V, Ube2 = 0,05 V, Uce2= 7,5 V
Rot ist an: Ube1 = 0,05 V, Uce1 = 7 V, Ube2 = 0,6 V, Uce2= 0,05 V
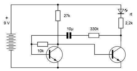
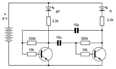
Bisher musste man den Zustand des Flipflops noch per Hand umschalten. Aber das geht auch automatisch. Diese Blinkschaltung ähnelt dem einfachen RS-Flipflop, mit dem wichtigen Unterschied, dass nun noch ein Kondensator in den Rückkopplungszweig eingefügt wurde. Ein stabiler Zustand bleibt immer nur solange erhalten, bis der Kondensator fast vollständig geladen oder entladen ist. Deshalb führt die Rückkopplung hier nicht zu einem stabilen Zustand, sondern zu einem immer wieder wechselnden Zustand, der jeweils für einige Zeit stabil bleibt. So erhält man einen langsamen Blinker. Eine Schaltung, die selbständig Schwingungen erzeugt, nennt man auch einen Oszillator.
Die Schaltung enthält zusätzlich eine Gegenkopplung durch einen Basis-Kollektor-Widerstand am linken Transistor. Sie ist nötig, damit der Transistor von einem extremen Zustand immer wieder von selbst auf einen mittleren Arbeitspunkt zustrebt, von dem aus er dann weiter in den anderen stabilen Zustand kippt.
Wenn man den Rückkopplungszweig mit 10 µF und 330 kΩ entfernt oder unterbricht, stellt sich wieder der mittlere Arbeitspunkt ein, den man an einer geringen Helligkeit der roten LED erkennt. Die Schaltung entspricht dann genau dem abgewandelten Stromspiegel aus Kap. 8.3. Allgemein gilt: Ein Oszillator besteht aus einem Verstärker mit einem mittleren Arbeitspunkt und einer Rückkopplung vom Ausgang auf den Eingang. Wenn der Verstärker bereits ganz gesperrt oder voll eingeschaltet ist, können keinen Schwingungen beginnen.

Abb. 10.5: Rückkopplung mit Kondensator

Abb. 10.6: Der LED-Blinker
Messung
Eine Messung des Arbeitspunkts ohne die Rückkopplung ist möglich, wenn man die
Verbindung b-C öffnet. Es sollten sich dann Verhältnisse einstellen wie bei dem
modifizierten Stromspiegel in Kap. 8.3. Interessant ist auch eine Messung der
Blinkfrequenz mithilfe einer Uhr (etwa 20 Impulse pro Minute oder 0,33 Hz).
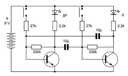
Mit einer kleinen Änderung wird die Blinkgeschwindigkeit erhöht. Bisher war der Kondensator in Reihe mit einem hochohmigen Widerstand angeschlossen, sodass sich eine große Zeitkonstante ergab. Jetzt ist er allein im Rückkopplungszweig und lädt und entlädt sich daher wesentlich schneller.

Abb. 10.7: Verringerte Zeitkonstante

Abb. 10.8: Schneller Blinker
Messung
Die neue Frequenz ist etwa 120 Impulse pro Minute bzw. 2 Hz.
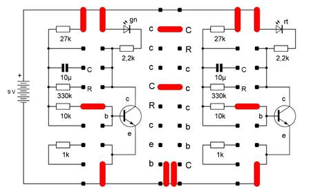
Nun sollen zwei LEDs abwechselnd blinken. Die Schaltung ist symmetrisch aufgebaut und besteht aus zwei Verstärkerstufen mit gegenseitiger Kondensatorkopplung. Immer wenn gerade die rote LED aus ist, steigt die Kollektorspannung des linken Transistors. Dann lädt sich der angeschlossene Kondensator auf und liefert einen Basisstrom für den rechten Transistor. Wenn er vollständig geladen ist, kippt die Schaltung um. Dann wird der andere Kondensator geladen und die grüne LED leuchtet.

Abb. 10.9: Ein symmetrischer Blinker

Abb. 10.10: Der Rot/Grün-Wechselblinker
Messung
Die Arbeitspunkte beider Transistoren ohne die Rückkopplung können gemessen
werden, denn man eine der beiden Kondensatorverbindungen C-c öffnet. Es zeigt
sich dann, dass beide Transistoren voll durchgesteuert sind und nur noch
CE-Restspannungen von etwa 30 mV haben. In diesem Zustand gibt es nur noch eine
sehr kleine Spannungsverstärkung, sodass es nicht selbstverständlich ist, dass
der von allein Blinker anschwingt. Beim Start des Oszillators kann es eine
Rolle spielen, dass der Kondensator noch einen anderen Ladezustand hat und
damit einen Start-Stromimpuls liefert.

Abb. 10.11: Verlauf der Kollektor- und Basisspannung
Das Oszillogramm zeigt den Verlauf der Kollektorspannung (Kanal 1, oben) und der Basisspannung (Kanal 2, unten). Wie erwartet beeinflusst der Ladestrom der Kondensatoren die Kollektorspannung. Die steigenden Flanken sind daher deutlich abgerundet. An der Basis findet man Spitzen bis -7 V.
Mit dem direkten Anschluss der Kondensatoren an die Basis entsteht zu Anfang der Ladephase ein großer Ladestrom, der eine LED nur verlangsamt ausschalten lässt. Fügt man zusätzliche Widerstände in die Basisleitung ein, wird dieser Effekt geringer. Die LEDs schalten dann abrupter ab.

Abb. 10.12: Der veränderte Wechselblinker
Allerdings kann nicht mehr sicher vorhergesagt werden, ob die Schaltung wie gewünscht anschwingt. Der Arbeitspunkt beider Transistoren liegt nahe an der Sättigung, sodass nur noch eine geringe Spannungsverstärkung besteht. Durch die zusätzlichen Widerstände wird die Verstärkung noch weiter reduziert. Im Extremfall kann das dazu führen, dass beide Transistoren eingeschaltet bleiben.
Im Normalfall wird der Blinker beim Einschalten der Betriebsspannung oder beim Aufbau der Schaltung von allein anschwingen, weil zufällige Bauteiletoleranzen für einen ungleichen Anstieg der Kollektorspannungen sorgen. Man kann den Oszillator jedoch stoppen, indem man einen der beiden Kollektoren gegen Minus kurzschließt. Auch wenn man die Kurzschlussbrücke wieder entfernt, bleiben beide Transistoren im eingeschalteten Zustand, sodass beide LEDs an sind. Weil beide Transistoren sich in der Sättigung befinden, reicht die Spannungsverstärkung nicht aus, um neue Schwingungen zu starten. Mit einem Kurschluss an der Basis kann jedoch eine Starthilfe gegeben werden, indem ein Ungleichgewicht in die Schaltung gebracht wird.

Abb. 10.13: Start und Stop

Abb. 10.14: Die veränderten Schwingungen
Das Oszillogramm zeigt einen rechteckförmigen Verlauf der Kollektorspannung und eine höhere Frequenz (8 Hz) als beim vorigen Aufbau (4 Hz). Der Grund ist, dass die Kondensatoren nicht mehr voll geladen und entladen werden. An der Basis (Kanal 2) findet man nur noch Spannungen bis -2 V.
Mit einer Gegenkopplung in Form eines Widerstands mit 330 kΩ zwischen Basis und Kollektor erreicht man einen mittleren Arbeitspunkt und damit optimale Bedingungen für ein eigenständiges Anschwingen des Blinkers. Bei einem mittleren Arbeitspunkt würde das unvermeidliche Eigenrauschen der Widerstände und Transistoren so weit verstärkt, dass ein zufälliges Ungleichgewicht zum Start der ersten Schwingung führt.
Das Blinken ist nun sehr langsam, weil die Kondensatoren im gesperrten Zustand eines Transistors nur über den Widerstand von 330 kΩ geladen werden. Der geringe Ladestrom fließt über die gerade abgeschaltete LED, sodass eine geringe Resthelligkeit erhalten bleibt.

Abb. 10.15: Gegengekoppelte Transistoren

Abb. 10.16: Langsamer Wechselblinker
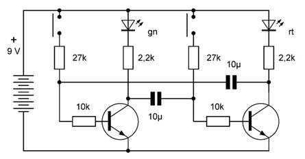
Wenn man an einem der beiden Transistoren einen zusätzlichen Basiswiderstand von 27 kΩ einschaltet, wird der Kondensator wesentlich schneller geladen. Die Aus-Phase der zugehörigen LED wird dann sehr kurz, und die andere LED blitzt nur kurz auf. Man kann nun wahlweise die rote oder die grüne LED kurz blitzen lassen.

Abb. 10.17: Zusätzliche Basiswiderstände

Abb. 10.18: Rote Lichtblitze
Die letzte Blinkschaltung arbeitet mit abschaltbaren Basiswiderständen. Um den Blinker zu starten, muss man beide Jumper an den 27-kΩ-Widerständen aufstecken. Die Schaltung entspricht dann dem schnellen Wechselblinker in Kap. 10.5. Wenn man beide Jumper entfernt, wird das Blinken immer schwächer und immer langsamer. Man kann sich vorstellen, dass jemand mit einem Zug abreist, und aus dem Fenster winkt, bis er langsam in der Ferne verschwindet.
Eigentlich dürfte diese Schaltung gar nicht funktionieren. Denn ohne die Ladewiderstände dürfte die Basisspannung nicht mehr so weit ansteigen, dass der Transistor wieder in den leitenden Zustand kippt. Und mit idealen Kondensatoren würde es auch nicht funktionieren. Aber die verwendeten keramischen Kondensatoren haben den schon beobachteten Nachlade-Effekt. Auch nach längerer Zeit streben sie immer noch etwas in Richtung des vorangegangenen Ladezustands. Das wirkt effektiv wie ein langsam abnehmender Isolations-Fehlerstrom, der den Blinker bis zu eine Minute nach dem Abschalten noch langsam weiter laufen lässt. Ähnliche Eigenschaften haben auch Elektrolytkondensatoren, mit denen die Schaltung auch funktionieren würde.
Statt der beiden Start-Jumper reicht auch eine Berührung der Kontakte um den Blinker wieder neu zu starten oder wieder etwas heller und schneller zu stellen. Der Hautwiderstand in der Größenordnung von 1 MΩ bildet dann die Basiswiderstände.

Abb. 10.19: Abschaltung der Basiswiderstände

Abb. 10.20: Ein langsam verblassender Blinker
Home Labor Bastelecke Elektronik-Experimente