
Home Labor Bastelecke Elektronik-Experimente
Drei Arten von Bauteilen wurden bisher schon verwendet, LEDs, Transistoren und Widerstände. Nun kommt als weiteres Bauteil der Kondensator hinzu. Das ist ein kleiner Speicher elektrischer Energie. Er besteht aus zwei Metallplatten oder Metallfolien, die sich eng gegenüberstehen ohne sich zu berühren. Auf diesen Platten sammelt sich elektrische Ladung, wenn man eine elektrische Spannung anlegt.
Jeder hat schon seine Erfahrungen mit elektrischer Ladung gemacht, wenn er sich einmal auf einem Teppich elektrisch aufgeladen hat. Der eigene Körper ist dann von einem elektrischen Feld umgeben. Und wenn man eine Türklinke berührt, gibt es eine schmerzhafte Entladung. In einem Kondensator ist es ganz ähnlich, aber das elektrische Feld ist auf den kleinen Raum zwischen den Platten konzentriert, deshalb kann auch bei einer geringen Spannung schon viel Ladung gespeichert werden. Der Kondensator auf der Platine hat eine Kapazität von 10 Mikrofarad (10 µF). Zum Vergleich: Schon bei einer Spannung von nur 9 V speichert dieser Kondensator mehr elektrische Energie als der eigene Körper, wenn er sich auf 1000 V aufgeladen hat. Und diese Energie sollte für einen kleinen Lichtblitz ausreichen.

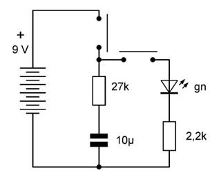
Abb. 4.1: Laden und Entladen
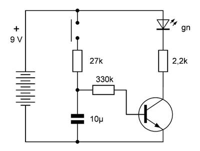
Also los, der Kondensator soll auf 9 V aufgeladen werden. Bei diesem Versuch liegt ein zusätzlicher Widerstand von 27 kΩ in Reihe zum Kondensator. Er bewirkt nur, dass das Aufladen und das Entladen etwas langsamer abläuft, es ist aber jeweils nach dem Bruchteil einer Sekunde abgeschlossen.

Abb. 4.2: Aufladen des Kondensators
Und nun wird die Lade-Brücke entfernt und in anderer Richtung wieder aufgesetzt. Die gespeicherte Ladung fließt über die LED. Und dabei entsteht ein Lichtblitz. Das ist ganz schnell vorbei, aber man kann den Kondensator ja beliebig oft neu aufladen und wieder entladen. Anders als ein Akku hat ein Kondensator eine praktische unbegrenzte Anzahl von Ladezyklen.

Abb. 4.3: Entladen über die LED
Zwischen Aufladen und Entladen darf einige Zeit liegen, denn der Kondensator entlädt sich kaum selbst. Das sollte einmal genauer untersucht werden. Wie lange darf man warten, um noch einen deutlichen Lichtblitz zu bekommen?
Messung
Mit dem Digitalmultimeter kann man die Spannung des gerade aufgeladenen
Kondensators messen. Sie beträgt am Anfang 9 V und sinkt dann ganz langsam ab.
Wie schnell sich der Kondensator entlädt, hängt vom Innenwiderstand des
verwendeten Messgeräts ab. Die meisten Digitalmultimeter haben in den
Spannungs-Messbereichen einen Innenwiderstand von 10 MΩ (10 Magaohm, also
10.000 Kiloohm). Mit einem solchen Gerät findet man die folgenden Messwerte. Der
Spannungsverlauf kann übersichtlich in einem Diagramm aufgetragen werden.
|
Messzeit in min |
Kondensatorspannung in V |
|
0 |
9 |
|
1 |
4,9 |
|
2 |
2,7 |
|
3 |
1,5 |
|
4 |
0,82 |
|
5 |
0,45 |
|
6 |
0,25 |
|
7 |
0,13 |
|
8 |
0,07 |
|
9 |
0,04 |
|
10 |
0,02 |
Die Spannung kann auch etwas langsamer oder etwas schneller absinken, weil die Kondensatoren eine gewisse Fertigungstoleranz aufweisen. Mit genau 10 µF und 10 MΩ erhält man eine Zeitkonstante von T = R * C = 10 µF * 10 MΩ = 100 s. In dieser Zeit hat sich der Kondensator auf 1 / e = 36,8% der Anfangsspannung aufgeladen. In diesem Fall sollte also die Anfangsspannung von 9 V nach 100 s auf 3,31 V abgesunken sein.

Abb. 4.4: Verlauf der Kondensatorspannung in 10 Minuten
Auch mit einem sehr geringen Ladestrom erreicht der Kondensator irgendwann die volle Ladespannung. Satt einer Streckbrücke kann man deshalb einfach seinen Finger verwenden. Seitlich gegen die Kontaktstifte gehalten hat der Finger einen Widerstand von etwa 100 kΩ bis 1 MΩ. Mit 1 MΩ und 10 µF ergibt sich eine Zeitkonstante von 10 s. Wenn man also zehn Seekunden lang die Kontakte berührt, sollte der Kondensator genügend geladen sein. Nun kann der Entladungs-Jumper aufgesteckt werden. Dabei sieht man ja ob der Kondensator schon voll genug war.

Abb. 4.5: Ein Finger als Ladewiderstand
Der Hautwiderstand hängt hauptsächlich von der Hautfeuchtigkeit ab. Wenn man schwitzt, kommt zur Feuchtigkeit auch noch eine gewisse Salzkonzentration. Dann ist der Widerstand besonders gering. Wenn man sich aber gerade mit warmem Wasser und Seife gründlich die Hände gewaschen und sie dann getrocknet hat, ist der Widerstand sehr hoch. Dieser Versuch zeigt den Unterschied, denn dann dauert die Aufladung sehr lange.
Der erfahrende Elektroniker benutzt den Fingertest häufig zur Überprüfung von Schaltungen. Mal eben einen Widerstand einfügen und schauen, was sich ändert, das geht einfach mit Anfassen. Umgekehrt beobachtet man manchmal zufällige Änderungen beim Berühren von Kontakten oder Bauteilen in einer Schaltung. Dann weiß man, dass es am Hautwiderstand lag. Und oft kann man der Sache noch auf den Grund gehen und entdeckt dabei interessante Schaltungsvarianten.
Messung
Kann die gesammelte Energie beliebig lange gespeichert bleiben? Wenn man nach
dem Aufladen eine längere Zeit wartet, kann die Spannung schon etwas abgesunken
sein. Eine interessante Frage ist: Welche Spannung findet man noch nach einer
Stunde? Sogar nach einem ganzen Tag kann der Kondensator noch die halbe
Ladespannung haben.
Macht es eigentlich einen Unterschied, ob der Kondensator lange oder nur ganz kurz aufgeladen wurde? Bei einem idealen Kondensator könnte man keinen Unterschied messen. Aber ein keramischer Kondensator verhält sich etwas anders. Wenn er nur kurz geladen wird, kann sich nach wenigen Minuten eine Spannung einstellen, die bis zu 10% geringer ist als die Ladespannung. Danach bleibt die Spannung lange Zeit konstant.
Umgekehrt funktioniert es auch. Man lädt den Kondensator auf und entlädt ihn dann für kurze Zeit. Eine Spannungsmessung zeigt 0 V. Aber nach ein paar Minuten hat sich der Kondensator ganz von allein wieder etwas aufgeladen. Dann misst man bis zu 0,2 V oder mehr. Dieser Effekt ist durch elektrische Dipole im Isolationsmaterial erklärbar, die sich nur langsam nach dem elektrischen Feld des Kondensators ausrichten können.
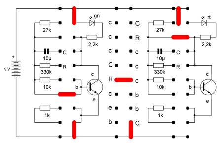
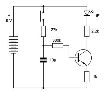
Bisher wurde der Entladungsstrom des Kondensators direkt über eine LED geleitet. Aber man kann die Wirkung noch verstärken, wenn man einen Transistor einsetzt. Der Ladestrom soll nun über die Basis des Transistors fließen. Dieser verstärkt den Strom und lässt eine LED im Kollektor-Stromkreis heller aufleuchten.
Bei dieser Schaltung sind noch einige weitere Widerstände beteiligt. Sie dienen dazu, den Kondensator im Ruhezustand wieder zu entladen. Nur dann ist es nämlich möglich, einen neuen Lichtblitz zu erzeugen. Immer wenn man den Jumper der grünen LED aufsteckt, sieht man einen deutlichen Lichtblitz an beiden LEDs. Wenn er aufgesteckt bleibt, geht die rote LED ganz aus, weil der Kondensator nach kurzer Zeit schon voll aufgeladen ist. Aber die grüne LED leuchtet schwach weiter, weil etwas Strom über den 330-kΩ-Widerstand fließt.
Der Widerstand mit 330 kΩ ist für die Entladung des Kondensators zuständig. Mit dem Kondensator von 10 µF ergibt sich eine Zeitkonstante von 3,3 s. Wenn man sehr viel kürzer wartet und den Kontakt nach einer halben Sekunde wieder schließt, gibt es keinen roten Lichtblitz, denn dann war der Kondensator noch fast vollständig geladen.

Abb. 4.6: Verstärkter Ladestrom

Abb. 4.7: Das Blitzlicht
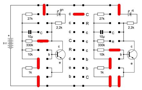
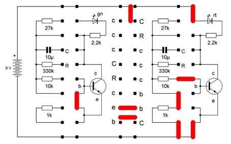
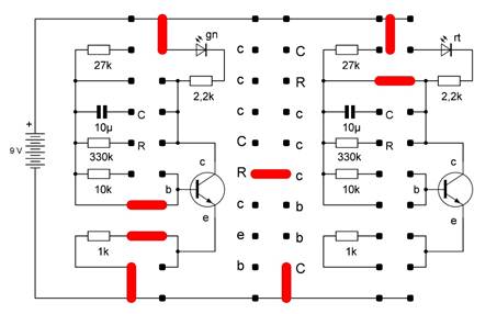
Diese Schaltung hat zwei Schalter, einen zum Aufladen und einen zum Entladen des Kondensators. Beide Schalter erzeugen Lichtblitze an der roten LED, aber nur abwechselnd. Der Kondensator „merkt“ sich den letzten Zustand, geladen oder entladen. Beim Aufladen gibt es einen Spannungsabfall am 1-kΩ-Widerstand, sodass über den 10-kΩ-Widerstand ein Basisstrom fließt. Beim Entladen legt man die positive Seite des Kondensators an die Basis, sodass ebenfalls ein Basisstrom fließt. So wird erreicht, dass beide Vorgänge einen Lichtblitz erzeugen.
Die Schaltung eignet sich als kleines Ratespiel. Der erste Spieler lädt oder entlädt den Kondensator und kennt deshalb den Ladezustand. Der zweite Spieler muss nun raten und den Jumper möglichst so aufsetzen, dass wieder ein Lichtblitz entsteht. Dann vertauschen sich die Rollen. Nach insgesamt zehn Runden steht fest, wer von beiden Spielern die Aktionen des Gegners besser voraussagen kann. Wer in deutlich mehr als der Hälfte aller Fälle richtig geraten hat, ist ein echter Gedankenleser.

Abb. 4.8: Laden und Entladen

Abb. 4.9: Lichtblitze bei Ladungsänderung
Messungen
Wenn jeder Spieler ein Messgerät benutzen darf, sollte jeder Versuch ein
Treffer werden. Voraussetzung ist allerdings, dass die Spannung am Kondensator nicht
durch eine übermäßig lange Messung stark verändert wird.
Ohne Messung kennt man die Ladung des Kondensators nicht. Menschen können keine kleinen Spannungen oder elektrische Felder sehen oder fühlen. Aber manche Tiere können das. Der Hammerhai fühlt kleinste elektrische Spannungen und entdeckt damit im Sand versteckte Fische.
Nach neuester Forschung können auch Bienen eine elektrische Ladung erkennen und wissen dann, ab eine Blüte gerade schon von einer anderen Biene besucht wurde. Wir Menschen können das übrigens auch, aber nur bei sehr hohen Spannungen. Wenn man eine Wolldecke entfaltet, kann sie sich auf einige tausend Volt aufladen. Wenn man dann mit dem Handrücken in die Nähe kommt, richten sich feinste Härchen auf der Haut auf, und das spüren wir. Genau so funktioniert das auch bei den Bienen, nur wesentlich empfindlicher.
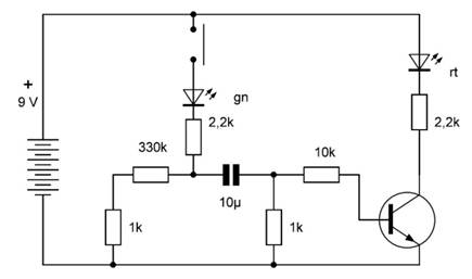
Eine Lampe soll sofort angehen, wenn man sie einschaltet, aber noch einige Zeit nachleuchten, wenn man sie ausschaltet. Solche Lampen gibt es im Auto, damit man noch in Ruhe abschließen kann. Aber auch für eine Nachttischlampe kann so eine Nachlaufsteuerung nützlich sein.
Die Schaltung verwendet einen Ladekondensator und einen Transistor mit einem hochohmigen Basiswiderstand von 330 kΩ. Dank der hohen Verstärkung des Transistors wird er bei geschlossenem Schalter noch voll eingeschaltet. Öffnet man den Schalter, fließt weiterhin Basisstrom, weil der Kondensator noch geladen ist. Nach einigen Sekunden sinkt die Kondensatorspannung allerdings merklich ab, sodass der Steuerstrom geringer wird und die LED schwächer leuchtet. Je kleiner allerdings der Basisstrom wird, desto geringer wird auch die Entladung. Die weitere Entladung wird also noch langsamer. Auch nach sehr langer Zeit ist immer noch ein schwaches Restleuchten der LED zu erkennen.

Abb. 4.10: Basisstrom aus dem Kondensator

Abb. 4.11: Eine Lampe mit Nachleuten
Messung
Wann beginnt die Abnahme des LED-Stroms? Das verrät eine Messung der
Kollektorspannung. Sobald sie nach etwas drei Sekunden beginnt anzusteigen,
verringert sich der Strom durch die LED. Man kann auch messen, wie groß zu
diesem Zeitpunkt die Kondensatorspannung ist. Erst wenn die Spannung am
Kondensator unter etwa 2 V sinkt, wird die LED dunkler.
Eine Spannung wird grundsätzlich wischen zwei Punkten einer Schaltung gemessen. Wenn von der „Spannung am Kollektor“ die Rede ist, ist das eigentlich nicht korrekt. Gemeint ist dann „die Spannung zwischen Kollektor und Masse“, wobei die Masse der gemeinsame Bezugspunkt der Schaltung gemeint ist, in diesem Fall der Minuspol der Betriebsspannung, den man an allen sechs Stiftkontakten in der unteren Reihe findet. Oft ist es sinnvoll, das Minuskabel eines Spannungsmessgeräts dauerhaft mit dem Minuspol der Schaltung zu verbinden. Für eine Messung muss dann nur noch der Pluspol an einen Messpunkt gehalten werden.
Die vorige Schaltung hatte eine Anfangsphase, bei der sich die LED-Helligkeit nicht änderte. Aber in dieser Zeit hat der Kondensator besonders viel Ladung verloren. Wenn die Leuchtzeit insgesamt länger sein soll, muss man den Entladestrom am Anfang verringern. Das geschieht hier durch einen Emitterwiderstand. Bei eingeschalteter LED hebt der Spannungsabfall die Emitterspannung an, und damit auch die Basisspannung. Am Basiswiderstand liegt eine kleinere Spannung, und damit verringert sich auch der Entladestrom. Die Zeit mit relativ hoher Helligkeit verdoppelt sich ungefähr auf etwa 6 Sekunden.
Durch diese Form der Emitter-Gegenkopplung bekommt die Schaltung einen höheren Eingangswiderstand. Man kann den Eingangswiderstand an der Basis mit Emitterwiderstand * Stromverstärkungsfaktor berechnen und kommt dann auf rund 500 kΩ. Dazu muss man den Basiswiderstand von 330 kΩ addieren. Der Entladewiderstand ist also wesentlich größer geworden, und deshalb wird die Entladung langsamer.

Abb. 4.12: Verwendung eines Emitterwiderstands

Abb. 4.13: Verlangsamte Entladung
Messungen
Eine Messung der Emitterspannung zeigt, dass auch diese Schaltung einen
Sättigungsstrom hat. In den ersten Sekunden ist die Emitterspannung etwa 2 V,
es fließt also ein Strom von 2 mA. In dieser Zeit ist der Transistor voll
durchgesteuert, und die Batteriespannung teilt sich auf die LED (ca. 2,6 V),
den Vorwiderstand von 2,2 kΩ und den Emitterwiderstand von 1 kΩ
auf. Dann beginnt der Strom zu sinken.
Die Schaltung eignet sich gut um die Eigenschaften eines Transistors in einem weiten Bereich unterschiedlicher Kollektorströme zu untersuchen. Wie ändert sich der Kollektorstrom in Abhängigkeit von der Basis-Emitter-Spannung? Am besten geht das, wenn man zwei Messgeräte gleichzeig verwendet. Eines misst die Spannung am Emitterwiderstand mit 1 kΩ. Eine Spannung von 1 V bedeutet dann einen Emitterstrom von 1 mA. Ein zweites Messgerät misst direkt die Basis-Emitterspannung. Die folgende Messung zeigt typische Ergebnisse, die aber von Fall zu Fall etwas abweichen können.
|
Basisspannung Ube in mV |
Kollektorstrom Ic in µA |
|
0 |
0 |
|
380 |
0,1 |
|
400 |
0,2 |
|
432 |
0,5 |
|
449 |
1 |
|
466 |
2 |
|
486 |
4 |
|
502 |
8 |
|
522 |
16 |
|
536 |
32 |
|
555 |
64 |
|
575 |
125 |
|
595 |
250 |
|
615 |
500 |
|
635 |
1000 |
|
655 |
2000 |
Wer die Messwerte genau betrachtet, erkennt vielleicht eine Gesetzmäßigkeit. Jede Erhöhung der Basisspannung um etwa 20 mV führt zu einer Verdoppelung des Kollektorstroms. Das bedeutet, dass der Strom exponentiell mit der Basisspannung ansteigt. Wenn man die Messwerte in einem Diagramm aufträgt, erkennt man den steilen Anstieg. Während die Basisspannung sich relativ wenig ändert, sieht man beim Kollektorstrom sehr große Unterschiede. Aus der Kurve wird auch deutlich, dass man in vielen Fällen mit der Näherung arbeiten kann, dass die Basis-Emitter-Spannung etwa 0,6 V beträgt.

Abb. 4.14: Der Kollektorstrom aufgetragen gegen die Basisspannung
Das Verhältnis der Kollektorstromänderung zur Basisspannungsänderung eines Transistors nennt man auch seine Steilheit. Die gemessene Kennlinie zeigt die Steilheit anschaulich als Steigung der Kurve. Man sieht deutlich, dass die Steilheit mit dem Kollektorstrom größer wird.
Die Messungen zeigen, dass man für einen Anstieg von 1 mA auf 2 mA die Basisspannung um 20 mV erhöhen muss. Daraus ergibt sich eine mittlere Steilheit von S = 1 mA / 0,02V = 50 mA/V. Tatsächlich ist die Steilheit aber bei 2 mA schon höher als bei 1 mA. Für sehr kleine Spannungsänderungen findet man einem Kollektorstrom von 1 mA eine Steilheit von 40 mA/V.
Eine Spannungsänderung von nur 1 mV würde den Kollektorstrom von 1 mA also um 40 µA verändern. Der Spannungsabfall an einem Widerstand von 2,2 V ändert sich dabei um 88 mV. Die Spannungsänderung am Kollektor wäre also 88-mal größer als die an der Basis. Man sagt, dass die Schaltung eine 88-fache Spannungsverstärkung hat. Je nach Arbeitspunkt kann die Spannungsverstärkung auch noch größer sein, sodass ein Transistor etwa eine 100-fache Spannungsverstärkung erreichen kann.
Bei einem ungünstigen Arbeitspunkt kann die Verstärkung allerdings wesentlich kleiner ausfallen und sogar kleiner als 1 werden. Ein solcher Fall tritt ein, wenn der Transistor bereits voll ausgesteuert ist und sich der Kollektorstrom in der Sättigung befindet. Dann führt nämlich eine Änderung der Basisspannung kaum noch zu einer Änderung der Kollektorspannung.
Home Labor Bastelecke Elektronik-Experimente