
Home Labor Bastelecke Elektronik-Experimente
Ein Transistor schaltet den Strom in weniger als einer Mikrosekunde ein oder aus. Wenn es langsamer gehen soll, braucht man einen Kondensator, denn seine Spannung ändert sich bei kleinem Ladestrom nur allmählich. Besonders lange Zeiten erreicht man mit Kondensatoren und Transistoren.
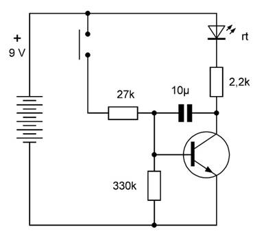
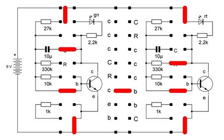
Die Lampe soll nach dem Ausschalten noch lange nachleuchten und dann ganz allmählich schwächer werden. Lange Zeiten erreicht man, wenn der Kondensator zwischen Basis und Kollektor eingebaut wird. Eine solche Schaltung nennt man einen Integrator, weil die die Ausgangsspannung sich mit dem Eingangsstrom und der Zeit ändert. Ein größerer Strom oder eine längere Zeit ergibt also eine größere Änderung der Ausgangsspannung. Beim Einschalten des Basisstroms ändert sich die LED-Helligkeit langsam und erreicht erst nach einigen Sekunden ihr Maximum.
Öffnet man den Schalter, sorgt nur noch der geringe Basisstrom für eine Änderung der Kondensatorspannung. Und die Änderung der Kollektorspannung wirkt der schnellen Entladung entgegen. Während nämlich die Basisspannung geringfügig sinkt, steigt die Kollektorspannung stark an. Die Änderung wird dadurch verlangsamt. Die Schaltung arbeitet so wie ein wesentlich größerer Kondensator zwischen Basis und Emitter.

Abb. 7.1: Der Integrator

Abb. 7.2: Verlangsamte Lichtsteuerung
Messung
Zeitlicher Verlauf des Kollektorstroms nach geöffnetem Kontakt:
|
Zeit in s |
LED-Strom in µA |
|
0 |
3000 |
|
5 |
1800 |
|
10 |
300 |
|
15 |
45 |
|
20 |
13 |
|
25 |
7 |
|
30 |
5 |

Abb. 7.3: Der Stromverlauf nach dem Anschalten
Zur Beurteilung der Messergebnisse eignet sich ein Diagramm. Die Stromstärke wurde im logarithmischen Maßstab aufgetragen, weil das besser dem Sinneseindruck des menschlichen Auges entspricht. Das Diagramm bestätigt den subjektiven Eindruck von der LED-Helligkeit. Sie ändert sich einige Sekunden lang kaum merklich, wird dann deutlich schwächer und geht am Ende sehr langsam gegen Null.
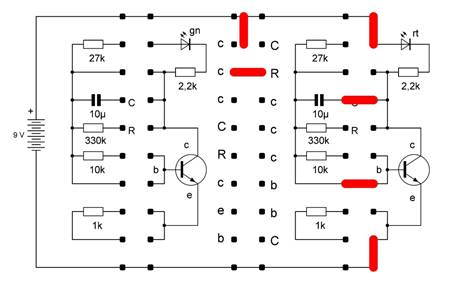
Bei den bisher gebauten Nachlaufsteuerungen war auch nach sehr langer Zeit immer noch eine Resthelligkeit vorhanden. Wenn man möchte, dass die Lampe irgendwann ganz ausgeht, muss ein zusätzlicher Enladewiderstand eingebaut werden. Er sorgt dafür, dass die Basisspannung schließlich deutlich unter 0,6 V absinkt, sodass der Transistor völlig sperrt. Zusammen mit dem Entladewiderstand von 330 kΩ erreicht man eine Nachleuchtdauer von etwa 5 s. Am Ende dauert es nur eine Sekunde, bis das Licht völlig ausgeht.

Abb. 7.4: Zusätzliche Entladung über 330 kΩ

Abb. 7.5: Abschaltung nach fünf Sekunden
Die Beleuchtung in einem Kinosaal wird nicht abrupt ein- und ausgeschaltet, sondern ganz langsam, damit die Augen der Besucher sich gut an die veränderten Lichtverhältnisse gewöhnen können. Damit es wirklich langsam geht wird diesmal ein Integrator mit einem besonders großen Eingangswiderstand von 660 kΩ verwendet. Mit der oberen Brücke wird das Licht langsam aufgeblendet. Vor dem Beginn des Films bleibt der Jumper gesteckt, und damit hat man eine gleichbleibende Helligkeit, bei der jeder seinen Platz finden kann.
Kurz bevor der Film beginnt, wird der Kontakt geöffnet. Nun wird es bereits ganz langsam dunkler, so langsam, dass man es kaum bemerkt und die Augen sich an die Dunkelheit gewöhnen können. Kurz bevor es dann richtig losgeht, steckt man den unteren Jumper auf. Dann beschleunigt sich die Verdunkelung, bis das Licht völlig ausgeht. Und wenn dann der Film zu Ende ist, wird das Licht langsam wieder aufgeblendet.

Abb. 7.6: Verlangsamte Steuerung

Abb. 7.7: Auf- und Abblenden
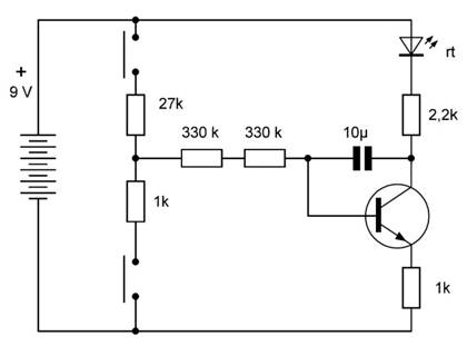
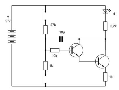
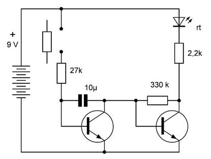
Wenn man den Integrator mit einer Darlington-Schaltung aufbaut, ändert sich die Helligkeit nur noch so langsam, dass sie als konstant empfunden wird. Durch Berühren der Kontakte kann man nun jede beliebige Helligkeit einstellen. Alternativ kann man auch Jumper verwenden, um die Lampe schnell an- oder auszuschalten. Und wenn man mal das Ausschalten vergisst, ist das auch nicht schlimm. Es dauert dann etwa eine Stunde, bis das Licht von allein ausgeht oder nur noch so schwach leuchtet, dass der Stromverbrauch keine Rolle mehr spielt.
Die Darlington-Schaltung bekommt einen zusätzlichen Emitterwiderstand, um die Änderungsgeschwindigkeit beim Abdunkeln zu erhöhen. Weil die Basis-Emitterspannung der Darlingtonschaltung nur etwa 1,2 V beträgt, fließt beim Berühren des unteren Kontakts nur ein sehr kleiner Strom, während beim Aufdimmen mit dem oberen Kontakt mehr Strom fließt. Mit dem Emitterwiderstand wird die Eingangsspannung angehoben, sodass sie etwas mehr in die Mitte gelangt. So gleichen sich die Geschwindigkeiten etwas an.

Abb. 7.8: Integrator in Darlington-Schaltung

Abb. 7.9: Auf- und Abdimmen
Messung

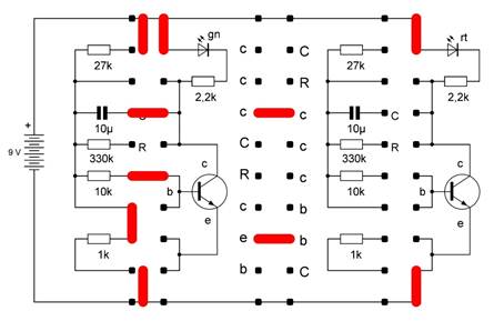
Abb. 7.10 Kennlinien der roten und der grünen LED
Das Diagramm in Abb. 7.10 zeigt die gemessenen Kennlinien für die rote und für die grüne LED. Man erkennt den exponentiellen Verlauf der Kennlinien und die wesentlich höhere Spannung der grünen LED. Das erklärt die Funktion des Farbumschalters in Kap 2.4 und wird auch im folgenden Abschnitt angewandt.
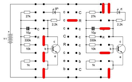
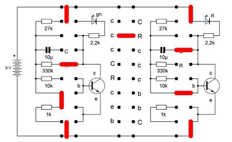
Diese Lampe erleichtert den Übergang vom Tag zur Nacht, weil sie nicht nur sehr langsam dunkler wird, sondern am Ende auch noch die Farbe verändert. Nach dem Start mit der oberen Steckbrücke leuchten beide LEDs mit voller Helligkeit. Nach dem Öffnen des Kontakts wird das Licht ganz langsam dunkler. Nach etwa einer Stunde geht zuerst die grüne LED ganz aus. Die rote LED leuchtet dann noch lange nach und wird dabei immer schwächer. Das rote Restlicht reicht aus, um die Lampe auch bei völliger Dunkelheit leicht zu finden. Dann reicht eine leichte Berührung mit dem Finger, um das Licht wieder etwas heller zu stellen. Umgekehrt kann man mit dem unteren Jumper das Licht ohne Verzögerung abschalten.

Abb. 7.11: Integrator mit zwei parallelen LEDs

Abb. 7.12: Zweifarbige Nachtlampe
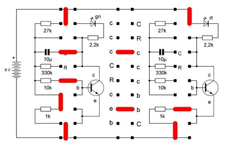
Alte Truhen hatten oft kunstvoll ausgeführte Geheimschlösser, die man kaum entdecken konnte. Aber so etwas geht auch elektronisch. Ein Berührungsschalter soll eine Aktion ausführen, die aber nur der Eingeweihte kennt, und die möglichst nicht zufällig entdeckt werden kann. Eine Möglichkeit dazu ist eine Zeitverzögerung. Wer die Funktion nicht kennt, probiert in schneller Folge alles aus und kommt zu keinem Ergebnis. Nur der Besitzer weiß genau, wo er wie lange anfassen muss, damit etwas passiert.
Die meisten der bisherigen Verzögerungsschalter konnten bei einer Berührung mit dem Finger eingeschaltet werden und gingen dann von allein wieder aus. Aber es geht auch anders herum. Die folgende LED-Schaltung ist im Ruhezustand an und geht bei Berührung aus. Sie entspricht damit dem Berührungsschalter in Kap. 5.4. Aber diesmal wurde noch ein Kondensator eingefügt, der zu einer starken Verlangsamung führt. Erst wenn man einige Sekunden lang den Kontakt berührt, geht die LED aus. Die Verzögerungszeit hängt stark von der Hautfeuchtigkeit ab. Man könnte die Aufgabe daher für andere erschweren, indem man fordert, dass die Platine nur mit frisch gewaschenen und sorgfältig getrockneten Händen berührt werden darf.
Die Verzögerung funktioniert auch anders herum. Man steckt zunächst den Jumper und schaltet damit die rote LED aus. Wenn man ihn dann abzieht, geht die LED erst nach etwa fünf Sekunden an.

Abb. 7.13: Verzögerte Abschaltung

Abb. 7.14: Verzögertes Aus- und Einschalten
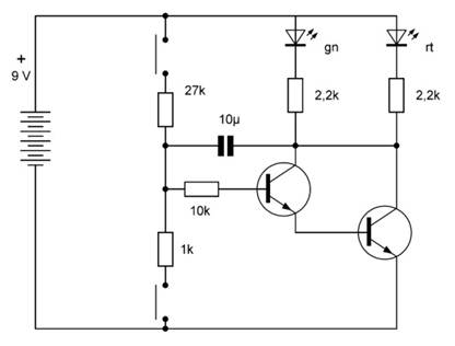
Die Schaltung hat noch den Nachteil, dass sie erst funktioniert, wenn der Finger des Benutzers eine ausreichende Leitfähigkeit hat. Da hilft ein noch größerer Widerstand, der aber nun zwischen Basis und Kollektor des zweiten Transistors angeschlossen wird. Nun braucht der linke Transistor weniger Basisstrom für die Abschaltung. Und noch eine Änderung ergibt sich aus dieser Variante. Auch im ausgeschalteten Zustand zeigt die LED nun eine geringe Resthelligkeit.

Abb. 7.15: Hochohmige Ansteuerung

Abb. 7.16: Der empfindliche Sensorschalter
Home Labor Bastelecke Elektronik-Experimente