
Home Labor Bastelecke Elektronik-Experimente
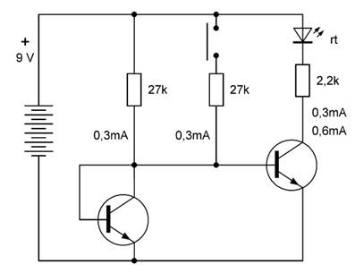
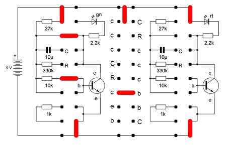
Ein Stromspiegel ist eine Schaltung aus zwei Transistoren, die so verbunden sind, dass sie gleiche Basisspannungen und daher auch gleiche Kollektorströme haben. Wenn man den Kollektorstrom des ersten Transistors durch einen Widerstand einstellt, fließt ein gleich großer Strom durch den weiten Transistor. Bildlich gesprochen wird der eingestellte Strom gespiegelt.
Bei der Stromspiegelschaltung verwendet man eine direkte Verbindung zwischen Basis und Kollektor am linken Transistor. Das funktioniert wie eine starke Gegenkopplung. Die Basisspannung stellt sich von selbst so ein, dass sie zu dem vorgegebenen Kollektorstrom führt. In diesem Fall sorgt der Widerstand von 27 kΩ dafür, dass ein Strom von etwa 0,3 mA fließt.
Der rechte Transistor bekommt dieselbe Basisspannung. Unter der Voraussetzung, dass er genau gleiche Daten hat, fließt dann auch durch ihn ein gleich großer Strom. Die LED wird also mit dem Strom von 0,3 mA betrieben. Man sieht eine geringe Helligkeit. Wenn man den zweiten 27-kΩ-Widerstand dazuschaltet, verdoppelt sich der LED-Strom auf 0,6 mA.

Abb. 8.1: Einfacher Stromspiegel

Abb. 8.2: Umschaltbare Helligkeit
Messen
Wie genau ist die Übereinstimmung der Ströme tatsächlich? Das kann von Fall zu
Fall etwas unterschiedlich ausfallen. Zur Messung der Ströme kann man an zwei
Widerständen die Spannungsabfälle messen und daraus die Ströme berechnen.
Linker Transistor 8,64 V an 27 kΩ, I1 = 0,33 mA
Rechter Transistor: 0,79 V an 2,2 k, I2= 0,36 mA
Der ideale Stromspiegel setzt zwei absolute gleiche Transistoren und gleiche Temperaturen voraus. Die Abweichungen zwischen den beiden Transistoren vom gleichen Typ BC547C sind üblicherweise gering. Aber Temperaturunterschiede können sich bemerkbar machen. Wenn man einen der Transistoren mit dem Finger berührt und damit leicht erwärmt, ändert sich der LED-Strom. Sehr deutlich wird der Effekt, wenn man einen der Transistoren mit einem heißen Lötkolben berührt. Eine Erwärmung des rechten Transistors erhöht die LED-Helligkeit, eine Erwärmung des linken Transistors verringert die Helligkeit. Die umgekehrte Wirkung erzielt man durch eine Abkühlung. Dazu kann man einen Transistor mit einem Löffel berühren, auf dem ein Eiswürfel liegt.
Bei konstantem Strom und steigender Temperatur verschiebt sich die BE-Spannung eines Transistors pro Grad um 2 mV nach unten. Wenn man also den linken Transistor um 10 Grad erwärmt, sinkt die Kollektorspannung um 20 mV. Der rechte Transistor bekommt dann eine kleinere Basisspannung und hat einen kleineren Kollektorstrom. Andere Messungen haben bereits gezeigt, dass der Kollektorstrom sich verdoppelt, wenn die Basisspannung sich um 20 mV erhöht. Man kann also davon ausgehen, dass eine Änderung um 10 Grad den Strom verdoppelt oder halbiert.
Messung
Ein Transistor eignet sich als linearer Temperatursensor, wenn man seine
BE-Spannung misst. Bei einer Umgebungstemperatur von 20 Grad wurde in der
Schaltung eine BE-Spannung von 600 mV gemessen. Bei einer Berührung mit dem
Finger sank die Spannung auf 584 mV. Die Änderung von -16 mV bedeutet eine
Temperaturerhöhung um 8 Grad. Der Transistor wurde also bis auf 28 Grad
erwärmt.
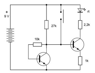
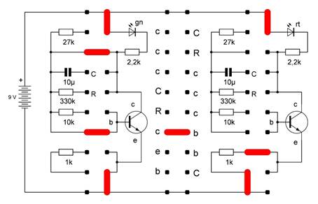
Mit einem Basiswiderstand kann das Gleichgewicht des Stromspiegels leicht verändert werden. Etwas mehr Strom erreicht man mit einem Widerstand von 10 kΩ zwischen Basis und Kollektor des linken Transistors. Der geringe Basisstrom verursacht einen kleinen Spannungsabfall, der die Kollektorspannung erhöht. Damit ist die Basisspannung des rechten Transistors geringfügig höher und der Kollektorstrom steigt an. Dieses Verfahren der Arbeitspunkt-Einstellung wird weiter unten in Kap 10.3 beim Aufbau einer Blinkschaltung angewandt.

Abb. 8.3: Ein zusätzlicher Basiswiderstand

Abb. 8.4: LED-Strom 0,4 mA
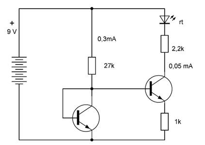
Wenn der Stromspiegel einen geringeren Strom liefern soll, kann man eine Emitter-Gegenkopplung des rechten Transistors einsetzen. Der Spannungsabfall am Emitterwiderstand, hebt die Emitterspannung an und verringert damit die Spannung zwischen Basis und Emitter. Damit verringert sich der Kollektorstrom des rechten Transistors. Bei einem Emitterwiderstand von 1 kΩ wurde ein LED-Strom von nur noch 50 µA gemessen.

Abb. 8.5: Emitter-Gegenkopplung

Abb. 8.6: LED-Strom 50 µA
Ein Transistor kann sich im Betrieb selbst erwärmen. Im Normalfall sind allerdings die Verlustleistungen so gering, dass man kaum etwas davon merkt. Ein Kurzschluss des Kollektorwiderstands führt jedoch zu einem großen Kollektorstrom und zu einer erheblichen Leistungsaufnahme. Dass der Transistor dennoch nicht in Gefahr gerät liegt an den beiden 47-Ω-Schutzwiderständen, die den maximalen Kollektorstrom auf 100 mA begrenzen. Die maximale Verlustleistung des Transistors wird erreicht, wenn er gerade halb ausgesteuert wird und noch eine Kollektorspannung von 4,5 V hat. Dann fließt ein Kollektorstrom von 50 mA und die Verlustleistung beträgt 225 mW. Erlaubt ist ein Strom von 200 mA und eine Verlustleistung von 500 mW.
Die tatsächliche Verlustleistung hängt auch vom Stromverstärkungsfaktor ab. Gemessen wurde eine Kollektor-Emitterspannung von nur noch 2 V. Damit sinkt die Betriebsspannung auf 2 V, sodass die LED nicht mehr arbeitet. Mit der gesetzten Kurzschlussbrücke geht die LED also aus. Der Transistor erwärmt sich, was man mit dem Finger spüren kann. Noch wärmer werden allerding die beiden Schutzwiderstände von 47 Ω in den Batterieleitungen.
Nach etwa drei Sekunden soll der Kurzschluss wieder entfernt werden. Die LED geht zwar unverzüglich wieder an, leuchtet aber am Anfang etwas schwächer. Erst nach einer oder zwei Sekunden wird wieder die alte Helligkeit erreicht. Der Grund dafür ist die durch den Kurzschluss verursachte Erwärmung des linken Transistors. Dadurch sinkt seine Kollektorspannung, und der rechte Transistor wird weniger ausgesteuert. Die Wärme wird aber schnell abgeführt, sodass der Stromspiegel nach kurzer Zeit wieder im Gleichgewicht ist.

Abb. 8.7: Erwärmung durch Kurzschluss

Abb. 8.8: Stromänderung bei Abkühlung
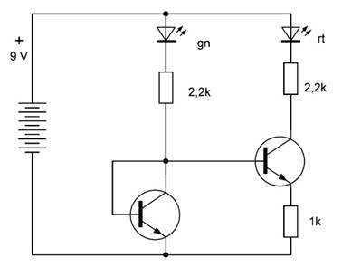
Mit einem abgewandelten Stromspiegel kann man einen Lampenstrom überwachen. In einem Motorrad soll das Rücklicht überwacht werden. Ein Kontrolllämpchen zeigt die Funktion. Wenn die Lampe im Rücklicht durchbrennt, geht die Kontrollleuchte aus.
In diesem Fall wird der Strom durch die grüne LED überwacht und mit der roten LED angezeigt. Weil die Kontroll-LED weniger hell sein soll als die überwachte LED, wird die Emitter-Gegenkopplung eingesetzt. Sobald man den Strom durch die grüne LED unterbricht, geht auch die rote LED aus.

Abb. 8.9: Reduzierter Strom durch die rote LED

Home Labor Bastelecke Elektronik-Experimente