Elektronik-Experimentiersystem
selbst gebaut 
Der Einstieg in die Elektronik gelingt mit relativ einfachen Transistorschaltungen. Zwei Transistoren, mehr ist nicht nötig, um die wichtigsten Grundschaltungen aufzubauen und die entscheidenden Grundlagen zu verstehen.
Es gibt viele unterschiedliche Experimentiersysteme, die geeignet sind, solche Schaltungen auszuprobieren. Man könnte alles auf Lochrasterplatinen löten oder auf Experimentierplatinen stecken. Jede Aufbautechnik hat ihre eigenen Vor- und Nachteile. Auf der Suche nach einer neuen Lösung bin ich davon ausgegangen, dass es nett wäre, wenn alle Bauteile bereits fest aufgelötet wären und nur noch verbunden werden müssten. Dann hätte man nämlich nicht mehr das Problem verloren gegangener Bauteile oder verknickter Anschlussdrähte.
Stecker, Buchsen, Kabel, da gibt es viele Möglichkeiten, wie die Verbindungen aussehen können. Nach einigen Vorversuchen hat sich gezeigt, dass es mit Kabeln sehr schnell unübersichtlich wird. Am kompaktesten waren Pfostenstecker, die man mit Steckbrücken (Jumpern) verbindet. Dann kann man allerdings nur benachbarte Pins verbinden. Die besondere Herausforderung bestand also darin, die Bauteile so anzuordnen, dass möglichst viele sinnvolle Schaltungen nur mit Jumper-verbindungen möglich werden.

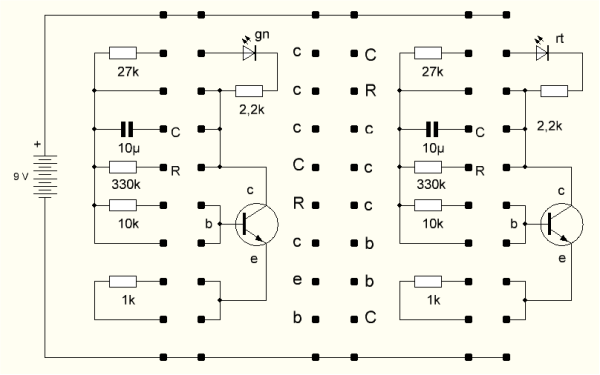
Am Ende der Überlegungen stand diese Schaltung mit zwei gleichen Funktionsblöcken jeweils rund um einen Transistor und eine Stiftleiste mit 2 x 10 Kontakten. In der Mitte gibt es eine weitere Stiftleiste, mit der man Verbindungen zwischen beiden Blöcken herstellen kann. Das folgende Bild zeigt Elemente von Grundschaltungen, die mit dieser Anordnung der Bauteile möglich sind.

Die inneren Verbindungen des Experimentiersystems mögen auf den ersten Blick kompliziert aussehen. Der Anwender sieht aber auf seiner Platine im Wesentlichen zwei gleiche Schaltungsblöcke und einige beschriftete Verbindungspunkte in der Mitte, von denen immer nur wenige in einer Schaltung verwendet werden.

Für das System wurde eine SMD-Platine entworfen, wobei die Pfostenstecker, die Transistoren und die LEDs als bedrahtete Bauteile eingebaut werden müssen. Die Platine ist so gestaltet, dass der Aufbau der möglichst übersichtlich ist und die wesentlichen Verbindungen sichtbar bleiben. Der Block aus passiven Bauteilen mit 27 kΩ, 10 µF, 330 kΩ und 10 kΩ kann je nach Anwendung an den Kollektor oder die Basis gelegt werden. Die Anschlüsse der Transistoren mit den kleinen Buchstaben e, b und c beschriftet. Außerdem findet man an der mittleren Leiste noch die Anschlüsse C zum jeweiligen 10-µF-Kondensator und R zum 330-kΩ-Widerstand. Alle unteren Kontakte bilden die GND- oder Minus-Leitung, alle oberen Kontakte liegen an +9V.
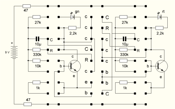
Zwei 47-Ω-Widerstände dienen der Strombegrenzung im Fehlerfall. Man könnte sie aber auch weglassen, denn ernste Fehler mit fatalen Folgen für einzelne Bauteile sind fast völlig ausgeschlossen, solange man nur die Jumper verwendet. Möglich ist allerdings auch der Einsatz einiger Buchse-Buchse-Kabel, mit denen man mehr Fehler machen könnte. Auf der SMD-Platine sind die Schutzwiderstände daher vorgesehen und stören keinen der geplanten Versuche.

Alle passiven Bauteile sind SMD 1206, also relativ groß. Das hat zwei Gründe. Erstens hat der keramische Vielschichtkondensator mit 10 µF nur in dieser Bauform eine Nennspannung von 16 V. Und zweitens kann man auf den Widerständen noch gut die Beschriftungen lesen.

Die Platine kommt im Franzis-Lernpaket fertig bestückt mit allen SMD-Bauteilen.
Der Anwender muss nur noch die Steckleisten und die Schraubklemme einlöten.
Auch LEDs und Transistoren sind bedrahtet, erstens, damit die Halbleiter besser
vorstellbar bleiben und zweitens, damit man sie zur Not selbst austauschen
kann.

Aufbau auf Lochrasterplatinen
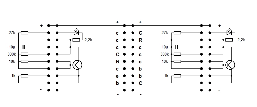
Wer nicht die SMD-Platine aus dem Lernpaket verwenden möchte, kann sich das System mit bedrahteten Bauelementen auf einer Lochrasterplatine aufbauen. So kann alles mit Bauteilen aus der Bastelkiste oder sehr preiswert auch für größere Arbeitsgruppen in der Schule aufgebaut werden. Das eigene Experimentiersystem kann die gleichen Maße wie die SMD-Platine bekommen (50 mm x 80 mm, eine Viertel-Europakarte) oder sogar etwas kleiner werden.

Kompakter Aufbau mit bedrahteten Bauteilen

Vorlage für die Beschriftung einer Lochrasterplatine


Verdrahtung auf der Lötseite

Home Labor Bastelecke Elektronik-Experimente