
Elektronik-Experimentiersystem
selbst gebaut
Home
Labor
Bastelecke
Elektronik-Experimente
Hier habe ich den von Paul Falstad simulierten Schmitt-Trigger
aufgebaut. Mir war aufgefallen, dass in der Simulation gewisse
Übergangszustände am Ausgangssignal zu sehen sind. Ich wollte nun
untersuchen, ob das in der Realität auch so ist. Am Eingang habe ich
den Sinusgenerator aus dem MSR-Labor angeschlossen. Das Ausgangssignal
konnte am besten mit einem digitalen Scope gezeigt werden.

Tatsächlich, das Ausgangssignal zeigt
vergleichbare Übergänge und insgesamt verlangsamte Flanken. Das
Ergebnis sieht ähnlich aus wie bei einem übersteuerten Verstärker ganz
ohne Rückkopplung. Ich habe dann etwas herumprobiert und in älteren
Schaltungen geblättert. Und da ist mir das Problem wieder klar
geworden.

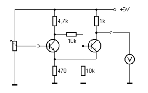
Der klassische Schmitt-Trigger hat noch
einen Spannungsteiler zwischen beiden Stufen. Und ganz wichtig ist,
dass der rechte Transistor einen kleineren Kollektorwiderstand hat als
der linke. Wenn er leitet, wird daher das gemeinsame Emitterpotential
stärker angehoben, was die eigentliche Rückkopplung erzeugt. Auf der
Jumper-Platine sind allerdings beide Widerstände gleich. Deshalb fehlt
eine wirkungsvolle Rückkopplung. Tatsächlich ist es also eher ein
übersteuerter Verstärker.

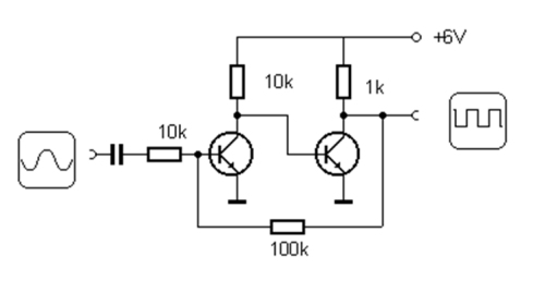
Aber
es gibt ja auch noch den vereinfachten Schmitt-Trigger, den man mit der
Jumper-Platine leicht aufbauen kann. Der Eingangswiderstand ist dann 27
k und der Rückkopplungswiderstand ist 330 k.
Mit
dieser Schaltung erhält man tatsächlich Rechtecksignale mit steilen
Flanken. Auch die Hysterese ist nun gut zu erkennen. Man sieht sogar
eine leichte Verzerrung des Eingangssignals am ersten Umschaltpunkt,
weil dar Sinusgenerator im MSR-Labor einen relativ großen
Innenwiderstand hat.
Das Digiscope mit seiner erheblich größeren Bandbreite bestätigt die steilen Flanken.

LTspice-Simulation von Jürgen Heisig

Bei der LTSice-Simulation waren die LED's überbrückt.
Hier das Ergebnis von LTSpice - einmal mit 27k-Basiswiderstand und
einmal ohne, also Basis direkt am Kollektor T1. Der Unterschied ist
gewaltig.

Mit Basiswiderstand

Ohne Basiswiderstand
Allerdings geht auch der Ausgangspegel hoch - weil natürlich der Strom
durch den Emitterwiderstand steigt. Ob man so einen Schmitt verwenden
kann, hängt ja immer von der Aufgabe ab. Bei einer Regelung will man
z.B. eine Hyterese, bei einem Sinus/Rechteckwandler eher nicht - da
lässt man den Emitterwiderstand einfach weg oder macht in zumindest
sehr klein, eine Diode geht auch. Auch wenn die Schaltung sich in der
Realität nicht als "optimal" herausstellt, für einfache Aufgaben reicht
das auf jeden Fall und jeder kann sie schnell aufbauen. Ich habe schon
einige Schmitt-Trigger in LTSpice untersucht - diese hier ist eine der
einfachsten (diskret aufgebaut) - und dabei recht gut.
Home Labor
Bastelecke
Elektronik-Experimente