Röhrenaudion mit EF89
von Stefan Moss

Vor
einem Jahr kam ich endlich dazu, mein erstes Röhrenradio zu bauen,
das mit zwei EF95. Es funktionierte auch auf Anhieb, erst fast
unhörbar leise, nach 1-2 Tagen Bastelei dann akzeptabel . Einige
Tage später gönnte ich dem Radio noch eine EL95 die ich nach
eigenem Ermessen anschloss, und siehe da, jetzt war es richtig laut,
jedenfalls abends.
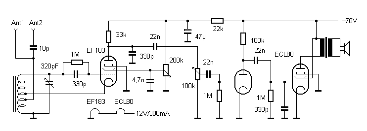
Kurze Zeit später baute ich das
Radio mit EF183 und ECL 80 nach und konnte kaum glauben wie gut und
laut das Gerät lief! Das Gerät war nicht schön
aufgebaut, noch chaotischer wie das auf der Bastelseite, mit sehr
langen Kabelwegen, aber es lief recht gut.
Jetzt vor einer
Woche habe ich das Radio nochmal gebaut mit dem Ziel die Signalwege zu
optimieren damit die Sender auch dauerhaft ohne nachzutrimmen
hörbar sind. Es läuft einwandfrei und ohne dass die Sender
weglaufen. Die Lautstärke ist dank dem EL 84 Übertrager aus
einem alten DDR-Undine 2 Radio enorm, ein 15-20 cm Lautsprecher wird
mühelos angetrieben. Ein Pollin Printtrafo liefert ca. 50 Volt,
nach Graetz-Gleichrichtung ca. 80 Volt, Spannung bei Betrieb ca. 75
Volt und noch getrennt 18 Volt für die Röhren, 6 Volt
verbrauche ich als Radiobeleuchtung mit einer alten 6 V, 0,3 A
Skalenlampe.Glättung mit CRC Bauweise, der erste C hat 47
µf, 250 V, dann 270 Ohm , dann 150 µf, 250 V, Brumm kaum
noch vorhanden!
Jetzt
aber zum Verbesserungsvorschlag : Ich habe schon beim ersten Radio
festgestellt, dass man die EF183 durch eine EF89 austauschen kann und
das Radio dadurch noch besser wird. Auch beim 2., besseren Radio
verwende ich die EF89, Änderungen sind nicht nötig! Die
Rückkopplung wird wesentlich weicher, die Lautstärke steigt
nochmal etwas an, die Verbesserung ist enorm!
Allerdings braucht die EF89 nur 200 mA Heizstrom, meine Radios
bzw. Röhren verkraften das aber klaglos, sie glüht halt etwas
heller.(nicht viel).Man könnte auch mit einem Widerstand Abhilfe
schaffen.
Nachtrag: Verwendung der UF89, von Stefan Moss
Ich
habe mittlerweile wieder weitergebastelt an ihrem EF183 - ECL 80 Radio
und eine letzte Verbesserung festgestellt: Die UF 89 ist die beste
Röhre für das Radio. Ich hab die Kenndaten auf der
Frankstubedata-Seite verglichen und festgestellt, dass die Uf 89 der EF
89 sehr ähnlich ist, allerdings hat die UF eine typische
Betriebsspannung von 100 Volt gegenüber der EF 89 mit 170 Volt!
Der
Erfolg nach Umbau von EF 89 auf die UF war überwältigend, das
Radio spielt leistungsmäßig mit ca. 100 V fast wie
eine Philetta, in meinem 30 qm Wohnzimmer ist die Lautstärke schon
nervend, voll aufgedreht . Betrieben an 3 Lautsprechern von 20 cm in
Reihe geschaltet, eingebaut in einem Karton als "Box". Allerdings
benötigt die Uf 12,6 Volt Heizspannung und 0,1 A, war bei mir aber
kein Problem mit schnellem Umbau...
Nachtrag: Audion mit der PCH200, von Stefan Moss
Die
PCH200 ist sehr bemerkenswert und ideal für kleine Radios da für kleine
Spannungen vorgesehen...(die wäre sicherlich hervorragend für DRM
Projekte geeignet, Triode maximal 100 Volt Ub im Fernseher, Heptode 14
Volt (!!!) im Fernseher....
http://www.mif.pg.gda.pl/homepages/frank/sheets/010/p/PCH200.pdf
Die
Endröhre ist eine PL82, (PL84 ist genau so gut, Pin-kompatibel) beide
Röhren bringen bei 30 Volt an Anode+G2 ca. 30 mA, das ist mehr als
benötigt für ein kleines Radio (ideal für fehlangepasste
Ausgangsübertrager oder Trafo, ich habe wahllos einen kleinen AÜ
genommen...).
Betriebsspannung: Trafo 22 Volt AC, Heizung der
Röhren in Serie (8,5 + 15 Volt), nach Gleichrichter gut 30 Volt, somit
ungefährlich zum Nachbau. Das schöne an dem Audion ist das Ihre
Schaltung vom Eco mit 70 Volt ,ECL 80 und EF183 ohne Änderung
übernommen werden kann, nur die Röhren sind halt andere. Leistungsmäßig
ist das Radio Ihrem 70 Volt Eco mit ECL 80 und EF183 ebenbürtig, sehr
laut, sehr klar, macht viel Spaß und hat einen Vorteil : Die
Rückkopplung ist deutlich besser! Da quietscht nichts, butterweich
einstellbar, selbst bis zum Anschlag aufgedreht quietscht oder schräpt
es nicht. Ich habe eine Mittelwellenspule aus einem Schrottröhrenradio
eingebaut, (mit Oktalsockel und Fassung von alten PL36), somit kann ich
lang, mittel und Kurzwelle durch wechseln der Spule umstecken.
Bandwechsel in 10 Sekunden.....Deutschlandfunk hören damit ist wirklich
ein Genuss...
zurück