The Teabox
Nach dem ich einiges über Ferritspulen gelesen hatte, habe ich ein wenig in den Schubladen gekramt. Heraus kam:
eine Germaniumdiode
ein Stück Ferritstab
etwas sehr dünne HF - Litze
ein Drehkondensator
zwei Telefon Buchsen
ein 100K Ohm Trimmer
ein Kristallhörer mit Klinkenbuchse
und eine Teebüchse aus Weißblech

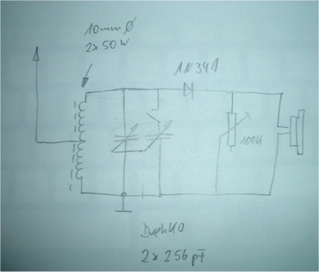
In
die Teebüchse habe ich Löcher für die Buchsen und den Drehkondensator
gebohrt. Der Ferritstab wurde mit 100 Windungen mit einem Mittelabgriff
bewickelt und alles wie folgt verschaltet.

Die
Antenne habe ich mit dem Mittelabgriff verbunden, den 100 K Ohm
Widerstand als Poti zum optimale Einstellen des Arbeitspunktes der
Diode.
Die Plattenpakete des Drehkos können mit dem Schalter parallel geschaltet werden.


Die Spule wurde auf den Drehko geklebt und direkt verkabelt.

Ergebnis: Ein kleiner Diodenempfänger mit guten Empfangseigenschaften und ohne eine Spur von Handempfindlichkeit.
Um 22:00 in der Nordheide mit einer 5 m Innenantenne und Erdanschluss:
NDR Info
Stimme Russlands
Ein polnischer Sender
Diverse sehr leise Sender.