Das Elektronik-Logbuch

Notizen und Tipps von Burkhard Kainka

23.11.2007 Neue ICs für Software-Radios

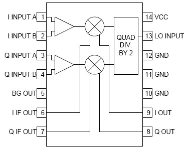
RFMD hat mit dem RF2713 einen kleinen IQ-Mischer, der zwischen 100 kHz und 200 MHz verwendet werden kann. Das IC arbeitet in beiden Richtungen, kann also für Sender und für Empfänger eingesetzt werden. Eine Besonderheit ist, dass der Oszillator nur die doppelte Empfangsfrequenz liefern muss. Vermutlich könnte man mit dem IC einen sehr kleinen SDR-Empfänger bauen.



Die Firma SILICON LABS  hat einen kompletten Empfänger für LW/MW/KW/UKW in ein 3-mm-Gehäuse gequetscht. Der Si473x enthält nicht nur die HF-Stufen, sondern zusätzlich AD- und DA-Wandler und einen kompletten DSP. Vermutlich wird man das IC demnächst in Handys oder MP3-Playern finden. Interessant ist, dass das SDR-Prinzip sich immer weiter durchsetzt.