Das Elektronik-Logbuch

Notizen und Tipps von Burkhard Kainka

16.10.2009 DSP-Radio SI4735 in Elektor und im Computer-Club zwei



Das gemeinsame Projekt ATM18 von Elektor und Computer-Club verwendet in Elektor 11/09 den SI7635 für ein UKW-Radio mit LCD-Anzeige. Gestern waren die Aufnahmen im TV-Studio von NRW-TV in Düsseldorf. Wolfgang Rudolph hat mich eingeladen und zum DSP-Chip befragt. Die Sendung kommt am Donnerstag 22.10.09 um 20.30 im  NRW-TV. Wer es dann nicht sehen kann, findet alles auch im Internet unter www.cczwei.de



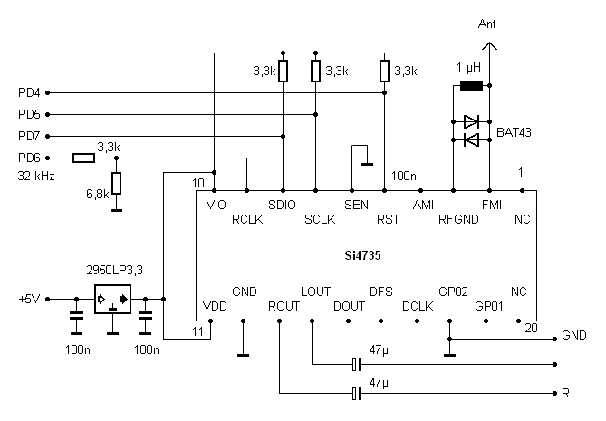
Nachtrag 14.11.09: Korrektor des Schaltbilds

In der Elektor hat sich ein Fehler ins Anschlussbild geschlichen. PD7 und PD6 sind vertauscht. Der 32-kHz Ausgang ist tatsächlich PD7, PD6 ist die I2C-Datenleitung SDA.Aus dem Listing geht die richtige Pinfolge hervor. Aber die Fehlersuche kann ganz schön gemein sein. Dank an Christof Eberspächer, er hat den Fehler gefunden, als er alles an das Arduino-Board anpassen wollte. Hier die richtige Schaltung:



(Korrektur 23.12.09: Pin 6 (SEN) an GND)