Basiskurs MikrocontrollerFAQ und Ergänzungen
Hardware-Bezugsquelle: Das Elektor-Flash-Board ist ebenso wie das ES52-Flash fertig aufgebaut bei der Firma AK-Modul-Bus erhältlich. www.ak-modul-bus.de
Berichtigung: Das Delphi-Projekt zu Flash.exe im Kapitel 2 konnte nicht kompiliert werden. Hier die berichtigte Version der Quelltexte: Flashdelphi.zip (ergänzt 28.2.05, 14 KB)
Hardware-Bezugsquelle: Das Flashboard-Starterkit kann jetzt online bei Elektor bestellt werden. Es besteht aus dem Buch, dem 89S8252-Board, Kabel, Netzteil und CD-ROM. www.elektor.de
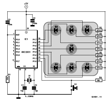
Berichtigung zum Kap. 15.2: Würfel mit dem 89C2051
In der Reset-Schaltung des Würfels (genau wie in Elektor 4/2002) hat sich leider ein Fehler eingeschlichen: Reset ist aktiv high, also muss C3 nach +5V und R1 nach Masse, wie es das berichtigte Bild zeigt. Dank an Günther Zöppel, der den Fehler entdeckt hat!

Ergänzug des Software-Archivs: Hier das fehlende Programm Flash2051.exe (update 28.2.05, flash2051.zip, 164 KB) für die Programmierung des AT89C2051 in Kap, 15.
Software-Update: Unter Windows XP gab es Probleme mit dem Timing in den Programmen MikroFlash und TasmEdit. Der Fehler lag im fehlenden Aufruf der Funktion TimeInit. Die berichtigten Programme funktionieren nun auch unter XP. Bei der Gelegenheit wurden Sie auch auf die Verträglichkeit mit einem USB/RS232-Adapter getestet. Ergebnis: Es funktioniert unter XP (nicht 98/ME!), wenn auch sehr langsam mit ca. 4 Bytes pro Sekunde.
Versionen für Elektor-Flash-Board:
MikroFlash.exe (mikroflash.zip,
28.2.05, 162 KB)
Tasmedit.exe (tasmedit.zip, 28.2.05,
162 KB)
Tasmedit2.zip (162 KB, 28.2.05, 162
KB, mit größerem Editorfenster)
Versionen für das ES52-Flash von AK MODUL-BUS:
Flash.exe (flashmb.zip, Version für
das ES52-Flash, 162 KB)
TasmeditMB.exe (tasmedeitmb.zip, Version
für das ES52-Flash, 162 KB)
Kurzversion eines Elektor-Artikels zum USB/RS232-Adapter
Atmel hat den AT89S8252 offiziell abgekündigt. Der Pin-kompatible Nachfolger ist der AT89S8253 mit nun 12 kB Flash. Dieser neue Controller kann im Flash-Board verwendet werden, wenn man die veränderte Oszillatorschaltung beachtet. Das Datenblatt gibt für die Kondensatoren am Quarz 5 pF +/- 5 pF an. Man kann die Kondensatoren also ganz entfernen. Die neueste Version des Programms ATMELISP.exe von Ulrich Bangert (DF6JB) unterstützt den Chip bereits.
Download: atmelisp.zip (letzte Version vom 21.5.05)
Die beiden Programme MicroFlash und Tasmedit wurden nun auch für den AT89S8253 angepasst. Wer mit beiden Controllern arbeiten möchte, braucht die Kondensatoren am Quarz nicht zu entfernen, in einem Test lief das Board mit beiden gleich gut.
Download: Flash53. zip (324 KB)
Siehe auch: Nachschlagewerk, Befehlsreferenz, Eigenschaften, Derivate: www.self8051.de