Kurzwellenaudion für AM und DRMHome Labor Röhren HF Logbuch Bastelecke
Ich hab´s wollen wissen: Bekommt man ein Röhren-Kurzwellenaudion so stabil, dass es sogar für DRM taugt? Und das ganze sollte mit 6 V auskommen, damit nur eine Spannung für Heizung an Anode nötig ist. Da bietet sich die EL95 an, zwar eigentlich keine HF-Röhre sondern eine Endpentode, aber mit ordentlicher Steilheit auch bei kleiner Anodenspannung. Außerdem braucht sie nur sparsame 200 mA für die Heizung. Alles kann mit einem kleinen Akku betrieben werden, so dass es keine Probleme mit 50-Hz-Brummen gibt.

Die Stabilität steht und fällt mit dem Schwingkreis. Also wurde eine kräftige Spule mit 20 Windungen aus 1,5 mm dickem Draht auf ein PVC-Rohr mit 18 mm Durchmesser gewickelt. Mit kurzen Verbindungen zum Luftdrehko erhält man eine hohe Leerlaufgüte weit über 300. Auch alle anderen Verbindungen sind sehr stabil ausgelegt. Nichts darf wackeln oder mechanisch schwingen. Sogar die Röhre wurde an ihrem Glasstutzen schwingungsdämpfend abgestützt.

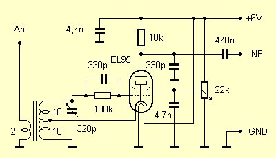
Die Schaltung zeigt ein ECO-Audion mit Rückkopplung über die Kathode. Über die Schirmgitterspannung stellt man die Rückkopplung ein. Am Ausgang liegt ein Anodenwiderstand, an dem die NF-Signalspannung kapazitiv ausgekoppelt wird. Mehr Verstärkung ist nicht nötig. Die Spannung reicht für den direkten Anschluss an den Line-Anschluss der PC-Soundkarte. Zur Verbindung wird ein abgeschirmtes Kabel verwendet.

Am kalten Ende des Schwingkreises liegt eine Antennenspule mit zwei Windungen. Die Antenne ist damit sehr lose angekoppelt, was für eine gute Stabilität wichtig ist. Und so sind auch die Ergebnisse. Trotz der offenen Bauweise driftet die Frequenz weniger als 1 Hz pro Minute. So muss es sein, wenn man DRM empfangen will. Die Rückkopplung sollte stark angezogen werden, das Audion arbeitet dann wie ein Direktmischer oder wie eine selbstschwingende Mischstufe. Übrigens lässt sich die Frequenz mit dem untersetzten Drehkotrieb leicht einstellen. Mit DREAM sieht man jedes starke DRM-Signal und kann es auf 12 kHz bringen. In einzelnen Fällen hat es sich als günstig erwiesen, etwas höher oder tiefer abzustimmen, um Spiegelstörungen aus dem Weg zu gehen. In diesem Punkt ist der Empfänger sogar einem quarzstabilen DRM-Empfänger überlegen.

Das Bild zeigt DREAM beim Empfang von RTL DRM 2 auf 5990 kHz mit. Insgesamt konnten sechs verschiedene DRM-Frequenzen im 49- und 41-m-Band empfangen werden. Aber wenn mal keine guten DRM-Stationen vorhanden sind, kann der Empfänger auch AM-Sender aufnehmen. Die Rückkopplung muss nur weiter zurück gedreht werden. Der PC darf aus bleiben, denn nun reicht eine direkte Verbindung zur PC-Aktivbox. Am Abend macht AM-Rundfunk viel Spaß, besonders mit diesem Empfänger, dessen Bau weniger als zwei Stunden gebraucht hat.
Des Ingenieurs Devise:
Schnell und präzise
(Dietrich Drahtlos)

Der DRM-Empfang ist trotz aller Stabilität schwieriger als mit einem quarzstabilen oder DDS-abgestimmten Empfänger. Starke Nachbarsender können das Audion mitziehen oder die Frequenz beeinflussen. Oft muss man diese oder jene Einstellung probieren. Aber man kann auch aus der Not eine Tugend machen und sich den hochstabilen Oszillator eines AM-Rundfunksenders leihen. Dazu stimmt man genau auf den Träger einer beachbarten AM-Station ab. Die Audionfrequenz rastet auf diesen ein und ist phasenstarr mit ihm gekoppelt. Das DRM-Nutzsignal erscheint dann z.B. genau auf 10 kHz oder 15 kHz. Und tatsächlich, dann klappts auch mit DRM.
Nachtrag: Aufbau von Karl Schwab (DL1KSA)
"Zu meiner großen Freude konnte ich das DRM-Audion mit EL95 aufbauen und erproben. Es konnten sämtliche DRM-Sender in den Bändern 60 / 49 / 41m von 5.810 - 7.465 KHz mit Logo aufgenommen werden, wobei etwa die Hälfte mit Audio stabil decodiert wurden. Es wurde die Software DREAM, Version 1.5.2 verwendet. Das Einstellen der Frequenz ist etwas diffizil, man bräuchte ein stärker untersetzendes Getriebe am Drehko, da nur ca. ein Drittel des Verstellbereichs nutzbar ist. Sehr nützlich für die Abstimmung ist der Wasserfall. Man dreht solange, bis der "grüne DRM-Teppich" in Fenstermitte ist. Die Rückkopplung wird ca. 2/3 aufgedreht und ist unkritisch einzustellen. Die Frequenz-Konstanz ist sehr gut, aber die "Handkapazität" beim Anfassen des Gehäuses macht sich etwas bemerkbar."
