Der
weiche BlinkerHome Labor Röhren HF Logbuch Bastelecke

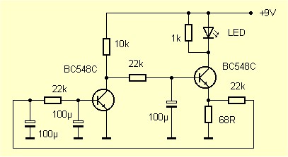
Die Schaltung zeigt einen Phasenschieber-Oszillator mit einer gesteuerten Stromquelle am Ausgang. Man könnte hier auch zwei LEDs in Reihe anschließen, ohne dass sich der Strom ändert. Die Frequenz wird durch die drei RC-Glieder 100 µF, 22 k festgelegt. Die Funktion der Schaltung ist weitgehend unabhängig von der Betriebsspannung, weil sich der mittlere Strom auf ca. 10 mA einstellt. Die Spannung am Emitterwiderstand versucht sich auf die Basisspannung des ersten Transistors von ca. 0,6 V einzuregeln. Durch die Phasenverschiebung kommt es zu Schwingungen um diesen Mittelwert.

Die Messung zeigt den Verlauf der Spannung am Emitterwiderstand des zweiten Transistors und damit den Verlauf des Kollektorstroms. Eine volle Schwingung benötigt ca. vier Sekunden. Weil der Strom Null nicht ganz erreicht wird, sorgt ein Parallelwiderstand an der LED dafür, dass sie fast ganz ausgesteuert wird.

In der Schaltung wurde eine superhelle rote LED eingesetzt. Die verwendeten Elkos sind Tantal-Typen, es können aber ebenso gut normale Aluminium-Elkos verwendet werden.

Der weiche Blinker wird übrigens oft zur optischen Nachrichtenübermittlung an meinen Nachbarn benutzt. Wenn das unverwechselbare Licht dieser Lampe über den Fahrdraht der Straßenbahn hinweg seine Wohnung auf der anderen Straßenseite trifft, dann heißt das, komm mal rüber auf´n Kaffee oder ´n Bier.
Wenn ein Gerät sich bewährt,
war der Plan nicht verkehrt.
(Dietrich Drahtlos)
Nachtrag: Einstellbare Blinkfrequenz

Michael Stutzbach (DO6LSM ) hat den Aufbau verändert: "Eine Schaltung die Laune macht! Blinkt sanft wie das Molenfeuer bei mir am Hafen. Ich habe die 22k Widerstände als Trimmer ausgeführt, da gibt es immer was zu regeln ... So sehr mir diese Sache auch gefallen hat, die Funktionsweise hat sich mir nicht recht erschlossen. Phasenschieber Oszillator? Als Funkamateur weiß ich wohl, das Spannung und Strom am Kondensator um 90° verschoben sind, aber wie das hier genau ineinander greift, bleibt ein Rätsel."
Zur Funktion des Phasenschieber-Oszillators: Ein RC-Glied verschiebt
die Phase der Spannung zwischen Eingang und Ausgang je nach Frequenz zwischen
0 Grad und 90 Grad. Bei hoher Frequenz geht die Phasenverschiebung gegen
90 Grad, aber die Ausgangspannung gegen Null. In diesem Fall stellt sich
die Frequenz so ein, dass jedes der drei RC-Glieder die Phase um etwa 60
Grad dreht. Alle drei zusammen bringen 180 Grad, der erste Transistor dreht
ebenfalls um 180 Grad. Das macht zusammen 360 Grad, womit die Schaltung
schwingen kann.
