Breitband-Funk(en)empfänger
In der Anfangszeit der Funktechnik hat man mit Funkensendern gearbeitet. Sie wurden auch Knallfunkensender genannt und waren teilweise so laut, dass es Ärger gab und man in unbewohnte Gegenden umziehen musste. Und sie hatten es in sich, mit Impulsleistungen von mehreren Megawatt und Reichweiten von vielen tausend Kilometern. Das ausgesandte Spektrum war relativ breitbandig und lag im Langwellenbereich. Die zugehörigen Empfänger waren ebenfalls sehr breitbandig. Es waren meist einfache Detektorempfänger ohne eigene Verstärkung.
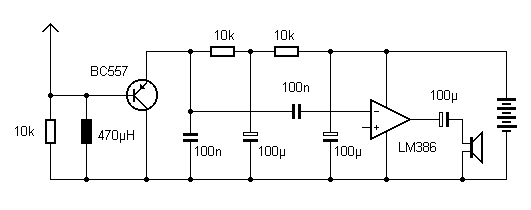
Wenn man heute einen Lichtschalter betätigt entsteht auch so ein Funke, den man im Radio als Knacken hören kann, und zwar überall von Langwelle bis Kurzwelle. Das gleiche passiert bei Kabelbrüchen, Hochspannungsüberschlägen, defekten Trafos, schlecht entstörten Motoren sowie Wackelkontakten aller Art. Man kann solche Fehler deshalb mit einem passenden Empfänger aufspüren. Versuche mit normalen Radios waren nicht sehr erfolgreich, weil sie eine zu geringe Bandbreite haben und teilweise kurze Störimpulse wirkungsvoll unterdrücken. Die beste Lösung brachte ein Breitband-Audion, das hier aus der Platine des Franzis-Kurzwellenradios gebaut wurde. Die Änderungen im Überblick: Festinduktivität statt der KW-Spule, kein Drehko, und der NF-Vorverstärker entfällt.

Die Audionstufe in Kollektorschaltung entdämpft auch hier den Eingangskreis. Damit es nicht zu Eigenschwingungen kommt war deshalb eine Dämpfung mit einem zusätzlichen 10-kΩ-Widerstand nötig. Mit dem Oszilloskop kann man sehen, dass extrem kurze Impulse am Emitter des BC557 verbreitert werden. Die Amplitude reicht oft aus um den Endverstärker in die Begrenzung zu steuern. Aus einem 1 µs langen Eingangspuls entsteht dann ein ca. 1 ms langer NF-Impuls am Lautsprecher.

Während der Entwicklung habe ich einen Piezo-Gasanzünder als Funkensender verwendet. Ein Krokokabel wird dabei so an den Hochspannungskontakt geklemmt, dass noch eine kurze Funkenstrecke bleibt. Das andere Ende hängt lang herunter und bildet eine Sendeantenne. Mit dieser Anordnung konnte ich eine Reichweite von einigen Metern erreichen, vorausgesetzt die Empfänger-Masse ist geerdet. Wenn ich übrigens die Antenne des Empfängers direkt anfasse ertönt der Mittelwellen-Lokalsender aus dem Lautsprecher. Mit einer kurzen Antenne von nur einem Meter Länge ist der Funkenempfänger erfreulich still. Aber wenn irgendwo im Zimmer ein Lichtschalter betätigt wird, knackt es laut. Der Empfänger ist sozusagen „selektiv“ für kurze Impulse. Und eins ist jedenfalls klar: wenn damals der Funker auf der Titanic schon diesen Empfänger gehabt hätte, wär das alles anders gelaufen.