Das
Relais-TresorschlossHome Labor Röhren HF Logbuch Bastelecke
Ein Relais ist ein Schalter, der durch einen Elektromagneten betätigt wird. Es gibt auch noch ganz besondere Typen, die bistabilen Relais. Sie haben zwei Spulen. Es reicht jeweils ein kurzer Stromstoß, um das Relais in eine Stellung zu kippen. Dort bleibt es dann, bis die andere Spule eingeschaltet wird. Als ich kürzlich eine ganze Kiste bistabiler Relais geschenkt bekam, da erwachte der Zuse in mir (Konrad Zuse baute den ersten richtigen Computer ganz aus Relais).

Hier ist eine kleine Testschaltung. Zwei Tastschalter schalten die Relais-Spulen ein. Es leuchtet immer eine von beiden Lampen

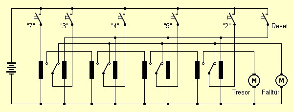
Ein richtiges Tresorschloss kann nicht nur mit modernsten Mikroprozessoren sondern auch mit Relais gebaut werden. Der Besitzer (und nur er!) drückt eine bestimmte Zahlenfolge. Die Relais von links nach rechts schalten dann um. Am Ende wird ein Motor im Tresorschloss eingeschaltet, der den Mechanismus zur Entriegelung bedient. Wenn der Besitzer seine Juwelen entnommen hat, drückt er die Reset-Taste und verriegelt damit die Schaltung wieder.

Der nicht befugte Eindringling würde vielleicht einfach mal probieren. Sobald er aber z.B. die 4 drückt, ohne zuvor in der richtigen Reihenfolge die 7 und die 3 gedrückt zu haben, betätigt er damit ungewollt einen zweiten Motor, der die Verriegelung der Falltür löst. Der Dieb fällt dann automatisch in die Schlangengrube unter dem Tresorraum.
Die Schaltung verzeiht keinen Fehler und ist auch für den Besitzer extrem gefährlich. Es wird daher dringend empfohlen, die Kombination in gut sichtbaren Ziffern auf den Tresor zu schreiben!

Die Zentraleinheit der Anlage

Taster
und Relais wurden auf Pappe montiert und auf der Rückseite verlötet.
Vorläufig gibt es noch keine Falltür, sondern nur einen Alarm-Summer.
Wenn man die richtigen Tasten drückt, geht ein Lämpchen an. Eine
falsche Taste genügt, dann geht der Alarm los. Wer rein will, muss
den Geheimkode kennen.

Nachtrag: Die Anlage hat sich in der Praxis doch nicht bewährt, weil eine automatische Verriegelung,g der Tür fehlte. Mit anderen Worten: Es kam immer noch jeder rein, wann er wollte!
Für eine Verbesserung müssen andere Mittel eingesetzt werden. Der neue Versuch verwendet den C-Control-Steuercomputer mit einem eigenen Programm: Codeschloss mit CC-Basic
Der erste Versuch
ist meist nicht genuch.
(Dietrich Drahtlos)