Die Tandem-Solarleuchte

Home   Labor   Röhren   HF   Logbuch   Bastelecke



In einem Geschäft für Gartenmöbel und ähnliches fand ich zufällig diese Solarleuchten. Acht Stück für 7,77 Euro. Trotz gewisser umweltschützender Bendenken musste ich zugreifen. Der Preis deckt vermutlich nicht mal die Herstellungskosten. Wahrscheinlich werden die Leuchten nur verkauft, um solche Männer wohlwollend zu stimmen, die gegen ihren Willen von den Ehefrauen in diesen Laden gezerrt wurden.

Der Test im Garten war spannend. Noch etwas vor Sonnunentergang ging das Licht an. Sehr hell und für meinen Geschmack zu grell weiß. Aber schon eine Stunde später war die Pracht zu Ende. Die Energie reichte einfach nicht. In völliger Dunkelheit habe ich dann überlegt, was man da machen kann.



Erst mal aufschrauben. Interessant, schon wieder eine neue Version. Jetzt gibt es nur noch ein IC mit vier Anschlüssen und eine Induktivität mit 150 µH. Die Stromaufnahme ist nur 10 mA. Trotzdem ist die Leuchte relativ hell. Der Schwachpunkt in offensichtlich die Solarzelle. Entwickelt und getestet in Süd-China, nahe am Äquator. Bei uns ist aber den Tag über weniger Licht zu ernten, und der Sonnenuntergang dauert länger. Also muss man Strom sparen. Der erste Versuch war, einen zusätzlichen Widerstand einzufügen. Das funktionierte aber nicht gut, das Licht wurde zwar schwächer, die Stromaufnahme aber kaum geringer.




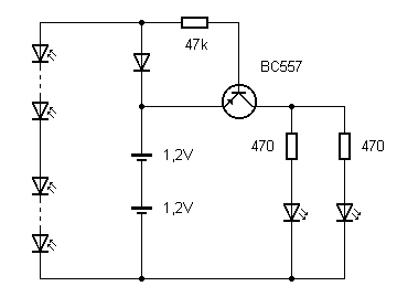
Also eine Änderung der Schaltung. Wenn zwei Batterien und zwei Solarzellen in Reihe geschaltet werden, kommt man ganz ohne den Spannungswandler aus. Jedenfalls mit einer gelb-orangen LED (die aus dem Conrad-Osterei) mit 2 V Durchlassspannung, die ohnehin in der Nacht viel angenehmer ist. Der Transistor schaltet die LEDs an, sobald die Spannung an den beiden Solarzellen klein genug wird.

Also habe ich zwei Leuchten mit einem Kabel verbunden und zusammengefasst. Die Vorwiderstände mit 470 Ohm legen die Helligkeit fest. Viel zu schwach, meinte meine Frau. Wir müssen Energie sparen, sonst gehen hier bald die Lichter aus, war mein Einwand. Dann doch lieber Kerzen, meinte sie. Nein, bitte nicht, Kerzen stinken, flackern und blenden, sodass man die Sterne nicht mehr sieht. Also gut, ich baue eine zweite Version mit kleineren Vorwiderständen, dann können wir testen, wo der optimale Kompromiss liegt.



Bei dieser Gelegenheit habe ich es mit der NPN-Variante der Schaltung probiert. Die Vorwiderstände haben jetzt 220 Ohm. Die LEDs sind heller, meine Frau ist erst mal zufrieden.




Zur Verbindung der beiden Leuchten wird ein vieradriges Flachbandkabel benötigt. Eine der Lampen enthält die ganze Elektronik.



Die zweite Lampe braucht nur ein Anschlussplatinchen.




Jetzt, nach einer Woche Test, liegt ein erstes Ergebnis vor. Wegen des schlechten Wetters werden die Akkus nicht mehr voll. Das Licht reicht auch mit den größeren Widerständen nicht für die ganze Nacht, aber immerhin wesentlich länger als in der Originalversion. Und das gelb-orange Licht ist viel angenehmer als die originalen weißen LEDs.



Wenn ein Gerät sich bewährt,
war der Plan nicht verkehrt.
(Dietrich Drahtlos)

Ach übrigens, bei jedem Umbau bleibt eine kleine Platine mit einem vollständigen LED-Spannungswandler übrig, ideal für den Bau kleiner Taschenlampen.



Siehe auch:
Alte und neue Solarlampen
Kontaktprobleme bei der Dünnschicht-Solarzelle
Conrad-Osterei-Platine mit Solarbetrieb


Home   Labor   Röhren   HF   Logbuch   Bastelecke