Elektrische Energie ernten
.
Überall in der Wohnung findet man elektrische
Wechselfelder. Da müsste es doch möglich sein, etwas Energie zu ernten. Nötig
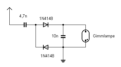
ist dazu nur ein langer Draht als Antenne und eine kleine Schaltung. Ein
Speicherkondensator wird dann bis auf über 70 V aufgeladen, sodass die
angeschlossene Glimmlampe zündet. Sie entlädt den Speicherkondensator teilweise
und löscht dann wieder. Je nach Feldstärke an der Antenne wird der Kondensator
z.B. einmal pro Sekunde bis zur Zündspannung aufgeladen. So entstehen
regelmäßige Lichtblitze.
Die
beiden Dioden bilden eine Spannungsverdopplerschaltung. Wichtig ist,
dass die untere Seite der Schaltung geerdet ist. Wenn nun z.B. eine
50-Hz-Wechselspannung von 30 V an der der Antenne liegt, kann sich der
Ladekondensator bis auf ca. 84 V aufladen. Bereits bei ca. 70 V
sollte die Glimmlampe zünden. Für den ersten Test habe ich
ein isoliertes Kabel über die Schreibtischlampe gehängt. Ganz
egal ob die Lampe eingeschaltet ist oder nicht, es entsteht etwa ein
Lichtblitz pro Sekunde. Ist das vielleicht das lange gesuchte Perpetuum
Mobile?
Manch ein Genie
schaffte es nie.
(Ing. D. Drahtlos zum Thema Perpetuum Mobile)
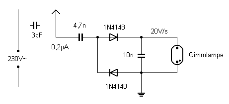
Ganz nüchtern betrachtet ist der Antennendraht Teil
eines sehr kleinen Kondensators, der andere Teil ist die spannungsführende
Ader des Netzkabels. Wenn man abschätzt, dass die Spannung an der Glimmpampe
bei jedem Lichtblitz um 20 V einbricht, ist ein Ladestrom von 0,2 µA
erforderlich, um einen Lichtblitz pro Sekunde zu erreichen. Daraus kann man
errechnen, dass der Koppelkondensator zwischen Lichtnetz und Antenne ca. 3
pF haben muss. Das klingt glaubwürdig. Und wenn man etwas mehr Energie ernten
möchte, kann man das Antennenkabel mehrfach um ein Netzkabel wickeln und damit
die Kapazität erhöhen. Es blitzt dann schneller. Die Energie ist übrigens nicht
geklaut, sondern wird ganz normal über den Zähler abgerechnet. Bei einer
mittleren Spannung von 60 V an der Glimmlampe und einem Ladestrom von 0,2 µA
beträgt die aufgenommene Leistung ca. 12 µW und kostet etwa 2 ct pro Jahr.
Wem das auf die Dauer zu teuer wird, der kann sich diese Energie auch selbst
erzeugen. Dazu hält man das Antennenkabel in der Hand und bewegt seine Schuhe
auf dem isolierenden Teppich. Ungefähr bei jedem Schritt entsteht ein
Lichtblitz. Durch Ladungstrennung wird also mit jedem Schritt eine Ladung von
etwa Q = U * C = 20 V * 10 nF = 200 nC erzeugt. Das passiert nicht erst mit
dieser Schaltung sondern immer schon. Man kann leicht abschätzen, was sonst
damit passiert. Ein Mensch hat eine Kapazität von ca. 50 pF gegen Erde, also
etwa 200-mal weniger als der Ladekondensator in der Ernteschaltung. Damit ist
die Spannungsänderung ohne Belastung 200-mal größer. Bei jedem Schritt lädt
sich ein Mensch also auf ca. 4000 V auf. Es hängt aber etwas vom Untergrund ab
und kann auch mal 10 kV werden. Wenn man dann eine Türklinke berührt merkt man
es. Aua!
Energy Harvesting auf der Steckplatine, von Christian Herden
Ich habe die Schaltung auf einer Steckplatine nachgebaut. Die Glimmlampe habe ich von
pollin.de, sie hat eine Zündspannung von 60 V. Ich habe noch einen
zweiten Kondensator parallel geschaltet, somit blinkt auf meinem
Schreibtisch die Glimmlampe etwas stärker mit 1 Hz (vorher ca. 2 Hz und
schwaches Blinken). Ein wirklich schönes Projekt!
Nachtrag 2019: Eine gute Stelle für Energie-Harvesting ist direkt neben
einer Tür, wenn dort Lichtschalter und Steckdose parallel zum Türrahmen
verbaut sind. Ich habe eine ca. 1,80 m lange Leitung als Antenne
verwendet und diese oben am Türrahmen angepinnt. Als Masse wurde der
Schutzleiterkontakt der Steckdose verwendet. Hat mehrere Jahre
funktioniert, bis ich neu tapeziert habe.
Messung der Ladespannung von Karsten Hansky, DL3HRT
Ich
habe heute ein Video erstellt welches zeigt, wie sich die Spannung am
Kondensator verhält. Das alte Keithley 616 Elektrometer hat eine hohen
Eingangswiderstand (ca. 200 TOhm), so dass der Kondensator nicht
belastet wird. Man sieht sehr schön wie die Spannung hochläuft, bis bei
ca. 71 V die Glimmlampe zündet. Die Spannung fällt dann auf ca. 53 V ab
und das Ganze wiederholt sich.
Dann
habe ich das Digitalmultimeter UT181 an den gepufferten
Ausgang des Elektrometers gehängt und den Spannungsverlauf
aufgezeichnet. Damit die Kurve ruhiger wird, habe ich einen zweiten
10nF-C parallel geschaltet. Damit läuft die Spannung verhältnismäßig
langsam hoch und man kann die Kurvenform schön erkennen.
Home Labor Röhren HF Logbuch Bastelecke