Elektronik-Experimentierkasten selbst gebaut   

Home   Labor   Röhren   HF   Logbuch   Bastelecke




Wenn man Kindern und Jugendlichen bei den ersten Schritten die die Elektronik helfen will, muss alles ganz besonders einfach und fehlersicher sein. Hier möchte ich eine Möglichkeit zeigen, wie das erreicht werden könnte. Der Kerngedanke ist: Alle Bauteile sind schon auf der Platine, es müssen nur noch Drähte eingesetzt werden. Der Vorteil ist, dass Bauteile nicht verloren gehen können. Und man kann dafür sorgen, dass eine Beschädigung durch Überlastung ausgeschlossen ist.



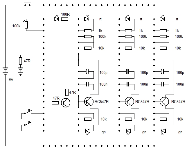
Die Bauteile wurden so ausgewählt und angeordnet, dass sehr viele unterschiedliche Schaltungen damit gebaut werden können. Die Dimensionierung der Widerstände und Kondensatoren ist als erster Vorschlag zu verstehen. Vielleicht zeigt sich später noch, dass einiges geändert werden sollte. Es sind auch noch ein paar Kontakte frei für spätere Erweiterungen und besondere Bauteile.

Damit auch bei groben Fehlern nichts kaputt gehen kann, kann man die Transistoren mit zwei Widerständen von 47 Ohm versehen, was die normale Funktion praktisch nicht ändert. Die LEDs können einen Schutzwiderstand von 100 Ohm bekommen. Alternativ kann man auch die Stromversorgung etwas hochohmiger machen und einen Widerstand von 47 Ohm mit einbauen. Ich habe vorläufig noch auf diese Schutzmaßnahmen verzichtet und verwende stattdessen eine etwas schlappe Batterie. 



Die Platine hat die Abmessungen 100 mm x 80 mm. Die Steckkontakte sind mit einfachen IC-Fassungen mit 40 Anschlüssen realisiert, weil sie gerade zur Hand waren. Besser wären allerdings gedrehte Präzisionsbuchsen, die man als lange Streifen bekommt.



Auf der Unterseite ist alles vorverdrahtet. Hier könnte man bei Bedarf auch ganz unscheinbar die Schutzwiderstände einbauen. Nach dem Einbau in ein Holzkästchen bleibt die Verdrahtung verborgen. Man kann sich aber jederzeit am Schaltbild orientieren.



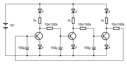
Für einen ersten Test wurde eine Schaltung aufgebaut, die fast alle Bauteile verwendet und eher am Ende einer Experimentierreihe stehen würde. Es handelt sich um einen Dreiphasen-Ringoszillator, der die LED-Helligkeiten phasenverschoben an- und absteigen lässt. Eine ähnliche Schaltung habe ich schon mal für das Conrad-Osterei verwendet oder auch im analogen Lauflicht mit neun LEDs. Hier kann man zwischen zwei Geschwindigkeiten wählen, indem man je nach Wunsch 100 k oder 10 k anschließt. 



Die Schaltung ist relativ komplex und benötigt 18 Drahtverbindungen. Die vorbereiteten Drähte kann man gut in dem Holzkästchen aufheben. So hat man immer alles bereit für das nächste Experiment.




Nachtrag: Experimentiersystem mit Pfostensteckern



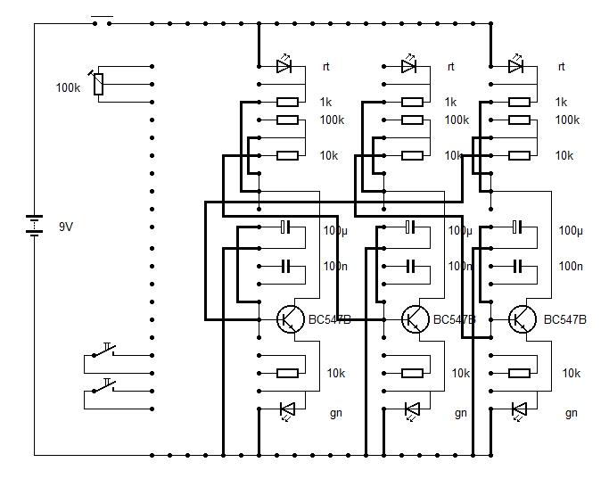
Hier habe ich eine Alternative getestet: Diesmal gibt es Pfostenstecker auf der Platine. Die Verdrahtung geschieht mit fertigen Kabeln mit angesetzten Buchsen. Auch so kann man experimentieren.

Der Vorteil ist, dass die Kontakte auf der Platine nicht abnutzen. Allerdings wird der Aufbau schnell unübersichtlich, zumindest wenn Kabel gleicher Länge und Farbe eingesetzt werden. Das Foto zeigt übrigens wieder den recht aufwendigen weichen Blinker mit drei-LEDs und Phasenschieber-Oszillator. Kleinere Schaltungen sehen übersichtlicher aus.



Home   Labor   Röhren   HF   Logbuch   Bastelecke