LEDs als Lichtsensoren   

Home   Labor   Röhren   HF   Logbuch   Bastelecke



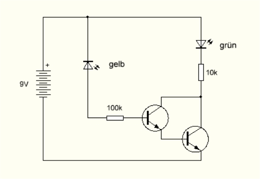
Eine LED kann bekanntlich nicht nur Licht erzeugen, sondern auch Licht erkennen. Sie arbeitet dann als Fotodiode. Sie bringt bei mittlerer Helligkeit nur sehr wenig Strom im Bereich weniger Nanoampere. Dafür liefert sie mit bis zu ca. 1,5 V eine größere Spannung als eine Si-Fotodiode. Um die Funktion zu zeigen, eignet sich eine Darlington-Stufe und eine weitere LED. Der Versuch entspricht einer Schaltung aus dem  Franzis Technik-Ei 2019. Die gelbe LED wird hier wie eine Fotozelle betrieben und erzeugt eine Spannung.



Die Bauteile wurden direkt auf einen Batterieclip gelötet, der aus einer alten 9V-Batterie ausgebaut wurde. Wenn man die Batterie aufrecht stellt, schaut die gelbe LED als Lichtsensor in eine horizontale Richtung. Je mehr Licht sie erkennt, desto heller leuchtet die grüne LED. Dreht man den Aufbau, dann kann man die Helligkeit in jeder Richtung abtasten. Der Öffnungswinkel der transparenten LED ist nämlich sehr eng. Auf dem folgenden Foto, ist zu erkennen, dass die LED-Linse das gelbe Licht auf dem LED-Kristall fokussiert.



Auch grüne oder rote LEDs eigenen sich als Fotodioden. Allerdings haben sich gelbe LEDs in vielen Versuchen als die besten Fotodioden erwiesen. Die Schaltung ist auch empfindlich für elektrische Felder. Jede Änderung der elektrischen Felsstärke führt zu einem Verschiebungsstrom, der ebenfalls stark verstärkt an der grünen LED sichtbar wird. Trägt man den Sensor in der Hand, wird jeder Schritt sichtbar, weil man sich dabei periodisch auflädt. Die gelbe LED sorgt für den passenden Ruhestrom. Ab besten funktioniert der Versuch bei geringer Helligkeit. Man sieht so, dass der Verschiebungsstrom in derselben Größenordnung liegt wie der Fotostrom.



Man kann die Empfindlichkeit für geringe Helligkeiten noch steigern, indem man die Sensor-LED nur am ersten Transistor der Darlingtonschaltung anschließt.



Noch großer wird die Empfindlichkeit, wenn man die Sensor-LED als Fotodiode in Sperrrichtung und mit größerer Sperrspannung betreibt. Dies war bislang immer meine Standardschaltung für Versuche dieser Art. Es hat sich jedoch gezeigt, dass die neuesten LEDs mit noch besserem Wirkungsgrad oft einen größeren Sperrstrom haben. Dann reicht der Sperrstrom oft schon bei absoluter Dunkelheit für eine Aussteuerung des Darlingtontransistors aus. Die Schaltung eignet sich daher nur für etwas ältere LEDs, die einen äußerst geringen Sperrstrom haben.




Home   Labor   Röhren   HF   Logbuch   Bastelecke