Der selbstladende LED-Blitzer  

Home   Labor   Röhren   HF   Logbuch   Bastelecke





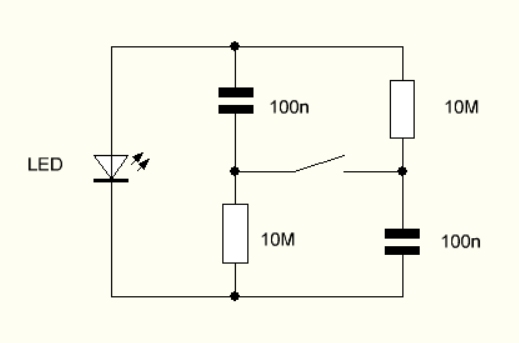
Eine grüne LED, zwei Widerstände mit 10 MOhm, zwei keramische Kondensatoren mit 100 nF und ein Tastschalter, das ist alles. Aber wenn man auf die Taste drückt, entsteht ein deutlich sichtbarer Lichtblitz. Danach muss man einige Zeit warten, bis die Schaltung bereit für einen neuen Blitz ist. Woher stammt die Energie? Auf den ersten Blick denkt man vielleicht, da ist irgendwo noch eine Batterie versteckt. Manch einer könnte auch denken, dass dies das lang gesuchte Perpetuum Mobile ist. Wieder andere könnten vermuten, dass die Schaltung freie Energie aus dem All anzapft.

Die Wahrheit ist ganz einfach: Jede LED ist zugleich auch eine Fotodiode und kann wie eine kleine Solarzelle eingesetzt werden. Die grüne LED liefert sogar eine Spannung bis zu 2 V, allerdings nur extrem kleine Ströme. Die LED selbst wandelt also Licht in elektrische Energie um und lädt damit ganz langsam die Kondensatoren auf. In hellem Sonnenlicht kann eine Spannung bis 2 V erreicht werden, die ausreicht, um die LED bei Dunkelheit ganz schwach leuchten zu lassen. Allerdings ist der Helligkeitsunterschied so groß, dass man das schwache LED-Licht nicht sehen kann. Deshalb wird hier ein Trick angewandt.




Die Kondensatoren liegen nicht direkt an der LED, sondern über Widerstände von 10 M. Beim Laden geht zwar etwas Energie verloren, aber das spielt kaum eine Rolle, weil der Ladestrom sehr klein ist. Effektiv liegen beide Kondensatoren parallel und werden also auf die gleiche Spannung bis etwa 2 V geladen. Drückt man auf den Tastschalter, legt man damit beide Kondensatoren in Reihe und bekommt damit eine höhere Spannung bis etwa 4 V. Bei dieser hohen Spannung fließt ein großer Strom durch die LED und erzeugt einen Lichtblitz. Die Kondensatoren werden in einem kurzen Moment weitgehend entladen. Gleichzeitig liegen nun die Widerstände parallel zu den Kondensatoren und entladen sie völlig. Der größte Teil der geladenen Energie geht aber an die LED.

Die Schaltung wurde schon einmal mit dem Elektronik-Experimentiersystem unter dem Stichwort LED als Solarzelle ausprobiert, dort aber mit größeren Kondensatoren von 10 µF und mit zwei LEDs. Mit den relativ kleinen Kondensatoren bekommt man zwar auch nur relativ kleine Lichtblitze, aber dafür lädt sich die Schaltung recht schnell wieder auf. Bei üblicher Arbeitsplatzbeleuchtung dauert das nur eine oder zwei Minuten, bei vollem Sonnenlicht nur eine Sekunde. Damit kann man abschätzen, welchen Ladestrom die LED liefern kann. Wenn man ganz grob davon ausgeht, dass die LED 2 V braucht um zu leuchten, muss jeder Kondensator bis auf 1 V geladen werden. Der Ladestrom ist dann I = U * C / t, also I = 1 V * 100 nF / 1 s = 100 nA. Der Ladestrom beträgt also ca. 0,1 µA bei vollem Sonnenlicht. Das Sonnenlicht hat eine Helligkeit von 100.000 lux. Eine typische Arbeitsplatzbeleuchtung hat rund 1000 lux, also etwa 100 Mal weniger. Der Ladevorgang dauert damit rund 100 s, weil der Ladestrom nur noch ca. 1 nA ist.



Das Blitzlicht habe ich auch noch in einer zweiten Version mit größeren Kondensatoren von 1 µF aufgebaut. Als ich kürzlich mal entdeckt habe, dass es solche Vielschichtkondensatoren auch mit 1 µF gibt, habe ich mir ein paar bestellt. Sie kommen hier erstmalig zum Einsatz. Man könnte aber auch Folienkondensatoren verwenden. Nur Elkos haben meist einen zu großen Leckstrom. Die verwendete LED ist diesmal ein Typ mit eingebautem Vorwiderstand von 1 kOhm. Im Endergebnis ist der Lichtblitz deutlich heller. Aber dafür muss man zehnfach länger warten, bis die Kondensatoren für den nächsten Blitz wieder ausreichend geladen sind.

Die Schaltung eignet sich übrigens gut dazu, Leute zu verblüffen oder reinzulegen. Oder für eine Zauber-Show. Nur der Magier selbst kann einen Lichtblitz herbeizaubern, indem er lange genug seinen Zauberstab schwingt und einige lateinische Worte murmelt. Die Zuschauer dürfen danach auch mal auf den Knopf drücken, aber nichts passiert. Zum Beweis wird dann wieder gezaubert. Das funktioniert, weil nur der Magier abschätzen kann, wie lang die Ladezeit sein muss.

Nachtrag von Jürgen Heisig
Ich habe heute auch mal ein wenig mit der Idee gespielt. Meine Lösung: Drei LEDs (gelb, klar) in Reihe laden einen Kondensator auf, (bei Sonne 4...4,5V), dann werden zwei der LEDs kurzgeschlossen -> Lichtblitz. Bei voller Sonneneinstrahlung ist selbst ein 1µF-Kondensator in max. 2 Sekunden geladen. Die eingebauten "Reflektoren" bewirken eine starke Richtungsabhängigkeit beim Sonnenlicht. Bei großen LEDs (8 mm) wird dieser Effekt unangenehm groß, also lieber bei 5 mm bleiben ...

Verfünffachung der Ladespannung  von 73 Norbert Renz



Ich habe den Ledpulser ebenfalls ausprobiert, und da ich in meiner Bastelkiste noch einen alten 4-fach Kippschalter gefunden hatte, habe ich noch getestet was passiert, wenn die Spannung verfünffacht wird. Als LED hatte ich eine welche schon bei 1mA hell leuchtet. Der schwache Blitz wird tatsächlich etwas heller. Für eine Helligkeitsverdoppelung benötigt das Auge laut Physikbuch aber mindesten die 10-fache Leistung. Theoretisch lässt sich die Energieausbeute nochmals verdoppeln, wenn man nicht direkt entlädt, sondern eine Spule in Reihe zur Diode schaltet. Mit 100mH konnte ich tatsächlich etwas Helligkeit gewinnen. Die Schwingkreisfrequenz lag rechnerisch bei 4kHz. Mit 22mH war es schlechter, 8kHz scheint der LED zu viel zu sein. Erst hatte ich Bedenken, da die Entladezeit-Konstante 2,5 mal kleiner als beim Verdoppler ist und schon nahe an der Prellzeit des Kippschalters liegt. Die 10MOhm liegen ebenfalls 2x parallel zu den inneren Kondensatoren. Es klappt auch nicht immer gleich gut mit dem Lichtblitz. Die Kontakte müssen möglichst gleichzeitig schalten, die Spulen scheinen dies ebenfalls zu verbessern. Das Aufladen dauert jetzt auch länger. Nach der Filtertabelle steigt die Zeitkonstante mit der Wurzel aus der Anzahl Stufen, und bei den inneren Kondensatoren liegt jeweils ein Widerstand extra in Reihe. Diese Vervielfacherei nennt sich Marx-Generator (Siehe WP).

LEDs laden Elkos von Leander Hackmann


Auch ich habe in einer freien Minute den Aufbau ausprobiert, allerdings in separater Form in Reihenschaltung und mit 10µF-Elkos. Die Aufladezeiten zwischen den Lichtblitzen sind in etwa reproduzierbar; mir kommen sie etwas länger als beschrien vor, was an den Elkos liegen könnte. Auf jeden Fall ein spannendes kleines Experiment, wo es sich mal wieder lohnt noch weiter zu forschen!


Home   Labor   Röhren   HF   Logbuch   Bastelecke