Ein
Spannungswandler für die EL-FolieHome Labor Röhren HF Logbuch Bastelecke
Wenn man schon mühsam eine EL-Folie ausgebaut hat, muss sie natürlich auch mal leuchten! Für einen kleinen Spannungswandler braucht man aber einen Übertrager. Den könnte man selbst wickeln oder irgendwo ausbauen. Hier wurde ein kleiner Trafo unbekannter Herkunft aus der Bastelkiste benutzt. Im Bild sieht man eine grün leuchtende EL-Folie von einem alten LC-Display.

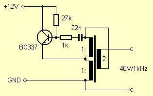
Der Trafo hat drei getrennte Wicklungen. Mit dem Multimeter wurde zuerst ihr Widerstand gemessen. Sie hatten 60 Ohm, 60 Ohm und 180 Ohm. Damit war klar, welche wenig Windungen und welche viele hatte. Nun kommt es aber auch auf die Wickelrichtiung bzw. auf die Anschlussfolge an. In einem zweiten Test wurde eine Wechselspannung von 50Hz/3V an die hochohmige Wicklung gelegt. Die anderen beiden wurden in Reihe geschaltet und so lange umgepolt, bis die größte Spannung gemessen werden konnte. Alle Spulen zusammen hatten nun etwa 6 V, eine der kleineren allein etwa 1,5 V. Damit war klar, der Trafo hat ein Windungsverhältnis von 1:1:2. Also damit lässt sich ein Spannungswandler bauen. Mit etwas Probieren kam die folgende Schaltung heraus.

Mit dem Multimeter wurde eine Ausgangsspannung von 40 V gemessen. Der Trafo erzeugte ein Summen, das auf eine Frequenz von ca. 1 kHz schließen ließ. Für die grüne Leuchtfolie war das ganz in Ordnung. Eigentlich sollte aber die blaue EL-Folie aus der Armbanduhr mit dem Spannungswandler betrieben werden. Es hat auch funktioniert.

Aber leider nur kurz, dann ist sie kaputtgegangen. Ich weiß nicht einmal, ob ich sie elektrisch überlastet habe, oder ob sie durch die selbstgebauten Kontakte zu stark gebogen wurde. Vielleicht wollte diese Folie weniger Spannung und eine höhere Frequenz sehen. Jetzt jedenfalls leuchtet sie nur noch an einem ganz schmalen Streifen. Es sieht aus wie ein Riss zwischen dem Anschluss und der dünnen Flächenelektrode. Schade, schade, schade.

Oft wird ein Projekt mit Pech übersät,
weil man ein kleines Detail übergeht.
(Dietrich Drahtlos)
Nachtrag: Erfahrungen mit der blauen EL-Folie
Arne Rossius schrieb mir:
"Ich hatte bei der EL Folie das gleiche Problem. Es ging zuerst perfekt (ich habe die Platine aus der Uhr genommen, den Einschalttaster überbrückt und statt der Knopfzelle (die Uhr hatte zwei parallelgeschaltete) eine Mignon-Batterie verwendet. Das ging gut, nur das Anlöten oder besser Anschmelzen zweier Drähte an die Folie war etwas schwierig. Als ich aber auf die Idee kam, ein dickes Blatt Papier zu durchleuchten, um den Text auf der Rückseite zu sehen (Kontrollleuchte), war die Folie zu dunkel. Bei einer Erhöhung der Spannung auf 3V (2 Batterien) hat es kurz heller, dann nur noch als Riss so wie bei dir geleuchtet hat! Ich glaube, es war Überlastung der spannungstechnischen Art! Ich werde in Zukunft (wenn ich jemals wieder eine Folie auftreiben kann) immer die Platine aus der Uhr nehmen, mit 1,5V!!"
Nachtrag: Überspannung bei EL-Folien
Eine Mail von Olaf:
... habe mir die Artikel zu den EL Folien angeschaut, dazu ein kleiner Hinweis: Sieht man einen "Blitz", dann war es wirklich einer und die Spannung war selbst fuer den mechanischen Aufbau zu hoch. Ist die Folie in der Hinsicht genuegend belastbar und man erhoeht langsam die Spannung, dann steigt zwar auch die Leuchtkraft, aber irgendwann entstehen dunkle Punkte (diese Stellen sind dann hinueber.), die sich rasch vergroessern und sich rasend schnell vermehren, wenn man die Spannung weiter erhoeht. Will man also mehr Spannung, sollte man langsam und stetig erhoehen und bei Erkennen dieser Punkte ganz schnell ein wenig "Gas wegnehmen". Ein Freund betreibt in dem Haus, in dem ich (allerdings in Taiwan, bin "abgehauen"...) wohne, einen kleinen Elektronikbetrieb, der auch Inverter fuer EL herstellt, da konnte ich mir schon etliche "verbrannte" Folien anschauen... Ausserdem sollte man sich beim Loeten kurz fassen, denn die Folien moegen das nicht so sehr...
Nachtrag: Die EL-Folie aus dem Laptop
Kürzlich habe ich einen älteren Laptop zerlegt. Hinter dem Display fand sich eine EL-Folie. Ein Kabel führte zu einem schwarzen Block, den ich zuerst für einen vergossenen Trafo gehalten habe. Aber einige Versuche haben gezeigt, dass es tatsächlich ein kompletter Spannungswandler ist. Bei 12 V und ca. 400 mA am Eingang findet man sekundär eine Sinusspannung mit 140 V und ca. 1 kHz. Schöne Lampe, nur summt sie leider etwas.

EL-Folie aus dem Armaturenbrett, von Dominic
Ich habe schon vor langer Zeit den Beitrag zum Thema EL-Folie gelesen und
bin schon in vielen Läden gewesen um mir einen Funkwecker mit EL-Folie als
Hintergrundbeleuchtung zu bekommen. Diese Rennerei war leider nicht mit Erfolg
gekrönt. Da fiel mir ein, dass mir mein Papa vor einiger Zeit ein Mercedes Armaturenbrett
mitgebracht hat. Damals ist mir schon die Folie hinter der Anzeige aufgefallen,
konnte aber noch nichts damit anfangen. Nun musste ich erstmal das Armaturenbrett
suchen. Nach dem ich das gefunden habe baute ich die Schaltung nach. Zumindest
so in etwa. Als ich den Trafo brauchte kam mein Papa wieder genau richtig, denn
er brachte einen mit, der eine 220V-Seite hatte mit 1,5 KOhm Widerstand und
eine Sekundärwicklung mit Abgriff. Ich habe einen Widerstand von 2 x 5 Ohm
gemessen. Das entspricht nicht genau Ihren Daten müsste aber gehen. Nun noch Hühnerfutter
ran und Spannung drauf.
Nach dem Anlegen der Spannung leuchtete die Folie und mit dem Oszi wurde
eine Ausgangsspannung von 100 V gemessen und eine Frequenz von 100 Hertz
ermittelt. Der Trafo summte etwas. Auf einmal ging die Folie aus und der Trafo
summte nicht mehr. Meine erste Vermutung war der Transistor. Diese Vermutung bestätigte
sich nach einer Messung. Da er aber kalt war, weiß ich bis jetzt nicht was es
war. Jetzt habe ich den 2N3055 und es funzt super. Ich musste aber die
Eingangsspannung auf 6 V reduzieren, da sich bei 12 V kleine schwarze Punkte
bildeten. Die Schaltung zieht gerade einmal 16 mA. Jetzt läuft alles prima und
ich gehe mal zu Kaufland, denn da gibt es einen Wecker. Mal sehen ob es mit der
Blauen auch so gut läuft.