Das
Vakuum-Fluoreszenzdisplay
Home Labor Röhren HF Logbuch Bastelecke
In einer kaputten Luxus-Stereoanlage fand ich dieses Display. Klar, sowas lässt einen nicht so schnell los. Erstens will man rausbekommen, wie es angeschlossen wird, und zweitens möchte man ja mal sehen, welche Funktionen das Teil in seinen besseren Tagen hatte. Also vorsichtig an die äußeren Anschlüsse eine Heizspannung angelegt, dann etwas Anodenspannung, einige Anschlüsse ausprobiert, und siehe da, es leuchtet in mehreren Farben!

Für den Betrieb an ca. 18 V hat es sich bewährt, die Heizung über eine kleine Glühlampe an der selben Versorgungsspannung zu betreiben. Das vorliegende Modell brachte mit einem Heizstrom von 150 mA einen guten Erfolg. Alle neun Gitter und alle Segmentanoden wurden einfach zusammengeschaltet und an die Anodenspannung gelegt..

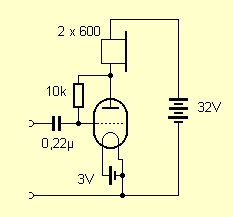
Display hin, Fluoreszenz her, es handelt sich insgesamt um eine Vakuumröhre mit direkt beheizter Kathode, Gitter und Anode, also um eine echte Triode! Also sollte es doch möglich sein, einen Röhrenverstärker daraus zu bauen. Gesagt, getan. Heizspannung 3 V, Anodenspannung 32 V, ein Sennheiser-Kopfhörer mit zwei mal 600 Ohm im Anodenkreis, ein Gittervorwiderstand von 10 k zur Anode, Koppelkondensator ans Gitter, fertig!


Es stellt sich eine Gitterspannung von ca. +7 V ein, der Gitterstrom ist ca. 2 mA. Der Anodenstrom beträgt trotz der geringen Anodenspannung satte 5 mA. Die Spannungsverstärkung ist zwar nicht viel größer als zweifach, aber man erhält ein absolut sauberes und wohlklingendes Signal. Die Lautstärke ist mehr als ausreichend, jedenfalls wenn man sich nicht die Trommelfelle rausblasen will.

Die Röhre ist dank der flachen Bauweise mit den Anoden direkt an der hinteren Glasplatte sehr robust. Nur eines kann sie nicht vertragen: Wenn man die Anodenspannung an die Heizung legt!
Manch einer verlorenen Stunde
lag ein sehr kleiner Fehler zugrunde.
(Dietrich Drahtlos)

https://www.tindie.com/products/microwavemont/nutube-amp-kit-a-vacuum-tube-in-new-century/
Jetzt habe ich diesen kompletten Stereo-Kopfhörerverstärker mit der Röhre 6P1 ins Labor bekommen (Danke, Wolfgang!). Endlich kann ich es einmal ausprobieren.

Die leuchtenden Anoden sind ein schöner Nebeneffekt. Aber spannend finde ich das Verhalten bei einer Anodenspannung von nur 9 V. Es zeigt sich eine Spannungsverstärkung von etwa 2 bei positiv vorgespanntem Steuergitter und einem Anodenwiderstand von 150 kOhm. Bis etwa 1Vss an der Anode hat man ein unverzerrtes Signal. Wenn man allerdings stärker aussteuert, erscheinen die Trioden-typischen Verzerrungen. Das ist der Beweis: Ein echter Triodenverstärker!

Das
Oszillogramm wurde direkt an der Anode gemessen. Nachgeschaltet ist ein
Kopfhörertreiber mit einem Doppel-OPV. Ein Test mit dem Kopfhörer zeigt
einen angenehmen Klang und eine gute Lautstärke.

Hier ist
allerdings ein Fehler in der Schaltung passiert. Zwischen Röhre und OPV-Eingang
liegt ein Elko, aber der Arbeitspunkt ist nicht eindeutig festgelegt. Deshalb
geht meist der OPV eher in die Sättigung als die Röhre, sodass man nicht voll
aufdrehen kann. Ein hochohmiger Spannungsteiler mit 2 mal 1 M am +Eingang des
OPV löst das Problem, indem der Arbeitspunkt auf die halbe Betriebsspannung
eingestellt wird.