Kill
die Kamera Kürzlich bekam ich eine zerlegte Kamera geschenkt. Es war ein Modell mit automatischer Schärfeeinstellung und Belichtung. Abgesehen davon, dass einige besondere Bauteile darin waren, interessierte mich, wie hier wohl die Entfernungsmessung funktionierte.

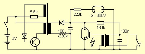
ausgewählte Bauteile
Die Bedienungsanleitung gab einen Hinweis: Ein schwacher Blitz kurz vor der eigentlichen Aufnahme beleuchtet das Objekt. Über eine Helligkeitsmessung wird dann die Entfernung bestimmt. Anscheinend diente ein Fototransistor zur Messung des reflektierten Lichts. Der Messwert wurde auf ein Drehspulmesswerk übertragen, das für den Anwender unsichtbar blieb, aber irgendwie die Mechanik der Linseneinstellung steuerte. Ob das wohl genau genug war? Als einzige ICs enthielt die Kamera nicht mehr als einen vierfachen Komparator LM339 und ein Vierfach-RS-Flipflop 4044. Woher diese Kamera stammt, sagt das Handbuch nicht. Auch der Name des Herstellers wird schamhaft verschwiegen. Als einziger Hinweis lenkt ein kleiner Schreibfehler ("Werter Kundel") den Blick in Richtung China.

Besonders interessant war das eingebaute Blitzlicht. Der Blitz wurde elektronisch gesteuert, also unterbrochen, wenn genügend Licht auf den Film gefallen war. Dazu diente ein großer Transistor, der offenbar den gesamten Blitzstrom schalten konnte.

Die Blitzplatine war mit zahlreichen Kabeln mit der übrigen Elektronik verbunden. Die Schaltung musste zuerst etwas aufgeräumt werden, um sie wieder in Betrieb zu nehmen. Als Auslöser dient jetzt ein kleiner Mikroschalter, der ebenfalls aus der Kamera stammt. Nur noch zwei Batterien dran, einschalten, los geht´s, der Elko lädt sich, auf . Bei ca. 300 V zündet die spezielle Glimmlampe mit einem auffallend großen Elektrodenabstand. Jetzt bloß nicht den Elko anfassen! Ein Druck auf den Taster - Blitz!

In der Bedienungsanleitung findet man die folgende Warnung:
"Vorsicht!
Versuchen Sie nicht, diese Kamera auseinanderzunehmen, da die Gefahr
eines
elektrischen Schlages besteht." Sorry, das habe ich leider erst
gelesen,
als schon alles zu spät war. Interessant ist aber die Frage,
wie gefährlich
ist eigentlich das Blitzgerät? Ein tödlicher
elektrischer Schlag
erfordert einen Strom von ca. 100 mA für eine Zeit von
mindestens
100 ms. Die erforderliche Spannung hängt
hauptsächlich vom Übergangswiderstand
ab, der bei großer Berührungsfläche und
viel Feuchtigkeit
besonders gering ist. Ab 100 V ist ein tödlicher Unfall
möglich.
Die gefährliche Leistung ist also nur 0,1 A * 100 V = 10 W.
Die minimale
Energie beträgt damit 10 W * 0,1 s = 1 Ws (1 Joule). Der
geladene
Blitzkondensator mit 180 µF enthält wesentlich mehr,
E=1/2*U²*C=0,5*(300
V)² * 0,00018 F = 8,1 Ws. Das bedeutet, der Blitzkondensator
ist wirklich
lebensgefährlich, also lass es lieber sein!

Wegen der großen gespeicherten Energie ist der Blitz
ja auch so
hell. Wenn man eine Blitzdauer von einer Millisekunde schätzt,
kommt
man auf eine Impulsleistung der Blitzlampe von ca. 16 kW! Einen
endrucksvollen
Eindruck von der Energie des Kondensators erhält man bei einer
Entladung
über eine Alufolie. Das verdampfte Metall hinterlässt
ein großes
Loch.
Manch schwieriger Fall
endet mit Blitz und Knall.
(Dietrich Drahtlos)
Den Mörderelko habe ich übrigens inzwischen ausgebaut. Statt dessen hat der Spannungswandler jetzt einen kleineren Kondensator mit nur 22 nF. Wenn man nun einmal versehendlich anfasst, springt man höchstens noch einen halben Meter hoch. Es ist nun eine ideale Spannungsquelle für kleine Versuche mit Elektronenröhren.
Die zerlegte Kamera war noch eine analoge 35-mm-Kamera. Auf http://www.digitalkameratrends.com/ gibt es einen guten Überblick zu Kameras aller Art und ein freies eBook zum Thema.