Messungen an der Soundkarte

Das Software Defined Radio steht und fällt mit der Qualität der Soundkarte. Bevor man sich also auf das Thema einlässt, sollte man einige grundlegende Messungen durchführen. Wichtig ist zwar die Auflösung des AD-Wandlers (16 oder 24 Bit) und damit der erreichbare Störabstand. Allerdings reicht normalerweise schon eine einfache On-Board Soundkarte mit 16 Bit Auflösung. Entscheidend sind aber die folgenden beiden Punkte:
1. Werden beide Kanäle eines Stereo-Eingangs verwendet? Einige Soundkarten vor allem in Laptops haben nur einen Mono-Mikrofoneingang, sodass die unabhängige Verarbeitung des I- und Q-Signals unmöglich ist.
2. Besitzt die Soundkarte ein Antialiasing-Filter? Jede Soundkarte hat ein weiches Tiefpassfilter gegen einstreuende HF-Signale. Zusätzlich sollte jedoch ein digitales Tiefpassfilter mit einer Grenzfrequenz um 24 kHz vorhanden sein. Solche Filter haben eine sehr hohe Flankensteilheit und könnten als analoge Filter nur mit extrem hohem Aufwand nachgebildet werden.
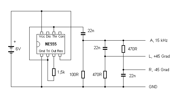
Für die Messung wird hier ein einfacher Tongenerator mit einem Timerbaustein 555 verwendet. Die Ausgangsfrequenz ist etwas von der Betriebsspannung abhängig und beträgt etwa 15 kHz bei einer Batteriespannung von 6 V. Zwei zusätzliche RC-Glieder sorgen für eine Phasenverschiebung von insgesamt 90 Grad zwischen dem L- und dem R-Ausgang. Damit sollen die I- und Q-Signale des IQ-Mischers simuliert werden.

Der verwendete Differenzverstärker
Die Ausgangsspannung am Pin A beträgt ist etwa 100 mVss. Das Signal ist in erster Näherung rechteckförmig und hat damit einen hohen Anteil an Obertönen, was hier erwünscht ist. Die Soundkarte soll nämlich beweisen, dass ihr Antialiasing-Filter die Obertöne bei 30 kHz, 45 kHz usw. nicht hinein lässt. Die Phasenverschiebung von etwa 90 Grad gilt nur für den Grundton bei 15 kHz.
Schließt man nun dieses Stereo-Signal an einen Line-Eingang der Soundkarte an, ist zu erkennen, ob die Soundkarte ein steilflankiges Tiefpassfilter besitzt und ob sie ein echtes Stereo-Signal verarbeitet. Der Test verwendet das SDRadio. Eine gute Soundkarte zeigt nur zwei Signale, das Wunschsignal bei + 15 kHz und das abgeschwächte Spiegelsignal bei -15 kHz.

Gute Karte: Soundblaster-24, extern
Bei der "schlechten" Soundkarte kommen jedoch die Aliasing-Signale hinzu, was die Freude dämpft. Zahlreiche Obertöne des Nutzsignals werden im Durchlassbereich erkennbar. Im normalen Betrieb an einem IQ-Mischer treten zwar keine Obertöne in Erscheinung, aber es gibt immer zahlreiche Signale im Bereich +/-75 kHz, die alle irgendwie auftauchen.

Böse Karte: Zahlreiche Störsignale
Bei einer "guten" Karte sieht man nur zwei Signale: Das Wunschsignal und das gedämpfte Spiegelsignal. Weil die Frequenz des Oszillators mit der Betriebsspannung etwas abgestimmt werden kann, konnte der Punkt bester Spiegelunterdrückung gesucht werden. Er lag bei dieser einfachen Phasenschieberschaltung bei ca. 16 kHz, die bei einer Betriebsspannung von 5,9 V ausgegeben wurden. Hier wurde eine Spiegelunterdrückung von 30 dB erreicht. Das ist für die einfache Schaltung recht gut. Der echte Empfänger erreicht aber noch wesentlich bessere Werte von mehr als 40 dB.
Falls eine Soundkarte keine Spiegelunterdrückung zeigt, wird nur ein Mono-Signal verarbeitet. Man kann aber noch suchen, ob es am Kabel oder an den Einstellungen liegt.

Schlecht: Nur ein Mono-Eingang

Ganz schlecht: Mono-Eingang und ohne Filter
Siehe auch: Soundkarten und Antialiasing-Filter: www.elexs.de/iq4.htm
Wolfhang Hartmann hat den Tester nachgebaut und an seiner internen Soundkarte das folgende Ergebnis gemessen. Die Schaltung wurde mit vier gerade geladenen NiCd-Akkus betrieben und bekam damit eine Betriebsspannung von 5,0 V. Damit lag die Grundfrequenz knapp unter 12 kHz.

Man erkennt, dass die Karte erstens Mono ist, zweiten kein Filter besitzt und drittens nicht korrekt abtastet. Die zahlreichen Nebensignale lassen vermuten, dass es ein Problem mit der Ansteuerung gibt. Diese Karte wurde nachträglich in dem PC installiert, nachdem die Onboard-Soundkarte deaktiviert wurde.
Die selbe Erfahrung habe ich auch gemacht: Der Versuch, eine bessere interne Soundkarte einzubauen schlug fehl, obwohl alle alten Treiber vor der Deaktivierung entfernt worden waren. Das Ergebnis war eine unsaubere Abtastung. Ich habe ein Treiberproblem oder ein Hardwareproblem vermutet und die neue Karte wieder ausgebaut.
Die Lösung des Problems lag in einer externen USB-Soundkarte von Creativ Labs. Das Gerät hat eine Auflösung von 24 Bit und damit einen besseren Störabstand als eine 16-Bit-Karte. Der IQ-Mischer erreicht damit eine gute Empfangsleistung.

Unter ungünstigen Umständen kann das USB-Kabel HF-Störungen in Form von Vielfachen des 1-kHz-USB-Frames verursachen. Man hört dann ein leises Summen und sieht im Spektrum einen Lattenzaun. In einem Fall konnte festgestellt werden, dass diese Störungen auftraten, wenn zur Verlängerung zwei USB-Kabel hintereinander verwendet wurden. Mit nur einem Kabel verschwanden die Störsignale.
Ja, die 96-kHz-Messung kann etwas verwirren, weil auch die erste und zweite Oberwelle des Testers noch mit angezeigt wird. Aber das Bild zeigt, dass alles ok ist. Man darf nur die Linien bei 15 kHz beachten.