
Lernpaket LEDs
und
Schnellstart LEDs
Fragen, Antworten, Tipps und Berichtigungen
Berichtigungen:
S. 30 Ein Tippfehler bei der Berechnung des Vorwiderstands:
R = U / I
R = 4,9 V / 20 mA
R = 245 Ohm
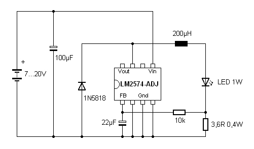
Der Ausgang
Vout des Schaltreglers LM2574 liegt nicht, wie fälschlich in den Schaltbildern zu lesen, an
Pin 8, sondern an Pin 7. Wenn man sich die Aufbaufotos genau ansieht,
ist es dort zu erkennen. Hier die berichtigten Bilder:


Weiteres zum Thema LEDs in der Bastelecke:
Die Schrittmotor-Generator-Lampe
Mini-Batterielampen
Widerstands-Logik
Der LED/LDR-Blinker
Mini-Experimentierbaukasten in der CD-Hülle
Der Berührungssensor
Ein LED-Spannungswandler
Ein LED-Spannungsprüfer
Die Goldcap-Dynamolampe
5 einfache Versuche mit LED und Transistor
LED-Lampenkunde
Der ewige Blinker
Dreikanal-LED-Lichtorgel
Ein Kurzwellen-Konverter (LED als Abstimmdiode)
Kapazitätsdioden testen (LED als Abstimmdiode)
Siehe auch:
Hinweise zur LED-Helligkeit