Röhren-Projekte
Hier werden Projekte mit Röhren vorgestellt, die mir als Antwort auf meine Bastelecke und mein Röhrenbuch zugeschickt wurden. Ich hoffe, dass viele nützliche Anregungen weitergegeben werden können.
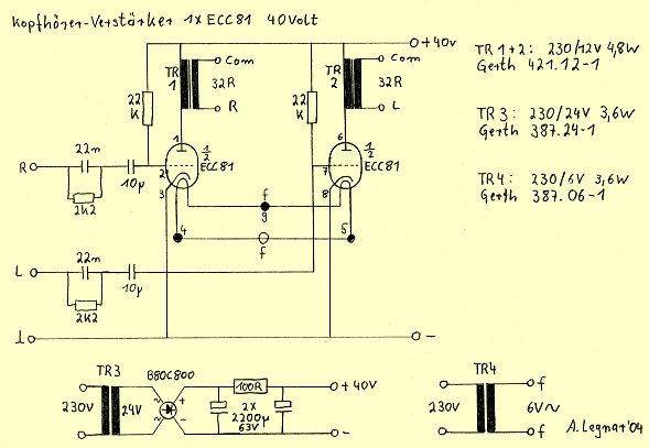
Kopfhörerverstärker von Andreas Legnar

Herzlichen Glückwunsch zu Ihrem Buch "Röhren-Projekte von 6 bis 60V"! Genau was ich immer gesucht habe: Basteln mit Röhren. Betonung auf BASTELN. Hi-End Röhrenbücher mit Bauanleitungen für nicht ganz billige aber sagenumwobene Geräte gibt´s ja schon viele. Klasse!
Angeregt durch Ihren Artikel in Elektor 9/2003 hab ich dann auch gebastelt. Die modifizierte Schaltung entspricht weitgehend der aus Elektor 9/2003 auf Seite 42, bzw. der gleichen aus dem Buch „Röhren-Projekte von 6 bis 60 V“ auf Seite 62. Ich habe sehr viele Netz-Trafo´s als Ausgangs-Trafo ausprobiert und natürlich auch höhere Anodenspannungen. Für letztere nehme man eine kleinen Trafo mit 24V sekundär, richte gleich und siebe gründlich: Trafo 24V/3,6VA, B80C800, 2200µF/63V, Siebwiederstand 100R 1/2W, und noch mal 2200µF/63V. Da bei einem solch geringen Strombedarf, wie sie die ECC81 in diesem Fall hat, praktisch die volle Leelaufspannung des Trafos zur Verfügung steht, liegt an der Anode ca. 40 Volt an. Für die Heizspannung wird lediglich ein Trafo mit 6V/300mA benötigt. Die Wechselspannung liegt parallel an den beiden Heizungen der Trioden ( Pin 4 und 5 gebrückt ).


Für mich ist in dieser Schaltung folgender Ausgangstrafo der absolute Star: Gerth 4,8VA, 230/12V Best.-Nr. bei Reichelt: 421.12-1 Damit erreicht man eine sehr erstaunliche Lautstärke und einen richtig guten Trioden-Sound! Die Höhen sind allerdings etwas zurückhaltend, sofern man nichts dagegen tut. Wenn man am Eingang das Signal eines normalen CD-Players anschließt (Cinchpegel) wird der Verstärker bei Vollaussteuerung leicht übersteuert. Das gibt Raum für eine kleine, passive Frequenzkorrektur. Diese besteht aus dem 2k2-Widerstand und dem parallel geschalteten 22n-Kondensator. Danach kommt der eigentliche Eingangskondensator. Hörversuche haben gezeigt dass ein 1µ-Kondensator hier die Bässe beschneidet. Auch 2µ2 reichen nicht. Mit satten 10µ fühle ich mich auf der sicheren Seite. Pro Kanal habe ich 5mA Anodenstrom gemessen! Das ist echt erstaunlich. Ich finde, diese Version muss sich nicht hinter dem Kopfhörer-Verstärker mit 2 x EL84 verstecken.
Kopfhörerverstärker mit zwei 5687, von Didier Blanc

Ich
hatte das Vergnügen diesen Kopfhörerverstärker mit 2 parallel
geschalteten Doppeltriode 5687 zu bauen. Er funktionniert sehr gut und
ohne hörbare Verzerrung, sogar mit einer Anodenspannung von 34 V
ist die Ausgangsleistung sehr komfortable (24 V
gleichgerichtet). Da ich vor kurzem 2x 6S19P bekommen habe ,
denke ich mir, da ist noch mehr Power zu erwarten.
NF-Vorverstärker mit der 1SH29b von Michael Gaedtke (www.michaelgaedtke.de/)

Ich habe nach dem erfolgreichen Versuch mit einem einstufigen Verstärker (G = 5,5) auf einer Lochrasterplatte eine "richtige" Platine für die 1Sh29B entworfen, belichtet und geätzt. Da ich meine Platinen immer aus Modulen aufbaue, ist es jetzt ein Leichtes, weitere Verstärker auch mit mehreren Stufen zusammenzustellen:


Das passende Netzteil für Röhren-Experimente mit Vorstufen (6,3 V / 1,5 A und 220 V / 20 mA) :


Jürgen Heisig (JHeisig@t-online.de) stellt besondere Aufbautechniken mit Batterieröhren vor:
Da Sie sich ja auch sehr intensiv mit den russischen Röhren befassen, möchte ich Ihnen anhand eines kleinen fremdsteuerbaren Multivibs eine alternative Montagemethode für die Röhren vorstellen Eine weitere Idee habe ich noch nicht realisiert: eine so hergestellte Platine kann ja auch einen Sockel darstellen, der dann in eine Steckleiste eingesetzt werden kann (Platinenstecker wie bei PC-Karten) Die Ausschnitte wurden mit einer kleinen Trennscheibe hergestellt, die Leiterbahnen sind gefräst (nicht schön aber praktisch und schnell für Einzelstücke:-) ).


Nebenbei habe ich mir mit Batterieröhren auch einen 0V2 gebaut (1SH24B in Audion und Endstufe, 1SH18B in Treiberstufe). Eine solche Empfindlichkeit und Selektivität hätte ich nie erwartet, bei dem geringen Aufwand! An einer Aussenantenne habe ich auf MW mehr als 40 Stationen gezählt, daneben ist noch das 160m-Amateurband zu empfangen, natürlich auch SSB und CW ....ein mittels Potiachse, Schwunggewicht und Resten einer CD-Vorratspackung mit 3 alten Zeitschriften-CDs (zur Versteifung) hergestellte Untersetzung macht's möglich...60mal muss man den Abstimmknopf für die 180Grad des Drehkos drehen, also insgesamt eine Untersetzung von 1:120 ! Der Aufbau ist aber noch nach der herkömmlichen Methode, soll auch nur zeigen, dass Sie nicht alleine sind ;-)



Der 0V2 läuft übrigens jetzt gerade im Dauertest, bei Zimmerlautstärke - und zwar an einer einzigen NiCD-Zelle (Anodenspannung 56V über eine modifizierte Blitzelektronik... Mit einer Mignonzelle (800mAh) habe ich etwa 1,5 Stunden hören können - die Monozelle (4Ah) läuft jetzt schon seit 2,5 Stunden und noch kein Abfall der Spannung erkennbar, auch kein "Durchsingen" des Wandlers. Also ich weiß ehrlich nicht, ob ich so etwas in Transistortechnik hinbekommen würde ;-)
Nachtrag: Mit dem 0V2 hatte ich etwas Pech. Nachdem ich wie erwähnt das Gerät am "Blitzwandler" getestet hatte, sollte er einen Ehrenplatz bekommen. Tja, und als ich den Wandler wieder anschließen wollte (ohne Batterie, versteht sich), habe ich dummerweise zuerst den Stecker für die Heizspannung gesteckt - tja, und der Stecker für die Anodenspannung baumelte gegen das Gehäuse. Da gab es einen "Drillingsblitz" und alle 3 Röhren waren im Elektronikhimmel. So ein Kondensator hat jede Menge Energie! Naja, ich hab's bereit repariert und draus gelernt: immer erst die Masse anschließen... Bei 26 Cent/Röhre war es ja nur ein kleiner Verlust :-) Und hier noch ein Test zur Heizspannungsgrenze der 1SH18b:

Jürgen Heisig testet die TX4b:
Datenblatt der TX4b (TX4b.jpg, 133 KB, Dank an Peter Langer)
Wenn Sie auch das "Russensortiment" von Pollin ausprobiert haben, sind Sie sicher auch über die seltsame TX4b (oder lateinisch Tch4b) gestolpert, diese Röhre ohne Heizung. Im Internet ist leider nicht viel zu finden. Ich habe mal alles zusammengetragen, was ich bisher ermitteln konnte. Können Sie das evtl. ergänzen/korrigieren?




Antwort B.K: Leider war diese Röhre nicht in meinem Sortiment, man sollte vielleicht öfter mal bestellen. Ich weiß nur, dass es auch hier sog. Relaisröhren gab. Einmal hatte in eine alte Rechenmaschine in der Mangel, da waren unzählige ähnliche kleine Röhren drin. Leider ist nichts mehr davon da. In einem Valvo-Taschenbuch von 1969 steht z.B. die ZC1050, ebenfalls mit vier Anschlüssen im Subminiaturkolben. Anmerkung dort: "Die Relaisröhren sind mit einer Hilfselektrode V ausgerüstet, deren ständig gezündete Glimmstrecke die Zündspannungstoleranzen herabsetzt und die Zündspannung beleuchtungsunabhängig macht." Falls jemand mehr weiß, wäre eine Nachricht sehr willkommen.
Nachtrag von J.H.: Ja es scheint so zu sein, dass diese Röhre in etwa einem Thyristor entspricht, d.h. wenn bei anliegender Betriebsspannung (also unter der Zündspannung) ein kurzer positiver Impuls auf das Gitter1 gegeben wird, dann zündet dass System und die Löschung erfolgt nach Unterschreiten der Brennspannung (oder bei Wechselspannungen nach jeder positiven Halbwelle). Nachdem ich einmal wusste, dass es ein "Kaltkathoden Thyratron" ist, habe ich im Netz auch noch einige Info's gefunden, leider durchweg für andere Röhrentypen. Unklar ist mir die Funktion des G2. Entweder ist es eine weitere Zündelektrode - oder vielleicht kann man damit auch das Thyratron löschen. Jedenfalls scheint es andere Typen zu geben, die eine Löschelektrode haben.
Ein Gitarren-Vorverstärker von Michael Gaedtke (www.michaelgaedtke.de/)
Ich habe aus meinem 1Sh29B-Platinenmodul einen Gitarren-Vorverstärker gebaut, komplett mit Drive-, Bass-, Treble- und Volume-Regler. Das Volume-Poti schaltet zusätzlich einen Gleichspannungsausgang für die Stand-by-Funktion der Endstufe. Insgesamt erreiche ich mit den vier Röhren eine Gesamtverstärkung von über 40 dB, der Frequenzgang ginge bis 70 kHz, wird aber auf knapp 40 kHz begrenzt. Als Versorgungsspannungen sind +5 V und +220 V erforderlich. Der Stromverbrauch ist extrem gering.

Hier wurde das Klirrspektrum meines Röhren-Gitarren-Vorverstärkers aufgenommen. Wenn man die Verstärkung mit einem Regler am Eingang hochzieht und dafür am Ausgang abschwächt, dann wird der Lattenzaun mit Oberwellen länger und höher - es entstehen mehr Oberwellen. Ich habe gelesen, dass ein "guter Röhrenklang" vor allem durch ein gleichmäßig abklingendes Klirrspektrum ohne sehr hohe Oberwellenzahlen gekennzeichnet sein soll (sagen die echten Freaks). Das müsste schon so ähnlich aussehen.

Röhrendetektor von Jürgen Heisig:
Sie hatten offensichtlich Recht mit Ihrer Vermutung, dass das russische Röhrensortiment bei Pollin nicht immer den gleichen Inhalt hat. In einem kürzlich erhaltenen Paket fand ich u.a. eine Subminiaturdiode (6D6A) - das war neu... Tja, und dann ging es mir genau wie Ihnen mit der EAA91: "Was tun mit einer Röhrendiode?". Nachdem ich einige Zeit im Internet nach Anwendungen gesucht habe, frage ich mich wirklich, wozu man diese Röhre überhaupt gebaut hat - jedenfalls konnte ich nur eine einzige Schaltung finden, in der die Röhre verwendet wurde: ein russisches Röhren-Autoradio ;-) OK, also hab ich mich Ihnen angeschlossen und einen Mittelwellen-Detektor aufgebaut.

Die Schaltung ("geklaut" von B.Kainka :-)):

Innenansicht (erwartungsgemäß eigentlich fast Nichts ...)

Ansicht von oben (man beachte den "Soda Club - Drehknopf" :-) )

Und jetzt von hinten (Oooh Schreck, welch ein Stilbruch: ein Detektor mit Netzanschluss und PL-Buchse ...)
Zur Empfangsleistung:
Na ja, so oh la la --- allerdings habe ich bei dieser Art Spulen auch nichts
besseres erwartet. Gegenüber heutigen Ferritspulen hoher Güte
sind diese einst so beliebten "Spidercoils" einfach "grottenschlecht".
Aber das war mir von vorne herein klar - trotzdem wollte ich 1. Erfahrungen
sammeln und 2. eine gute Optik haben (Ferritspulen kann man ja nur verstecken.
An meiner SWL-Antenne konnte ich mehrere Sender einwandfrei empfangen,
allerdings fast immer Mehrfachempfang - daran änderte auch eine losere
Koppelung der Antenne nichts. Erstaunlich ist die Verzerrungsarmut auch
bei sehr starken Signalen (bei mir WDR2, der steht praktisch vor der Haustür,
Entfernung vielleicht 20km - er "schlägt" im gesamten Abstimmbereich
durch.) Falls es jemand nachbauen will, sollte er sich gut überlegen
was es genau werden soll:
- nur ein Anschauungsobjekt --> einfach nachbauen, Antennespule an die
vorhandene Antenne anpassen
- reines Empfangsgerät: auf jeden Fall andere Spulen verwenden, Ferritspulen
sind um Klassen (!!) besser
- Beides: einen "Blender" bauen, also zwar die Spulen wickeln,
aber nicht anschließen. Dann eine Ferritkernspule im Gehäuse
"verstecken" ;-)
Nebenbei: der Detektor müsste eigentlich "Pollin-Detektor" heißen - er besteht zu 99,9% aus Pollin-Teilen. Ausnahmen: Drehknopf (Deckel einer SodaClub-Flasche nach dem Verfallsdatum), eingeklebter Skalenknopf - Spulenköper: CD, Ausschnitte gesägt mit Styrosäge ("heisser Draht").
Radiomann-Nachbau von Steve Göring
Die Schaltung von Steve (16 Jahre) ist gegenüber dem Radiomann von Kosmos nur leicht verändert und verwendet eine russische Miniaturröhre 6N28B aus einem alten Funkgerät. Seine Fotos zeigen sein erstes wirklich funktionierendes Radio auf Kurzwelle. Die Heizung verwendet 6 V, die Anodenspannung ist 18 V.

Die 6N28B ist eine Doppeltriode mit 6,3 V Heizspannung und etwa 220 mA Heizstrom, empfohlener Anodenspannung von 50 V und ca. 1 W Anodenverlustleistung pro System. Versuche mit einer Betriebsspannung von 36 V brachten mehr Lautstärke als mit 18 V. Die Schwingkreisspule für Kurzwelle wird zusätzlich mit einem Ferritstab abgestimmt, was den Empfangsbereich stark erweitert.

Hybridverstärker mit Trioden und FETS von Michael Gaedtke
Trioden in der Vor- und Treiberstufe und Power-MOSFETs in der Endstufe bringen Röhrenklang und viel Ausgangsleistung ohne einen teuren Übertrager. Diesen interessanten Versucht Beschreibt Michael Gaedtke auf seiner Homepage im Detail:

Ein Kopfhörerverstärker von Paul Preuß:
Ich habe mich von ihrem PL(EL)504 Verstärker inspirieren lassen und ihn zu einem Kopfhörerverstärker umgebaut. Ein schönes einfaches Projekt, das wenig Geld kostet. Mein Aufbau entspricht genau dem Schaltplan, als Quelle dient momentan ein Discman, aber später soll der Verstärker mal in den Computer wandern und von der Soundkarte gespeist werden. Ich habe bei meinem Aufbau einen Ruhestrom von 94mA gemessen. Wegen dem hohen Strom treibt der Verstärker auch 32ohm Kopfhörer mit hoher Lautstärke und wunderbarem Klang. Der Schirmgitterwiderstand ist mit 1kohm recht klein, aber die von ihnen beschriebenen Probleme die durch Sekundärelektronen auftreten können, habe ich glücklicherweise nicht festgestellt. Der Widerstand muss aber so klein sein, sonst sinkt der Anodenstrom.

Die Vorstufenröhre ist hier eine ECC82, eine ECC81 geht genauso, dann erhöht sich lediglich die Verstärkung. Eine ECC83 geht bestimmt auch, aber das konnte ich nicht testen, weil ich keine hatte. Für Anodenspannung und Heizung der PL504 benutze ich einen 2 x 30V Trafo. 2 x 30V in Serie ergeben gesiebt 85 Volt Gleichspannung. Damit es absolut nicht brummt, habe ich einen Siebelko, dann Widerstand (100ohm 5W) und noch ein Siebelko. Letztendlich ergeben sich 75V. Die Heizung der ECC82 kommt aus nem kleinen 12V Printtrafo, die Anodenspannung ist die gleiche wie die der Endröhren.

Ich hab den Verstärker in einem alten Gehäuse eines CD-Laufwerks aufgebaut. So kann man ihn wunderbar in die Front des PC-Gehäuses integrieren. Wie ich finde, eine herrliche Symbiose hochintegrierter Schaltkreise und der guten alten Röhrentechnik.