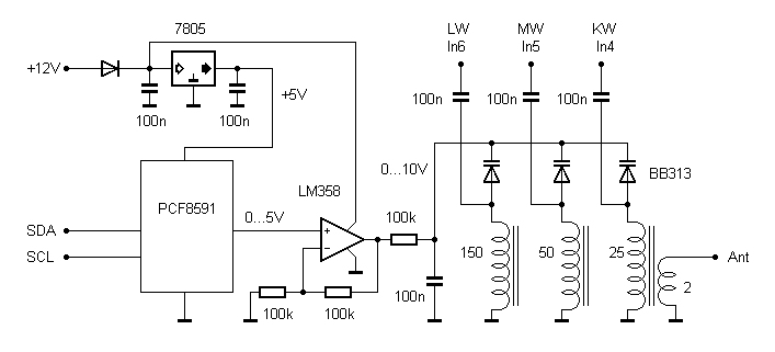
Preselektor und Ferritantenne








Im Moment (Stand 28.5.09) wird bei Modul-Bus noch überlegt, ob ein Bausatz oder eine fertig bestückte Platine angeboten werden soll. Möglich ist vielleicht auch eine Teilbestückung, wobei jeder die Spulen nach eigenen Bedürfnissen wickeln muss.
