
| Start
Produkte |
SI4735Hilfeseite
Download SI4735radio.exe (update 29.4.09 SI4735radio.zip, 738 KB incl. Quelltext und USB-Treiber )
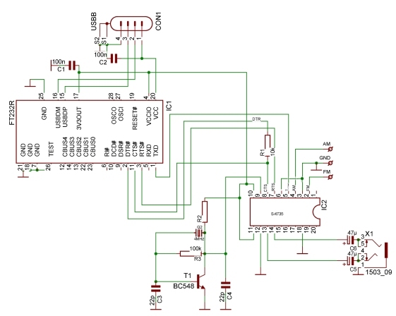
![]() Wichtiger Hinweis zum Schaltplan:
Pin 6 (SEN) muss an GND liegen, da der Chip sonst unzuverlässig
arbeitet. Bei der Neuauflage der Platine wurde das berücksichtigt.
Ältere Platinen sollten entsprechend geändert werden. Pin 6
am Sockel ist mit Masse umrandet, sodass eine Verbindung leicht
hergestellt werden kann (s.u.).
Verbesserungen an der Grundplatine![]()
UKW-Antennenanpassung![]() Zur Verbesserung des UKW-Empfangs kann eine UKW-Spule parallel zum FM-Eingang verwendet werden. Diese Spule aus CuAg-Draht hat 7 Windungen und einen Durchmesser von 5 mm. Eine Anzapfung liegt bei der dritten Windung. Eine Dipolantenne wird am besten an der Anzapfung und GND angeschlossen, eine kurze Stabantenne besser direkt am FM-Eingang. Mit der Eingangsimpedanz des Empfängers befindet sich die Spule in Resonanz bei ca. 100 MHz. Durch Verbiegen der Spule kann eine genauere Abstimmung erreicht werden. |