| Start
Experimente
Grundlagen
Produkte
- DDS
- NE612
- Doppelsuper
- PLL-Clock
- Eichmarken
- Rauschen
- DRM 49 m
- ICS307-2
- ICS501
Neues
Impressum
|
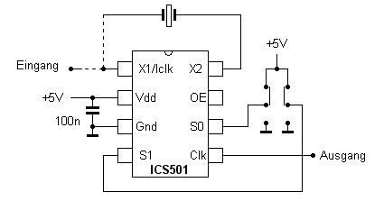
Frequenz-Vervielfacher ICS501
| Quarzoszillatoren für hohe Frequenzen bis über
100 MHz sind nicht leicht zu bekommen. Mit dem ICS501
kann man jedoch die Frequenz des Quarzes um bis zu achtfach erhöhen.
So lassen sich mit der internen PLL Frequenzen bis zu 160 MHz erzeugen.
Das IC kann bei einem Pinabstand von 1,27 mm noch relativ leicht eingelötet
werden. |

| Die Schaltung ist sehr einfach, weil der gewünschte
Multiplikator über Spannungspegel an den beiden Eingängen S1
und S2 über Jumper eingestellt wird. Wahlweise kann ein Quarz oder
eine externe Signalquelle angeschlossen werden. |

| Die Steuereingänge kennen die drei Zustände
Null (0), offen (M) und hochgelegt (1). Deshalb lassen sich mit nur zwei
Eingängen insgesamt neun unterschiedliche Funktionen auswählen.
Ohne Jumper ergibt sich der Zustand MM, wobei die Frequenz verdoppelt wird.
Die höchste Frequenz stellt sich mit gegen +5V gesetzten Jumpern im
Zustand 11 ein, wobei die Eingangsfrequenz verachtfacht wird. |

| Das IC kann auch hinter den DDS-Generator geschaltet
werden, um Frequenzen bis zu 160 MHz zu erzeugen. Das Bild zeigt den Anschluss
über einen Koppelkondensator von 100 nF. Eine typische Anwendung ist
die Ansteuerung eines IQ-Mischers. |

Inzwischen (5.4.07) gibt es eine bestückte
Platine mit dem ICS501. Bedienungaleitung FV501.pdf
(297 KB)
 

DDS-Abstimmung
| Die Kombination DDS - ICS501 eröffnet interessante
Möglichkeiten beim Empfängerbau. Man kann beliebige Zwischenfrequenzen
verwenden, weil der Abstimmbereich der DDS
nach oben erweitert wird. Das angepasste DDS-Ansteuerprogramm erlaubt die
Eingabe der Zwischenfrequenz (Voreinstellung 10,7 MHz) und des verwendeten
Multiplikators (Voreinstellung 2). Das Fenster "DDS out" zeigt
die tatsächlich von der DDS erzeugte Frequenz. Ganz oben im Programm
steht die aktuelle Empfangsfrequenz.
Download mit Quelltext und Exe: DDS501.zip
(43 KB)
Die Software wird von z.B. von Wolfgang Hartmann für einen Doppelsuper
mit 10,7 MHz und 455 kHz eingesetzt.
|

|