| Start
Experimente
- Röhre EF95
- Verstärker
- Zwei Stufen
- Stereo
- KW-Audion
- 6SH1P
- 2SH27L
- RT100
- Schaltregler
- EF98-Audion
- RT25 - Schmitt-Trigger - Röhre 6K4P - Theremin - Drehkotipps
Grundlagen
Produkte
Neues
Impressum
|
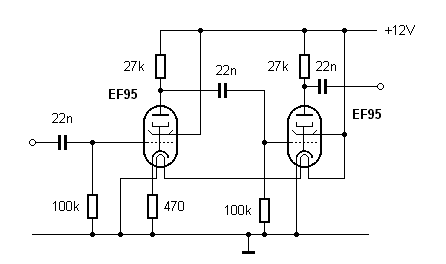
Zweistufiger NF-Verstärker

| Die zweite NF-Stufe ist fast
gleich aufgebaut wie die erste. Nur der Kathodenwiderstand wurde diesmal
weggelassen. Zwischen den beiden Stufen liegt ein Koppelkondensator. Man
kann nun eine Verstärkung von ca. V=25 erwarten. |

| Das Zweikanal-Oszillogramm zeigt tatsächlich
eine Verstärkung von etwa 25. Außerdem erkennt man, dass die
Phasenumkehr durch die zweite Stufe wieder aufgehoben wurde. Eingangs-
und Ausgangsspannung sind also nun in Phase. |

| Wenn der Phasenunterschied zwischen Eingang und Ausgang
eines Verstärkers Null ist, lassen sich leicht Schwingungen erzeugen.
Alles was man dazu braucht ist eine Rückkopplung vom Ausgang auf den
Eingang. |

| Fertig ist der Röhren-Tongenerator. Es könnte
der bescheidene Anfang für eine röhrenbestückte Elektronenorgel
sein. Oder einfach nur ein interessanter Versuch... |

weiter
zurück
|