
| Start
Grundlagen |
|
| Der einfache Transistor-Verstärker eignet sich nicht sehr gut für Lautsprecherverstärker, weil er eine große Verlustleistung aufweist. Steuert man den Kollektorstrom um einen Mittelwert herum aus, dann wird elektrische Leistung auch dann in Wärme umgewandelt, wenn gerade nur sehr leise Signale verstärkt werden. Man nennt dies einen Verstärker der Klasse A. Alte Röhrenradios aus den 50er Jahren arbeiteten immer mit Klasse-A-Verstärkern. Für eine maximale Ausgangsleistung von 5 W wurde permanent eine Verlustleistung von 12 W benötigt. |

Prinzip des Klasse-A-Verstärkers
| Klasse-A-Verstärker sind nur für kleine Leistungen, also z.B. für Kopfhörerverstärker sinnvoll. Für größere Leistungen setzt man Gegentaktverstärker ein. Zwei Transistoren arbeiten dabei zusammen und verstärken jeweils nur eine Halbwelle des tonfrequenten Wechselstroms. Damit ist es möglich, ohne Aussteuerung einen sehr geringen oder sogar keinen Ruhestrom zu verwenden. Strom fließt also nur dann, wenn er entsprechend der Lautstärke benötigt wird. Die ersten Gegentaktverstärker wurden mit Transformatoren aufgebaut, über die beide Halbwellen wieder zusammengesetzt wurden. |

Prinzip des Gegentaktverstärkers mit Transformatoren
| Beide Transistoren des Gegentaktverstärkers
sollten möglichst exakt gleiche Daten aufweisen, damit beide Halbwellen
gleich verstärkt werden und keine Verzerrungen entstehen. Man kann
daher speziell ausgemessene Paare gleicher Transistoren kaufen.
Heute versucht man meist Trafos zu vermeiden, weil sie teuer sind und selbst Verzerrungen erzeugen können. Statt dessen setzt man komplementäre Transistoren, also NPN- und PNP-Transistoren gleicher Daten ein, die ja vom Prinzip her unterschiedliche Stromrichtungen verstärken. Meist werden die Transistoren in Kollektorschaltung betrieben. Siehe auch: Röhren-Gegentaktverstärker |

Prinzip der komplementären Gegentaktendstufe
| Die sehr einfache Grundschaltung funktioniert noch
nicht verzerrungsfrei, weil bei kleinen Signalen die Basis-Emitter-Schwellspannung
der Transistoren noch nicht erreicht wird, kleine Signale also überhaupt
nicht verstärkt werden. Man muss daher eine geeignete Basis-Vorspannung
verwenden, die einen kleinen Ruhestrom bewirkt. Mit Si-Dioden zur Spannungsstabilisierung
stellt sich eine Vorspannung von ca. 0,6 V ein. Problematisch ist, dass
eine konstante Basisspannung beim Erwärmen des Transistors zu einem
höheren Kollektorstrom führt, so dass der Arbeitspunkt thermisch
weglaufen kann. Dieser Effekt kann z.B. durch kleine Emitterwiderstände
gemindert werden.
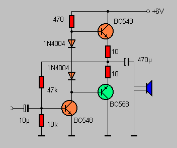
Ein vollständiger Gegentaktverstärker wird meist mit einer Treiberstufe kombiniert. Außerdem kommt eine Gegenkopplung über den gesamten Verstärker zu Einsatz. Man kann mit einer einfachen Betriebsspannung auskommen, wenn man den Lautsprecher über einen großen Elektrolytkondensator ankoppelt. Der Kondensator wird bei der positiven Halbwelle geladen und wirkt während der negativen Halbwelle als Stromquelle, ersetzt also die zweite Batterie. |

Ein vollständiger Gegentaktverstärker für Batteriebetrieb
| Die Schaltung weist einen Ruhestrom von ca. 10 mA auf. Bei einer Versorgungsspannung von 6 V wird mit Kleinleistungstransistoren BC548/BC558 ohne besondere Kühlung eine Leistung von ca. 0,5 W erreicht, was für viele Fälle, wie z.B. Radios, Gegensprechanlagen usw. ausreicht. |

| Gegentaktverstärker mit Einzelhalbleitern werden
nur noch selten verwendet und eignen sich hauptsächlich für eigene,
kleine Versuche. Statt dessen verwendet man oft integrierte Leistungsverstärker,
die ebenfalls Gegentaktverstärker enthalten. Ein preiswerter und einfach
einsetzbarer integrierter Lautsprecherverstärker ist der TBA820M.
Er eignet sich für Batteriebetrieb von 6V bis 12 V und liefert eine
maximale Ausgangsleistung von 1 W. YouTube-Kurzvortrag: Gegentaktverstärker |

Siehe auch:
Lautsprecherverstärker TDA2002
Bastelprojekt Eintakt-Röhrenverstärker
Leistungsverstärler mit einem OPV