| Der
Vorwiderstand
Welcher Vorwiderstand verwendet werden soll,
hängt von der LED-Nennpannung,
von ihrem Nennstrom und der Batteriespannung ab. Die Grundlagen der
Berechnung
findet man unter dem Thema Vorwiderstand
im Bereich Stromkreis-Grundlagen auf dieser Homepage. Hier nur ein
Beispiel:
Die oben angegebene weiße 5-mm-LED soll an einer Batterie mit
4,5
V betrieben werden. Da die Nennspannung 3,5 V beträgt, muss
ein Spannungsabfall
von 1 V am Vorwiderstand liegen. Bei einem Nennstrom von 30 mA muss der
Widerstand also 1 V / 30 mA = 33 Ohm haben. Alles klar? Gut,
dann muss nur noch die Polung stimmen: Der kurze Draht
der LED ist der Kathode, also der Minuspol.
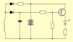
Wilhelm
Brand aus Köln schickte eine Idee zur
LED-Taschenlampe: Ein interrner Akku soll ohne Kontakte induktiv
aufgeladen
werden, wie man es von manchen elektrischen Zahnbürsten kennt.
Dazu
hier sein Schaltplan.

Das
folgende Bild stammt von Hermann J. Schießl.
Die LED-Lampe wurde in einen Schnurschalter eingebaut. Die
Stromversorgung
erfolgt über einen Gold-Cap-Kondensator. Der Kondensator wird
bei
Bedarf über einen Schrittmotor mit Kurbel aufgeladen (vgl. Schrittmotor-Generatorlampe
aus der Bastelecke).

Diese
LED-Lampe hat Arne Rossius (Arnes Homepage: www.Elektronik.de.vu/)
mit 14 Jahren gebaut. Sie arbeitet mit 1,5V und hat einen kleinen
Spannungswandler.
Die Batterie ist eine Hälfte einer 3-V-Taschenlampenbatterie
und verspricht
eine besonders lange Lebensdauer.

Von Pia
Kutsch (15 Jahre) stammt das folgende Foto.
"Die LED-Lampe habe ich aus einer Pfefferminz-Blechdose aus der
Apotheke
gebaut. In der Dose ist außer der weißen LED ein
Batteriefach
für drei Mignonzellen, ein Schalter und ein Widerstand mit 39
Ohm.
Die Lampe ist sehr hell!"

Alex
Krasno(16) hat die folgende LED-Lampe in eine
Tic-Tac-Dose gebaut. Die Stromversorgung erfolgt über eine
Lithiumzelle
mit 3 V. In den Deckel ist ein Wippschalter eingebaut.

Von
Christoph Arndt (13) stammt die folgende LED-Lampe:
"Das Gehäuse, den Taster und den zweipoligen Umschalter habe
ich mir bei Conrad gekauft, und die 3500mcd starke blaue LED, 9-Pol
Steckerleiste
und drei 1,2-V-Knopfzellenakkus bei Reichelt Elektronik. Der Umschalter
dient zum Umschalten zwischen Normalbetrieb und Laden. Die
Betriebsspannung
der LED beträgt 3,6V (3x 1,2V). Besonderheiten:
Wiederaufladbar, sehr
lange Lebensdauer, leuchtet sehr lange, sehr hell"

Weitere Limks zum Thema LED-Lampen:
LED-Lampe mit Spannungswandler: www.jens-seiler.de/bastelecke/jarlight.html
Der LED-Spannungswandler: www.b-kainka.de/bastel36.htm
|