
| Start
Grundlagen |
|
| Ein beliebiges Drehspul-Messwerk kann durch geeignete Zuschaltung von Widerständen als Voltmeter oder als Amperemeter eingesetzt werden. In Vielfachmessgeräten schaltet man Messbereiche um, indem man entsprechende Widerstände umschaltet. Prinzipiell muss für ein Voltmeter ein Widerstand in Reihe geschaltet werden. Je größer der Widerstand, desto höher der Messbereich. Umgekehrt muss für die Bereichserweiterung eines Amperemeters ein kleiner Widerstand parallelgeschaltet werden. |
| Ein typisches Messwerk hat z.B. einen Endausschlag
bei 100 µA. Der Innenwiderstand beträgt z.B. 1000 Ohm. Ohne
einen Vorwiderstand wird daher der Endausschlag bei einer Spannung von
100 mV erreicht. Das Messwerk ohne zusätzlichen Widerstand bezeichnet
man auch als Galvanometer. Man kann es bereits als empfindliches Amperemeter
oder Voltmeter einsetzen.
|
Ein Messwerk als empfindliches Galvanometer
| Von einem guten Voltmeter verlangt man einen großen
Innenwiderstand, damit Messwerte nicht übermäßig verfälscht
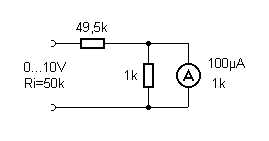
werden. Für eine Messbereichserweiterung auf 10 V muss der Gesamtwiderstand
für eine Messwerk mit 100 µA Vollausschlag 100 kOhm betragen.
Da der Innenwiderstand des Messwerks in Reihe mit dem Messwiderstand liegt, muss dieser nur 99 kOhm haben. |
| Allgemein ist es günstig, wenn ein Voltmeter
einen möglichst großen Innenwiderstand besitzt. Der erreichbare
Wert hängt von der Empfindlichkeit des Messwerks ab. Bei einem einfachen
Messwerk mit einem Bereich von 1 mA wird sich für den Messbereich
10 V nur ein Innenwiderstand von 10 kOhm ergeben, beim Messbereich 25 V
der Innenwiderstand 25 kOhm usw. Allgemein gibt man den Innenwiderstand
in diesem Fall mit 1 kOhm/V an, jeweils bezogen auf den Endausschlag eines
Messbereichs.
In guten Voltmetern findet man außer dem Reihenwiderstand in den meisten Fällen auch noch einen zweiten Widerstand, der parallel zum Messwerk geschaltet ist und damit praktisch die eigentliche Empfindlichkeit des Messwerks verringert. Dieser Parallelwiderstand dient der Dämpfung des Messwerks. Ein ungedämpftes Messwerk erschwert das genaue und schnelle Ablesen eines Messwerts nach jeder Änderung der Spannung durch Überschwingen und langes Ausschwingen des Zeigers. Mit einem Parallelwiderstand ergibt sich eine elektromagnetische Dämpfung des Messwerks. Die mechanisches Energie des schwingfähigen Systems aus Rückstellfeder und Zeigermasse wird durch Induktion in elektrische Energie überführt und im Parallelwiderstand vernichtet. Die Dämpfung darf nicht zu groß werden, damit sich der Zeiger noch angemessen schnell auf den Messwert einstellt. Für jedes Messwerk lässt sich ein optimaler Dämpfungswiderstand bestimmen. |
Voltmeter mit Dämpfungswiderstand
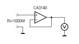
| Moderne Voltmeter bieten oft einen höheren Innenwiderstand von z.B. 10 MOhm. Dies ist nur mit zusätzlichen Verstärkern zu erreichen. Ein Messverstärker kann z.B. mit einem Operationsverstärker aufgebaut werden. Für spezielle Anwendungen kann man mit CMOS-OPVs fast unendliche Innenwiderstände erreichen. Diese Verstärker sollen allerdings nie mit offenem Eingang betrieben werden, weil sie dann irgendeine zufällige Spannung auch über der Messbereichsgrenze anzeigen können. |
OPV als Messverstärker
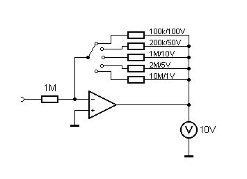
| Ein Messgerät für den allgemeinen Einsatz im Labor sollte einen gewissen Eingangswiderstand besitzen, weil damit gesichert wird, dass bei offenen Eingängen die Spannung Null angezeigt wird. Mit einem Operationsverstärker lässt sich erreichen, dass bei unterschiedlichen Eingangsbereichen immer derselbe Eingangswiderstand vorliegt. Man schaltet dazu Widerstände im Gegenkoppelzweig um. Es muss beachtet werden, dass der Verstärker die Spannung invertiert. Der OPV muss mit einer bipolaren Stromversorgung betrieben werden. Die Eingangsspannung des Messgeräts darf größer als die Betriebsspannung werden, da in der gegengekoppelten Schaltung die Spannung am invertierenden Eingang praktisch Null ist. Bei sehr empfindlichen Messbereichen muss die Offsetspannung des OPV abgeglichen werden. |
Ein Messverstärker mit umschaltbaren Messbereichen