|
Start
Experimente
- KW-Detektor
- Rückkopplung
- Röhrenradio
- C-Messung
- Kerzenradio
- Vierfachdrehko
- China-Besuch
Grundlagen
Produkte
Neues
Impressum
|
Der Kurzwellendetektor
- Fernempfang ohne Batterie -
|
Radio hören ohne Batterie oder eine andere
Energiequelle, das geht nur mit dem Detektorempfänger. Diese einfachste
aller Radioschaltungen hat daher über die Jahrzehnte nichts von ihrem Reiz
verloren. In der Frühzeit der Radiotechnik war der Detektorempfänger ein
verbreitetes Konzept. Heute ist er eher ein technisches Amenteuer
und zugleich ein guter Einstieg.
|
|
|

|
Die meisten Vorschläge zum Bau von Detektorradios
zielen auf den Empfang des Mittelwellen-Ortssenders. Hier dagegen geht es
gleich richtig zu Sache: Fernempfang auf Kurzwelle. Tatsächlich ist es auf
Kurzwelle sogar einfacher, die ersten Erfolge zu erzielen. Das hat mehrere
Gründe. Die Grundversorgung auf Mittelwelle bröckelt langsam ab, d.h. viele
Sender wurden abgeschaltet oder arbeiten nur noch mit kleinerer Leistung.
Der Grund ist klar, kaum noch jemand hört Mittelwelle, denn das UKW-Netz
bietet wesentlich mehr. Auf Kurzwelle dagegen ging es immer schon um große
Reichweiten, d.h. vor allem die Auslandsdienste der einzelnen Länder sind
hier zu hören. Der altbewährte AM-Rundfunk ist deshalb auf Kurzwelle so
aktiv wie eh und je.
Auf höheren Frequenzen
braucht man kleinere Spulen, die wesentlich leichter herzustellen sind.
Während eine gute Mittelwellenspule einen Ferritstab und schwer zu
beschaffende HF-Litze braucht, kommt man auf Kurzwelle mit etwas isoliertem
Kupferdraht aus. Ein spezieller Spulenkörper mit Ferritkern ist nicht
erforderlich, sondern man kann irgend einen
isolierenden Körper nehmen. Für den ersten Versuch soll eine Spule mit
insgesamt 25 Windungen und vier Anzapfungen gewickelt werden. Als
Wickelkörper wurde die 8 mm dicke Isolierhülse eines Bananensteckers
verwendet. Ebenso gut geeignet ist z.B. ein Stück von einem Kugelschreiber.
Zwei Löcher im Abstand 1 cm helfen die Drahtenden zu fixieren. Es werden
dann jeweils 5 Windungen gewickelt, eine Schlaufe verdrillt und die
folgenden Windungen aufgetragen. Die fertige Spule wird an einen Abschnitt
Pfostenstecker mit sechs Kontakten gelötet.
|
|
|

|
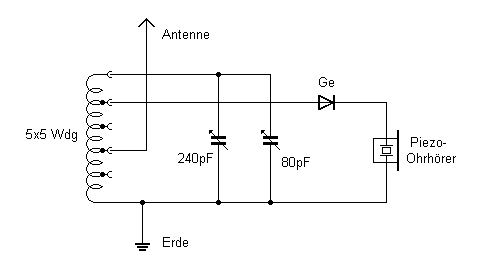
Das ganze Radio soll auf einem Experimentiersteckfeld
aufgebaut werden. Auch der Drehkondensator wird deshalb mit Pfostensteckern
verlötet. Beide Teile lassen sich dann sehr leicht auf dem
Experimentierboard aufsetzen. Es fehlt nur noch die Diode und eine
Kopfhörer-Anschlussbuchse mit angelöteten Verbindungsdrähten. Der Vorteil
dieser Aufbautechnik besteht vor allem darin, dass man sehr leicht andere
Schaltungsvarianten ausprobieren kann.
|

|
Für den Detektor eignet sich entweder eine
Germaniumdiode (AA112, AA118 usw.) oder eine Schottkydiode (BAT41, BAT43
usw.). Bei der Verwendung eines Piezo-Ohrhörers muss beachtet werden, dass
der Hörer sich wie ein Kondensator so weit
aufladen kann, dass die Diode sperrt. Eine Germaniumdiode besitzt immer
genügend Sperrstrom, um den Gleichstromanteil abzuleiten. Eine
Schottkydiode dagegen erfordert einen zusätzlichen Widerstand von 100 k
parallel zum Ohrhörer. Der Widerstand ist nicht nötig, wenn ein dynamischer
Kopfhörer oder ein Übertrager angeschlossen wird.
Als Antenne eignet sich am
besten ein frei aufgehängter Draht mit 10 m Länge. Aber auch ein kürzerer
Draht von 3 m Länge, der möglichst hoch im Zimmer ausgespannt wird, reicht
bereits für erste Erfolge. Bei vorsichtiger Abstimmung des Drehkos findet
man zu jeder Tageszeit mehrere Sender, die ausreichend laut gehört werden
können. Oft sind in einer Einstellung zwei oder drei Sender gleichzeitig zu
hören. Die auf Kurzwelle üblichen Schwankungen der Feldstärke führen dazu,
dass mal der eine und mal der andere Sender klar hervortritt. Die einzelnen
Rundfunkbänder sind zwar klar zu trennen, nicht aber nahe beieinander
liegende Sender. Die Trennschärfe ist also noch nicht optimal.
Die im Schaltbild verwendeten
Anzapfungen sind nur grobe Richtwerte. Man sollte also versuchen, das
Optimum an Lautstärke und Trennschärfe zu finden, was in der beschriebenen
Aufbautechnik leicht durchführbar ist. Dabei gelten folgende Faustregeln:
Tiefere Anzapfungen für Antenne und Diode verbessern die Trennschärfe,
verringern aber u.U. die Lautstärke. Je länger die Antenne ist, desto
tiefer muss die Antennenanzapfung liegen. Eine zu hoch gewählte
Antennenanzapfung kann die Lautstärker verringern und führt zu einer
schlechten Trennschärfe. Diese Zusammenhänge lassen sich experimentell
leicht nachvollziehen.
|
Hinweise zur
Bauteilebeschaffung: Die Firma AK MODUL-BUS bietet für diese Versuche und
ähnliche Versuche einen passenden Drehkondensator mit Drehknopf an. Ebenfalls
erhältlich ist das verwendete Laborsteckboard, das übrigens auch im
"Lernpaket Elektronik-Experimente" von Franzis enthalten ist.
Bestellung im Online-Shop von
AK-Modul-Bus: www.ak-modul-bus.de
Siehe auch: Kleine Spulenkunde in der Bastelecke
Schwingkreis-Rechenprogramm von Johannes Jakob: Spulen_Schwingkreise.zip (246 KB)
Nachtrag
von Jens-Peter Gärtner: Detektor als Spektrum-Analyzer

Der Versuch verwendet einen mit
Kapazitätsdioden abgestimmten Detektor und einen Sägezahngenerator für die
Darstellung eines Frequenzspektrums am Oszilloskop.
Spektrum.pdf (362 KB)
Nachtrag von K.- Heinz Entrich:
Der linke Transistor im PDF-Schaltbild sollte ein PNP-Transistor sein.
Nachtrag
von Markus Bindhammer: Das Brennstoffzellen-Radio

Aufbau und Schaltung: bradio.pdf (50 KB)
Weitere Fotos: bradio2.pdf (406 KB)
Mit desem
Projekt gewann Markus Bindhammer den ProSieben-Wissenspreis 2005 in der Kategorie "21
plus". Wir gratulieren!
Siehe auch: Das Schrittmotor-Radio smotorradio.pdf (164 KB)
Erfinder-Wettbewerb: Wer betreibt ein Radio mit einer
Kerze?

Video: https://youtu.be/Cy9AfhxHjDo
|
Herzlichen Dank an Ludger Lorych
für die Fotos und die Erklärung zu seinem Eigenbau-Stirlingmotor:
Fotos und Funktionsbeschreibung: Stirling.pdf (1111 KB)
Dieser Motor war der Anlass für einen Wettbewerb:
Wer baut als erster ein Radio, das mit einer
Kerze oder einem Teelicht betrieben wird?
Es gibt sehr viele
Möglichkeiten, die man ausprobieren könnte: Außer dem Stirlingmotor
ist vielleicht ein thermoelektrischer Generator möglich, oder eine Windrad
mit Gleichstromgenerator, oder eine Fotozelle, die von der Kerze
angestrahlt wird, oder eine ganz neue Maschine, die bisher noch keiner
kennt...
Bedingungen für die Teilnahme
am Wettbewerb:
1. Das Radio muss tatsächlich funktionieren und darf seine Energie nur von
der Kerze beziehen.
2. Die Energiemaschine darf nicht lauter als das Radio sein (Kopfhörer
erlaubt).
3. Das Gerät muss mit Text und Fotos dokumentiert werden.
4. Wer als erster einen vollständigen Beitrag einsendet, gewinnt.
5. Die Firma AK MODUL-BUS stiftet dem Gewinner einen Warengutschein im Wert
von 100 Euro.
6. Alle Beiträge werden in Elexs vorgestellt.
30.7.06: Der Gewinner ist
Michael Hartz, der ein Teelicht und eine Solarzelle verwendet hat.
|
|