| Start
Experimente
- RFID
- Modulation
Grundlagen
Produkte
Neues
Impressum
|
RFID-Modellversuch

| RFID-Karten (Radio
Frequency Identification), wie
sie z.B. bei der Fußball-Weltmeisterschaft als
Eintrittskarten verwendet
wurden, arbeiten mit 13,56 MHz. Das Prinzip soll hier mit einem
vereinfachten
Modell veranschaulicht werden. Der selbst gebaute RDID-Transponder
besitzt
nur eine Informationsmenge von einem Bit, funktioniert aber sonst
ähnlich
wie die richtigen Tags. Insbesondere die Energieversorgung und die
Lastmodulation
sind dem Original nachempfunden.
Als erstes braucht man einen kleinen HF-Sender mit
einer Frequenz von
13,56 MHz. Hier wurde eine Schaltung aus dem Franzis-Lernpaket Tesla-Energie
nachgebaut, das ebenfalls auf 13,56 MHz arbeitet. Der Quarz
ist aber auch einzeln zu bekommen.
|

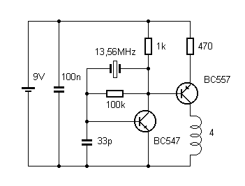
Der Sender
| Die Sendespule mit vier
Windungen erzeugt ein kräftiges
HF-Feld, aus dem der Transponder seine Energie bezieht. Im Eingang der
Schaltung liegt ein abgestimmter Schwingkreis, dessen HF-Spannung
gleichgerichtet
wird. So erhält man bei Annäherung an den Sender die
Betriebsspannung
von ca. 3 V für die nachfolgende Schaltung. Sie besteht hier
aus einem
CMOS-Frequenzteiler mit dem Teilerverhältnis 10. Am Ausgang
des ICs
liegt eine Rechteckspannung mit 1,356 MHz und einem
Tastverhältnis
von 1 : 10. |

Der Transponder
| Die herunter geteilte
Frequenz steuert einen Transistor
an, der für eine Lastmodulation des Antennensignals sorgt. In
jeder
zehnten Periode des Eingangssignals wird er leitend und entzieht dem
Schwingkreis
Energie, aber nur so viel, dass der Teiler an seinem Takteingang noch
genügend
Eingangsspannung erhält. |

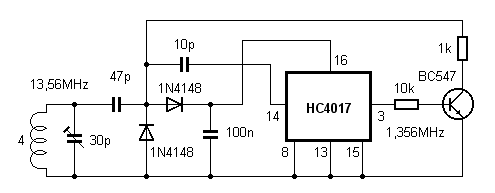
Das lastmodulierte Signal am Kollektor
| Durch die periodische
Dämpfung des Schwingkreises
mit einer Frequenz von 1,356 MHz entstehen Seitenbandsignale bei 13,56
MHz - 1,356 MHz = 12,204 MHz und bei 13,56 MHz + 1,356 MHz = 14,916
MHz.
Diese Signale kann man nun mit einem normalen
Kurzwellenempfänger
empfangen. Für den Versuch wurde der DRM-Empfänger
verwendet. Stellt man den Empfänger auf 12,204 MHz ein, ist
auch bei
eingeschaltetem Sender zunächst kein Signal zu erkennen.
Bringt man
die Empfangsspule des Transponders dann auf etwa 1 cm an die Sendespule
heran, entsteht plötzlich ein Träger. Das neue Signal
erscheint
gerade dann, wenn die Versorgungsspannung für den HC4017
ausreicht.
Im Prinzip könnte man nun mit dem Empfangssignal einen Ausgang
schalten
und z.B. ein Tür öffnen. |

Das Seitenbandsignal, empfangen mit DREAM
Literaturhinweis: Die Zeitschrift Elektor
beschäftigt sich im Septemberheft 2006 mit dem Thema RFID. Mit
den
Heft wird ein funktionsfähiger RFID-Chip ausgeliefert.
Außerdem
werden RFID-Leser als Bauprojekte beschrieben.

|