
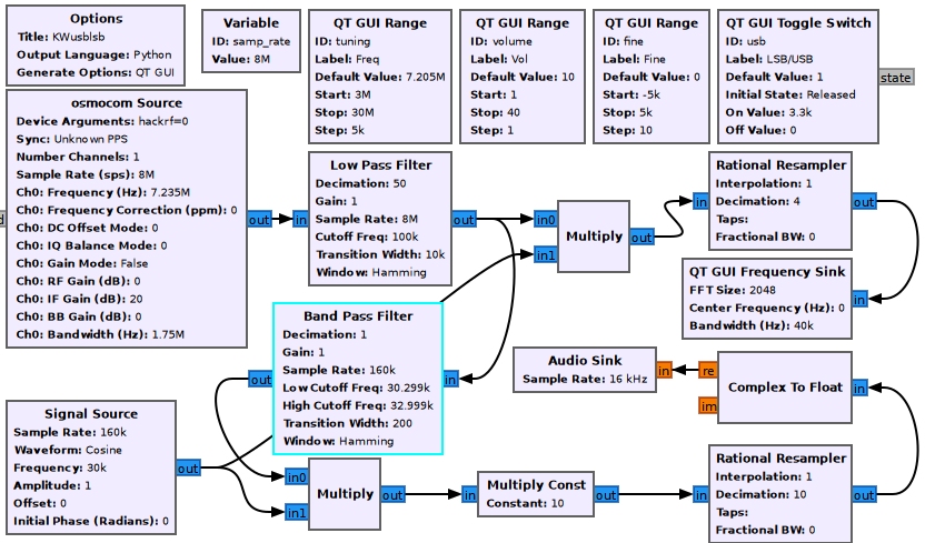
SSB-Filter mit GNU Radio
Ältere
SSB-Transceiver verwenden oft ein Quarzfilter mit einer
Filterbandbreite von 2,4 oder 2,7 kHz. Dazu gibt es zwei Quarze für den
Überlagerungsoszillator, einen für USB und einen für LSB. Später hat
man Wert darauf gelegt, dass die angezeigte Frequenz die des
unterdrückten Trägers ist. Dazu blieb der Oszillator gleich, aber es
musste zwischen zwei Quarzfilter umgeschaltet werden. Genau dieses
Verfahren wird auch hier eingesetzt. Allerdings wird ein Bandpassfilter
verwendet, dessen Grenzfrequenzen für LSB und USB umgeschaltet werden.
Der Filteraufwand wird unzumutbar hoch, wenn die Mittenfrequenz sehr
hoch und die Bandbreite sehr klein ist. Um die Belastung des Rechners
gering zu halten wurde die Zwischenfrequenz diesmal auf 30 kHz gelegt,
wie es auch bei einige kommerziellen Empfängern aus der Anfangszeit
gemacht wurde. Der Überlagerungsoszillator (BFO) liegt immer auf 30,0
kHz. Das Filter lässt bei USB 30,3 kHz bis 33 kHz durch. Bei LSB wird
es über den Toggle Switch um 3,3 kHz nach unten verschoben und lässt 27
kHz bis 29,7 kHz durch. Die Filtersteilheit beträgt 200 kHz an beiden
Flanken.
Am HackR One wurde eine Abtastrate von 8 MHz eingestellt. In einem
ersten Tiefpassfilter werden nur die unteren 100 kHz herausgefiltert
und zugleich die Abtastrate um den Faktor 50 verringert. Der BFO und
das SSB-Filter arbeiten daher mit einer Abtastrate von 160 kHz, was
auch wieder zur Reduzierung des Rechenaufwands nötig ist. Das mit dem
BFO-Signal gemischte Signal ist bereits das fertige NF-Signal. Es wird
über den Multiplizier in der Laufstärke verstellt, dann noch einmal um
den Faktor 10 dezimiert und als Real-Signal an die Soundkarte mit 16
kHz übergeben. Ein zweiter Empfangszweig umgeht das SSB-Filter und
stellt das Spektrum in der FFT-Anzeige dar.
Hier wurde eine LSB-Station bei ca. 7079 kHz empfangen. Unterhalb sieht
man den FT8-Kanal, der allerdings USB verwendet. Um FT8 zu empfangen
muss man also auf USB umschalten und die Frequenz 7074 kHz einstellen.
So
erscheint das typischen Pfeifen vieler unabhängiger FT8-Stationen, die
sich auf einer SSB-Bandbreite zusammenfinden. Zur Dekodierung kann
WSJT-X verwendet werden. In diesem Fall wurden die Signale akustisch
übertragen. Das Mikrofon stand relativ nahe am Lautsprecher. Ob wohl
auf diesem Weg vermutlich gewisse Verluste entstehen, konnten
zahlreiche Stationen klar dekodiert werden. Die teilweise sehr guten
Störabstände bis +6dB zeigen, dass der Empfänger vollwertig einsetzbar
ist.