
SAQ-Transistorempfänger Quarzsynchronisiert
von Jens Romeikat
Der historische Maschinensender mit dem Rufzeichen SAQ in
Grimeton/Schweden braucht nicht weiter vorgestellt zu werden. Er sendet
in einem recht freien VLF-Bereich auf 17,2 kHz, der nächste
Marinesender ist das RDL-System aus Russland auf 18,14 kHz. Hier werden
in größeren Abständen Morsezeichen gesendet, und das macht ihn für
Testzwecke besonders interessant. Dicht benachbart, etwa 100 Hz höher,
HWU aus Frankreich.
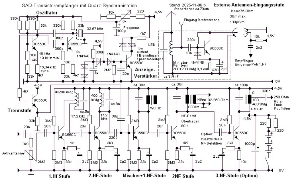
Der hier vorgestellte Empfänger arbeitet nach dem Geradeaus-Prinzip.
Ein Überlagerer ist notwendig: Die Differenz des mit den Morsezeichen
anliegenden Empfangssignals (17,2 kHz) und der Überlagerer-Frequenz
(hier ca.16,4 kHz) ergibt nach Mischung einen hörbaren Ton von ca. 800
Hz. Morsezeichen ("cw") werden mit schmaler Bandbreite gehört, je
schmaler, desto mehr Störsignale werden ausgeblendet und desto ruhiger
erscheint das Nutzsignal. Jedoch wird auch die Einstellung kritischer,
denn z.B. Fehleinstellung des Überlagerers von 200 Hz bedeutet
Unhörbarkeit von SAQ bei schwierigen Empfangsbedingungen. Das
geschwächte Signal geht im Störpegel schlichtweg "unter" Deshalb wird
hier ein Uhrenquarz (32,768kHz) eingesetzt, eine LED zeigt an, wenn die
Frequenz "stimmt". Der Quarz stellt einen Schwingkreis mit extrem hoher
Güte dar. Er ist in den Oszillator-Kreis eingebunden ("gekoppelt"). Es
ist ein sogenannter "astabiler Multivibrator". Dieser erzeugt keinen
reinen "Sinus" von nur einer Frequenz, sondern ein "Sägezahn"-ähnliches
Signal. Das beinhaltet auch kräftige Anteile von Schwingungen doppelter
Frequenz.
Es tritt nun die Eigentümlichkeit auf, dass bei Verkopplung mit dem
Quarz dessen extrem stabile Frequenz dem auf halber Frequenz
schwingenden Oszillator in erstaunlich weiten Grenzen aufgeprägt wird,
wenn die Dimensionierung der Bauteile passend gewählt wird. (Hier durch
Versuch ermittelt) Gleicht man den NF-Filter ("Tonsieb") mit der
Empfangsfrequenz von 17,2 kHz ab, so spielt die genaue Quarzfrequenz
keine Rolle. Es kann eine sehr hohe Selektion erzielt werden, denn SAQ
hat nur eine geringe Abweichung von typisch maximal +-10 Hz und der
synchronisierte Empfänger arbeitet mit Quarzgenauigkeit.
Das Prinzip ist einfach: Der Antennenstab der selbstgebaute
E-Feld-Stabantenne nimmt die elektrischen Feldlinien in etwa 3
bis 4 m Höhe auf. Die Koax-Zuleitung befindet sich auf niedrigerem
Potential und stellt mit >8 m Länge das Gegengewicht. Aufgrund des
angeschlossenen Resonanzkreises erfolgt die erste "Weitab-Selektion"
mit Unterdrückung starker Marine-Sender ("Rhauderfehn"). Es folgen im
Empfänger eine oder zwei 17,2 kHz HF-Stufen zur weiteren Verstärkung
und Selektion. Es gilt, die "Spiegelfrequenz" von 15,6 kHz zu mindern
und trotzdem RDL empfangen zu können. In der ersten NF-Stufe wird das
17,2 kHz-Signal mit dem 16,4 kHz (ca.) Oszillatorsignal auf die Basis
des ersten NF-Transistors gegeben. Der Emitter-Widerstand ist durch
Elko wechselstrommäßig überbrückt, an der gekrümmten Kennlinie des
Transistors entsteht die Hörfrequenz von ca. 800 Hz als Mischprodukt.
Diese Stufe und die nachfolgenden NF-Stufen sind für diese NF-Frequenz
resonant. So wird die "Nahselektion" bewirkt, welche die Trennung naher
benachbarter Störsignale möglich macht. (Im Prototypen ist unter 17,0
kHz und über 17,4 kHz praktisch nichts zu hören)
Stichworte zur Schaltung:
Stromversorgung: 3x 1,5V "AA" , Verbrauch etwa 1mA
NF: Mindestens zwei NF-Resonanzstufen empfehlenswert. Verstärkung
individuell über Serien-C zum Emitter-Überbrückungs-Elko. Gängige
NF-Ferrit-Übertrager haben meist N27-Material. Mit MKP oder
FKP-Folienkondensatoren auf Hörfrequenz gebracht. 20 nF bis etwa 100 nF
parallel bringen recht schmale Bandbreite, mit 2 NF-Stufen wird RDL
vollkommen unterdrückt. (Piept ansonsten nervig mit ca. 1800 Hz.) Für
HF-Stufen Ferrit wegen recht hoher Temperaturabhängigkeit nicht
empfehlenswert. (Ausnahme: externe Aktivantenne)
Im Prototypen: Kopfhörer-Stufe aus selbstgewickeltem kleinen
Ferrit-Übertrager, 600 Windungen. Anzapfung für 4000-Ohm oder 250
Ohm-Hörer bei 100 wdg. (für niederohmige Hörer Übersetzung ca.1:60
passend). Die ersten beiden NF-Resonanzstufen etwas gegeneinander
verstimmt für flacheren Verlauf der Gesamt-NF-Resonanzkurve.
Mischstufe: Die erste NF-Stufe arbeitet als Mischer, deshalb
Emitter-Widerstand mit C überbrückt. Nutzsignal über 220 pF,
Oszillatorspannung (ca 1Vpp) über 38p Keramik 2%.
HF-Stufen: Spulen aus "grünen" China Mangan-Zink Ringkernen hoher
Permeabilität. Etwa 20 mm bis 25 mm Durchmesser, 400 bis 600 Windungen
0,1 mm Kupferlackdraht.
Herstellung: Kerne mit Seitenschneider in zwei Hälften aufbrechen.
Kerne bewickeln. 2x Zwischenlage Teflon (PTFE) für "Luftspalt" zwischen
den beiden Hälften. (Stichwort "Scherung") Mit einigen Wicklungen
Teflon umwickeln und dann mit Zwirn und Klebstoff dauerhaft fixieren.
Die 6dB-Bandbreite ("halbe Spannung") beträgt etwa 600 Hz im Prototypen
pro Stufe. RDL kann so noch empfangen werden, allerdings mit
Atmosphärischen Störungen: Die auf 17,2 kHz abgestimmten Vorkreise sind
für die Spegelfrequenz von hieretwa 18,14 khz – 2 x 800 H z= 16,54 kHz
günstiger abgestimmt.
Die Kreise: Die kleinen Ferrit-EE-Kerne für Leistungs-Anwendungen haben
meist N27 oder ähnliches Material hoher Pemeabilität. Der AL-Wert wird
oft dadurch bestimmt, dass ein oder beide Mitteljoche etwas
zurückgesetzt sind und so ein Luftspalt gebildet wird, welcher den
magnetischen Fluss vermindert. Hier kann man ansetzen, Beispiel soll
die im Prototypen benutzte aktive Stabantenne sein:

Ein kleiner EE-Ferritkern wurde im Werkstattofen auf 170°C geheizt, das
macht bei den meisten Übertragern den Kleber weich. Die beiden
Kernhälften wurden dann mit der Zange vorsichtig aus dem Wickelkörper
herausgezogen. Eine E-Hälfte hatte ein zurückgezogenes Mitteljoch,
Ursache für den geringen AL-Wert. Diese Kernhälfte wurde auf feinem
Schmirgelpapier auf planer Fläche geschliffen, bis der Luftspalt
zwischen beiden Kernhälften kaum noch sichtbar war. Mit 2 x 200
Windungen waren dann etwa 3,4 nF erforderlich, um auf 17,2 kHz zu
kommen. Passt! Wegen der geringeren Temperaturabhängigkeit und weil man
die aufgebrochenen Ringkerne gut bewickeln kann, wurde zu den "grünen"
Mg-Zn-Ringkernen übergegangen. Die im Prototypen sind aus
Schaltnetzteilen, sie werden auch massenweise im Netz angeboten.
Bedienung:
Es sind nur 2 Bedienelemente vorhanden: Der HF-Regler, um
Übersteuerung bei der hohen Verstärkungsziffer des Empfängers zu
vermeiden und die Frequenzeinstellung des Oszillators. Dieser steht
zunächst auf Linksanschlag, der Oszillator schwingt dann sicher an. Das
Poti wird dann nach rechts in Richtung höherer Frequenz gedreht. Wenn
die HF-Selektion nicht zu scharf ist, kann man hier "im Norden" RDL und
HWU hören. (Ob die senden, kann im WEB-SDR "Uni Twente" überprüft
werden.) Dann wird das Poti langsam nach links zurückgedreht. Im
Fangbereich beginnt die LED zu leuchten, die Oszillator-Frequenz ändert
sich nun nicht mehr. Die LED wird zunehmend heller, bis der
Haltebereich verlassen wird und der Oszillator auf etwa 15,6 khz
springt. Im Haltebereich ist eine Fehleinstellung des Empfängers
ausgeschlossen, denn HF-Vorkriese und NF-Tonsieb sind fest
vorabgeglichen.
Sonstiges: Optimierungen der Schaltung sind natürlich noch möglich: Der
Transistor der zweiten HF-Stufe bedämpft den Kreis, es ist besser, ihn
an einen Spulenabgriff zu legen wie in der ersten Hf, welche danach
aufgebaut wurde. In der NF war das auch nicht möglich, weil nur eine
passende Wicklung vorhanden war. Übliche 1:1 600 Ohm-Übertrager z.B.
haben zwei Wicklungen, die in Serie geschaltet werden können. Gelötet
wurde mit hochwertigem, niedrigschmelzendem Elektronik-Lot Sn60Pb40
(Vellemann,nl) Eine Alternative zu der hier gewählten E-Feld-Antenne
wäre eine Spulenantenne. Diese hier hat sich gut bewährt, denkbar wäre
eine kleinere Version speziell für den mobilen Batterie-Betrieb (SAQantenne).
Das Projekt ist an dieser Stelle ebenfalls beschrieben, mit
Tonaufnahmen. Im Dezember kommt dann noch ein Empfangsbericht hinzu: https://www.wumpus-gollum-forum.de/forum/thread.php?board=47&thread=22#1
Dazu wurden die HF-Durchlasskurve und darüber die wesentlich schmalere
Nf-Durchlasskurve gezeichnet. Für SAQ kann man ggf. auf die
Synchronisation verzichten und die Oszillator-Frequenz auch 800 Hz
oberhalb der 17,2 kHz legen. Die Spiegelfrequenz von 18800 wird durch
die HF-Selektion stark geschwächt. Bei RDL dagegen ist auf die
Vorselektion verzichtet. Hier zeigt sich die Wirksamkeit des
NF-Filters: Zum einen wird, wenn man 3 Ferrit-Übertrager verwendet, HWU
ausreichend geschwächt, was auch schon eine Nummer für sich ist. (Das
Twente-SDR hat da Schwierigkeiten, die Kiwi-Web-SDR scheinen der
Aufgabe besser gewachsen zu sein). Beim Kiwi kann man es in noch
höherer Auflösung sehen: GQD sendet auf 19500 khz bis etwa 19650 kHz.
Die Spiegelfrequenz für RDL auf 18140 Hz liegt 2x800 Hz höher, auf
19740 Hz. Das reicht für ausreichende Unterdrückung durch das Tonsieb
aus.
Weitere Links:
"Antenne und Erde", Dr. Fritz Bergtold, Funkschau 1936 / Heft 21 (Artikelserie) https://www.bastel-radio.de/funkschau-die-20er-und-30er-jahre (Heft auf archive.org)
Nachtrag:
Der Empfänger hat mittlerweile eine Verbesserung bei der
Versorgungsspannung des Oszillators erhalten, es ist an dieser Stelle
nachgetragen: https://www.wumpus-gollum-forum.de/forum/thread.php?board=47&thread=22&page=1
Wie bei anderen Aufbauten auch, brachte eine abgestimmte Rahmenantenne
wieder bessere Ergebnisse. Es wurde eine 40cm-Antenne für den Empfänger
gebaut. https://www.wumpus-gollum-forum.de/forum/thread.php?board=47&thread=22&page=2#10