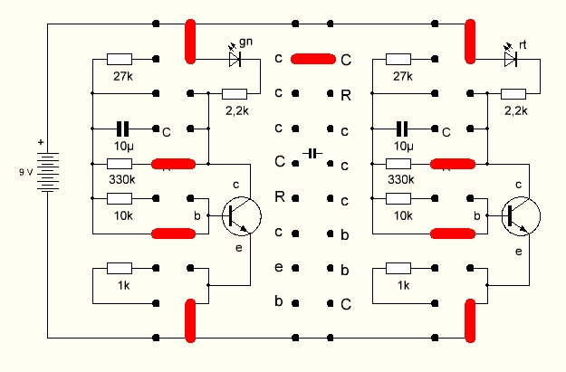
Hochfrequenz-Generator

Die
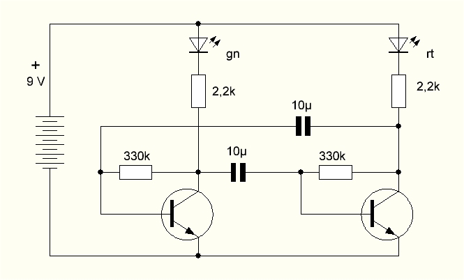
Schaltung ist aus einem leicht veränderten langsamen Wechselblinker
nach Kap 10.7 entstanden. In der Form entsteht ebenfalls in langsames,
abwechselndes Blinken.
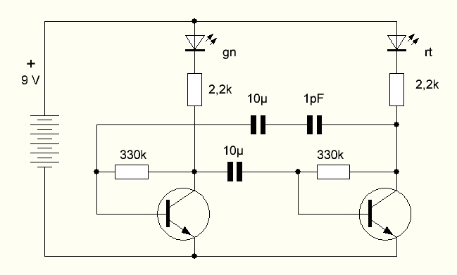
Dann
wird eine der beiden Verbindungen C-c geöffnet. Die beiden Jumper-Pinne
bilden aber einen ganz kleinen Kondensator mit einer geschätzten
Kapazität von 1 pF. Am Oszilloskop sieht man ein Signal bei rund 250
kHz. Die Frequenz wird allerdings durch die Messung stark beeinflusst.
Am
besten legt man die Platine direkt auf ein Radio, möglichst nahe bei
der Ferritantenne. Dann sucht man auf Langewelle nach dem Signal oder
auf Mittelwelle nach einer Oberwelle. Wenn man dann mit dem Finger auf
die mittlere Kontaktleiste fasst, ändert sich der Ton. Manchmal erhält
man ein Pfeifen über einen weiten Frequenzbereich. Die Reichweite ist
allerdings sehr begrenzt. Man muss deshalb auch keine Störungen beim
Nachbarn befürchten, der ja meist gerade BBC auf 198 kHz hört.