Elektronik-Experimentiersystem
selbst gebaut

Das
Handbuch zum Lernpaket Grundschaltungen der Elektronik zeigt ja schon
viele Schaltungen, die man allein mit Jumper-Verbindungen aufbauen
kann. Aber könnte es nicht noch viel mehr geben? Jetzt sind
Sie gefragt! Fallen Ihnen da noch weitere Schaltungen ein und
können Sie die Sammlung von Grundschaltungen noch erweitern?
Alle
Aufbaubilder im Handbuch wurden mit Splan-7 gezeichnet. Es reicht auch
die Demoversion, solange man die Zeichnung nicht speichern muss. Das Ergebnis
kann man ja mit einem Screenshot festhalten. Hier meine Vorlage mit einem
kleinen Vorrat an Jumpern, die man ja noch kopieren kann. Man braucht sie nur
über die Kontakte zu ziehen, fertig ist der Aufbau.
Dem Lernpaket liegen ja noch ein paar Kabel bei, mit denen man beliebige
Verbindungen herstellen kann. Bisher habe ich ganz darauf verzichtet, auch im
Handbuch. Aber natürlich eröffnen sich damit ganz neue Möglichkeiten, auch für
Verbindungen nach außen. Bestimmt haben Sie die richtigen Ideen.
Und auch der Eigenbau des ganzen Systems ist ein Thema des Wettbewerbs. Wer hat
den besten oder den schönsten Nachbau? Wie ist es möglichst kostengünstig zu
realisieren? Auch eine Lösung mit Steckplatinen ist denkbar, wobei die Bauteile
immer am gleichen Ort bleiben und nur die Verbindungen geändert werden. Oder
man übernimmt nur die Anordnung der Bauteile rund um ihren zehnpoligen
Stecker und verzichtet auf die mittlere Verbindungsleiste, sodass alle Verbindungen
zwischen den Blöcken mit Kabeln hergestellt werden.
Also machen Sie mit beim Oster-Schaltungswettbewerb 2017! Ich selbst bin den
März über nicht hier, sodass die Arbeit an der Homepage ruht. Aber ab April
freue ich mich auf Ihre Beiträge!
Teilnahmebedingungen
- Sie können die Platine aus dem Lernpaket oder einen Eigenbau mit gleicher Bauteile-Anordnung verwenden.
- Jeder Teilnehmer kann bis zu drei Beiträge einsenden.
- Beiträge bitte ab 1.4.17 an Kainka@elektronik-labor.de, Einsendeschluss ist der 30.4.17
Achtung, der Einsendeschluss wurde auf den 30.4.17
verschoben. Viele sind in Urlaub gefahren und hätten keine Chance mehr
gehabt, teilzunehmen. Aber Ende April müsste es gehen. Also wenn Sie
jetzt gerade unter irgendwelchen Palmen neue Schaltungen ausdenken,
haben Sie dann noch eine Woche Zeit, sie auszuprobieren.
Preise
Die
Preise des Wettbewerbs werden vom Franzis-Verlag zur
Verfügung gestellt. Die drei ersten Gewinner dürfen sich Bücher,
Bausätze oder Lernpakte im Wert von 100 Euro (1. Platz), 50 Euro (2.
Platz) und 25 Euro (3. Platz) im ELO-Shop aussuchen. Und für die weiteren Plätze habe ich noch drei bestückte Leerplatinen des Lernpakets:
Beiträge
Alarmanlage mit Überwachung der Meldeschleife von Holger Fritzsch
Hochfrequenz-Generator von Leander Hackmann
Nachbau und Grundlagen der Digitaltechnik von Wolfgang Triebig
Dual transistor tester with the BBC micro:bit by Jos van den Enden
Blinker mit variabler Blinkfrequenz von Hans-Hermann Stietenroth
LED Helligkeitssteuerung mit Bleistiftstrich von Hans-Hermann Stietenroth
Codeschloss von Holger Fritzsch
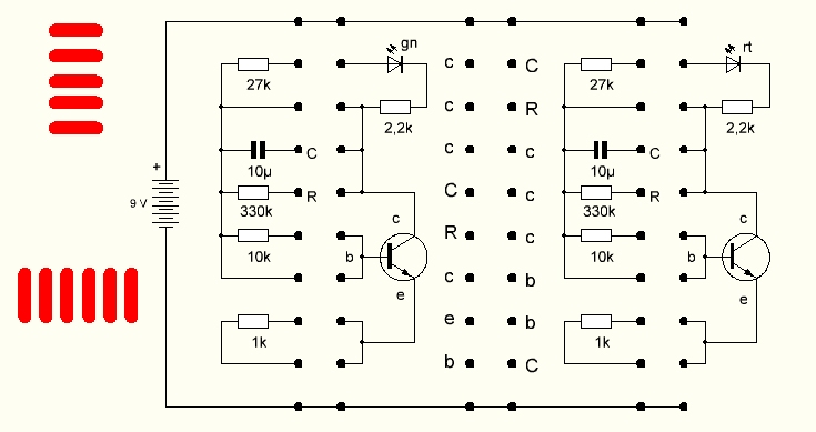
2-Kanal-Lichtorgel von G. Bungert
Differential amplifier with classic long-tailed pair by Jos van den Enden
Grundschaltungen Wechselspannungsverstärker von Wolfgang Triebig
Die Sieger
Die
Jury bestand aus Michael Büge und Burkhard Kainka. Wir haben versucht,
drei Kriterien anzuwenden: Kreativität und Nutzen des Projekts,
Qualität der Umsetzung und Qualität der Dokumentation. Einige
Gesamtwertungen lagen so dicht beieinander, dass wir uns entschlossen
haben den vierten Platz (SMD-bestückte Platinen) dreimal zu vergeben.
Wir danken allen Teilnehmern des Wettbewerbs und sagen herzlichen
Glückwunsch allen Siegern!
1. Platz: Nachbau und Grundlagen der Digitaltechnik von Wolfgang Triebig
2. Platz: Dual transistor tester with the BBC micro:bit by Jos van den Enden
3. Platz: Codeschloss von Holger Fritzsch
4. Platz: Hochfrequenz-Generator von Leander Hackmann
4. Platz: LED Helligkeitssteuerung mit Bleistiftstrich von Hans-Hermann Stietenroth
4. Platz: 2-Kanal-Lichtorgel von G. Bungert
Home Labor
Bastelecke
Elektronik-Experimente