Behausung für das Experimentierboard
und Blinker mit variabler Blinkfrequenz

Behausung
Die
Baugruppe ist fixiert mit 2-seitigem Klebeband. Die Batterie auf der
linken Seite ist in einer Streichholzschachtel-Hülle eingesteckt.
Zwischen Batterie und Schaltung ist ein Schalter angebracht. Für
Sonderbauteile ist ein Steckboard vorhanden.
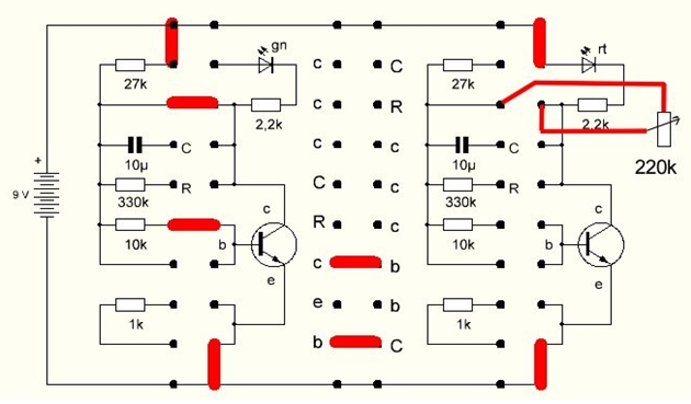
Schaltung des Blinkers
Mit dem Poti auf dem Steckboard kann die Blinkfrequenz geändert werden.
Aufbau