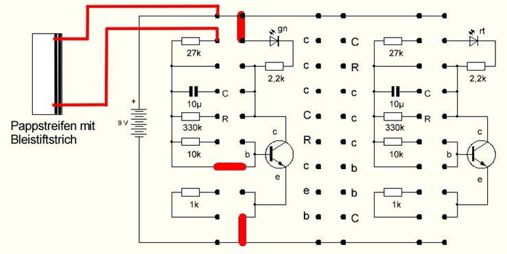
LED Helligkeitssteuerung mit 1 cm breiten Bleistiftstrich

 Beitrag zum Oster-Wettbewerb 2017 von Hans-Hermann Stietenroth
Home   Labor   Bastelecke   Elektronik-Experimente  Contest


Schaltung

Der Bleistiftstrich auf dem Pappstreifen ist 1 cm breit und 10 cm lang.

Schaltungsaufbau







Hell



Dunkel





Home   Labor   Bastelecke   Elektronik-Experimente  Contest