Nachbau und Grundlagen der Digitaltechnik 
Aufbau
Beim Aufbau habe ich mich im Wesentlichen an das Original gehalten. LEDs und Transistoren sind mit bedrahteten Bauteilen ausgeführt, die Widerstände und Kondensatoren sind in SMD ausgeführt. Lediglich die 47 Ω Widerstände sind ebenfalls als bedrahtete Bauteile ausführt, um im Kurzschlussfall dauerhaft die entstehende Leistung von über 400 Milliwatt je Widerstand verheizen zu können. Als Mangel empfinde ich die fehlende Abschaltmöglichkeit für die Batterie, diese habe ich durch zwei weitere Pfostenstecker ergänzt.
Da ich bisher keine Erfahrungen mit SMD-Bauteilen hatte, waren die Lötarbeiten für mich schon sehr filigran. Aber ich bin noch ohne Lupe ausgekommen. Die besten Ergebnisse habe ich erzielt, wenn ich zunächst eine Kupferfläche verzinnt habe und dann das SMD-Bauteil darauf „festgeklebt“ habe. Danach habe ich erst die zweite Seite verlötet und zum Schluss die erste Seite nach gelötet.

Die Platine habe ich dann zusammen mit einer Rohrschelle als Batteriehalter auf ein Reststück Plexiglas geschraubt. Zum Schluss noch vier Filzgleiter als Füße aufgeklebt so ist ein stabiles rutschfestes Gesamtsystem entstanden. Die ersten Tests habe ich mit Jumpern durchgeführt, die gerade in Griffweite waren. Dabei stellte sich heraus, dass Jumper mit „Griff“ wesentlich leichter zu hantieren sind.

Durch das Handbuch motiviert habe ich nicht nur eine Schaltung aufgebaut, sondern mit dem System eine kleine Einführung in die Digitaltechnik beschrieben.
Einführung in die Digitaltechnik
Zulässige Pegel
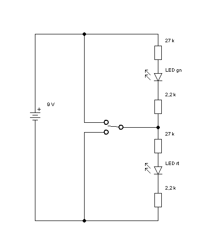
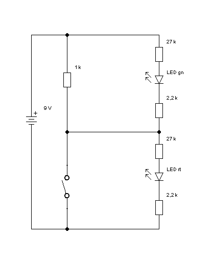
Im Gegensatz zur Analogtechnik, bei der jede Spannung zwischen Minimum und Maximum verarbeitet wird, sind in der Digitaltechnik nur die Zustände 0 und 1 zulässig. Der erste Versuch soll dies verdeutlichen. Die Schaltung besteht aus einer Reihenschaltung der beiden LED zusammen mit den beiden 27kΩ Widerständen als zusätzliche Vorwiderstände. Zwischen den beiden LEDs befindet sich eine Drahtbrücke als Schalter, die zunächst mit + verbunden ist. Eine Spannung nahe der Betriebsspannung wird als Pegel 1 definiert. Als Ergebnis sollte die rote LED leuchten und die grüne LED dunkel sein. Dies ist auch verständlich, da die grüne LED über die Widerstände an beiden Seiten mit + verbunden ist und damit keine Spannung an der LED anliegt. Wird die Drahtbrücke mit – verbunden leuchtet die grüne LED, während die rote LED dunkel ist.


Während des Umstecken der Drahtbrücke leuchten beide LED, da
der Strom durch beide LED fließen kann und keine LED überbrückt ist. Dieser
Zustand ist in der Digitaltechnik unzulässig, da jetzt weder Pegel 0 noch Pegel
1 anliegt. Auch bei der Verwendung von digitalen IC muss darauf geachtet
werden, dass keine offenen Eingänge vorhanden sind, da dadurch Fehlfunktionen
auftreten können.
Hoch- oder runterziehen?
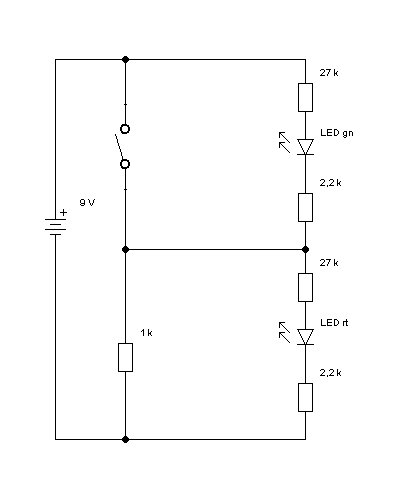
Die Schaltung wird gemäß Aufbauplan ergänzt, so dass die Drahtbrücke nur noch mit + verbunden ist. Über einen Widerstand von 1 kΩ wird die Verbindung nach - hergestellt. Jetzt sind immer eindeutige Signale vorhanden. Ist die Bücke gesteckt, liegt die LED-Kette an Pegel 1. Wird die Drahtbrücke gezogen, wird die LED-Kette über den zusätzlichen Widerstand nach Pegel 0 gezogen. Im Ergebnis wird immer nur eine LED leuchten. Solche Widerstände nennt man Pulldown, da sie eine offene Leitung (Schalter nicht gesteckt) nach Pegel 0 herunterziehen.


Natürlich lässt sich der Aufbau auch umkehren. In diesem
Fall wird die Brücke mit - und der Widerstand 1 kΩ mit + verbunden. Auch
jetzt ist immer ein definierter Zustand vorhanden. Da der Widerstand nun die
offene Leitung nach Pegel 1 hochzieht wird er Pullup genannt.


In der Praxis werden Widerstandswerte zwischen 10 und 100 kΩ verwendet.
NOT-Gatter
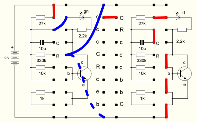
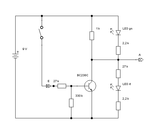
In der Digitaltechnik werden Baugruppen eingesetzt, bei denen das Verhalten des einen oder der mehreren Ausgänge von den Pegeln oder der Pegeländerungen der Eingänge abhängt. Solche Funktionsgruppen nennt man Gatter. Eines der einfachsten Gatter ist das NOT-Gatter. Es besteht im Wesentlichen aus einer Transistorstufe. Auf die Pullup- und Pulldown-Widerstände wird in diesen und den folgenden Beispielen verzichtet, um den Aufbau einfach halten zu können. Das eigentliche NOT-Gatter besteht aus dem Transistor, dem 27 kΩ Widerstand als Vorwiderstand und dem 1 kΩ Widerstand als Lastwiderstand. Der 330 kΩ sorgt dafür das der Transistor sicher sperrt.
Solange am Eingang E Pegel 0 anliegt, ist der Transistor gesperrt. Über den 1 kΩ Widerstand steht am Ausgang A Pegel 1 an. Die rote LED leuchtet. Wird der Schalter geschlossen, steht am Eingang E Pegel 1 an. Dadurch wird der Transistor durchgeschaltet und am Ausgang steht Pegel 0 an. Die grüne LED leuchtet. Das Gatter wechselt also den jeweiligen Eingangspegel in den gegensätzlichen Pegel. Daher auch der Name „Nicht-Gatter“ oder englisch NOT.


Die Abhängigkeit des Ausganges vom Eingang kann in einer Wahrheitstabelle dargestellt werden. Für jeden möglichen Zustand am Eingang wird das jeweilige Resultat am Ausgang angegeben.
|
NOT |
|
|
E |
A |
|
0 |
1 |
|
1 |
0 |
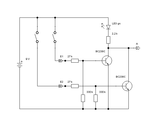
NOR-Gatter
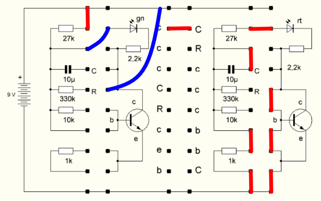
Das nächste Gatter hat zwei Eingänge. Die Schaltung ist eine Erweiterung der vorherigen Schaltung. Der zweite Transistor wird parallel zum ersten Transistor geschaltet. Damit hat die Schaltung zwei Eingänge. Am Ausgang wird auf die Anzeige des Ausgangspegels mit den LED verzichtet. Die grüne LED bildet zusammen mit dem 2,2 kΩ Widerstand den Arbeitswiderstand des Transistor.
Im Grundzustand ist die grüne LED dunkel. Sobald einer der beiden Schalter geschlossen wird, leuchtet die LED. Beim Nachmessen am Ausgang A stellt sich heraus, dass der Ausgang genau gegensätzlich arbeitet. Solange beide Eingänge Pegel 0 haben, ist der Ausgang Pegel 1. Wenn Eingang A oder Eingang B Pegel 1 führt, hat der Ausgang Pegel 0. Das Gatter hat daher die Bezeichnung NICHT-ODER, in englischer Kurzform NOR-Gatter.


Auch für dieses Gatter kann eine Wahrheitstabelle aufgestellt werden:
|
NOR |
||
|
E1 |
E2 |
A |
|
0 |
0 |
1 |
|
0 |
1 |
0 |
|
1 |
0 |
0 |
|
1 |
1 |
0 |
Messung
Am Ausgang A stellen sich ein Pegel 0 von etwa 0,04 Volt gegen Batterieminus und ein Pegel 1 von ca. 7 Volt gegen Batterieminus ein. Die Abweichung bei Pegel 1 kommt in unserem Aufbau von der LED, die auch bei niedrigsten Strömen ein Durchlassspannung hat. Das heißt, es muss immer einen Bereich unterhalb der Versorgungsspannung geben, der noch eindeutig als Pegel 1 erkannt wird und einen Bereich, oberhalb von 0 Volt, der als Pegel 0 erkannt wird.
NAND-Gatter
Diesmal werden die beiden Transistoren in Reihe geschaltet. Der Strom muss über die grüne LED mit Vorwiderstand durch beide Transistoren fließen. Damit die LED leuchtet, müssen beide Transistoren leiten, als mit Pegel 1 beschaltet werden. Wie schon beim NOR-Gatter ist der Pegel am Ausgang genau entgegensetzt zum Zustand der LED. Nur wenn beide Eingänge Pegel 1 erhalten, geht der Ausgang auf Pegel 0.

|
NAND |
||
|
E1 |
E2 |
A |
|
0 |
0 |
1 |
|
0 |
1 |
1 |
|
1 |
0 |
1 |
|
1 |
1 |
0 |
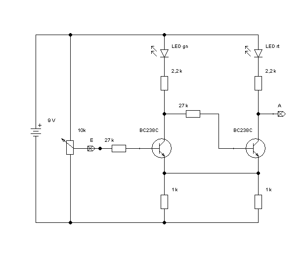
Aus Analog mach Digital
Werden Messwerte elektronisch erfasst, liegen diese meistens als analoge Werte vor. Zum Beispiel kann sich an einem Temperatursensor die Ausgangsspannung proportional zur gemessenen Temperatur verändern. Wie schon beschrieben, können solche Messwerte nicht direkt digital verarbeitet werden, sondern müssen erst in ein digitales Signal umgewandelt werden. Eine sehr einfach Form der Digitalisierung ist ein Schwellwertschalter. Der Wert wechselt je nach Eingangsspannung zwischen den Pegeln 0 und 1. Die hier beschriebene Schaltung wurde nach ihrem Erfinder Schmitt-Trigger genannt.
Zum Test habe ich einen Potentiometer aus einem Lernpaket an den Eingang geschaltet. Damit lassen sich sehr leicht verschiedene Eingangsspannungen einstellten.


Bei der Veränderung der Eingangsspannung wird der Ausgang, erkennbar an der roten LED, sprunghaft von einem zum anderen Pegel wechseln.
Messung
Steigt die Spannung über 2,6 Volt verlischt die rote LED. Sinkt die Eingangsspannung unter 1,8 Volt beginnt die rote LED wieder zu leuchten. Diesen Unterschied zwischen Ein- und Ausschaltpunkt nennt man Hysterese. Sie verhindert, dass bei einer Eingangsspannung genau auf dem Umschaltpunkt der Schmitt-Trigger nicht ständig zwischen den beiden Ausgangszuständen wechselt.
Durch Veränderung der Widerstandswerte kann das Schaltverhalten des Schmitt-Triggers dem jeweiligen Anwendungsfall angepasst werden.

Translation of this documentation into English by Juergen Pintaske: Digital DPAA German and English v3.pdf
Alternativer Aufbau: