Elektronik-Start, Sensorversuche
Die kombinierte Platine ermöglicht zahlreiche Varianten und Versuche. Hier soll eine sinnvolle Reihenfolge von Teilbestückungen und Grundversuchen vorgeschlagen werden. Das Ziel ist, dass dabei die Funktionen der einzelnen Bauteile klar werden. So lässt sich eine Art Elektronik-Einsteigerkurs mit nur einer Platine durchführen. Später werden dann mit der voll bestückten Platine auch tiefer gehende Experimente durchgeführt, die schon ein gewisses Grundwissen voraussetzen.
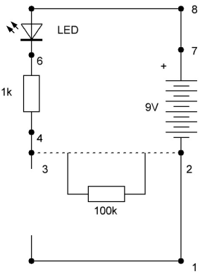
Zuerst soll nur die LED D1 und der Widerstand R4 mit 1 kΩ (Braun, Schwarz Rot) eingebaut werden. Zusätzlich ist ein Batterieclip
sinnvoll. Die Anschlussdrähte sind zur Zugentlastung durch die Befestigungslöcher
geführt, um einem möglichen Drahtbruch durch häufiges Knicken vorzubeugen.

Test mit Drahtbrücke
Nach dem Anschließen einer Batterie bleibt die LED zunächst aus, weil der Stromkreis noch nicht geschlossen ist. Erst mit einer Drahtverbindung zwischen Anschluss 2 und 3 geht die LED an. Später soll der rechte Transistor BC547B die Verbindung herstellen. Testweise kann der Kontaktdraht auch mit derselben Wirkung in die äußeren Lötlöcher für diesen Transistor gesteckt werden.
Statt eines Drahts kann man auch einen Widerstand einsetzen. Je größer der Widerstand, desto kleiner der LED-Strom und desto geringer die LED-Helligkeit. Mit einem Widerstand von 100 kΩ (Braun, Schwarz, Gelb) ist die Helligkeit zwar 100 Mal geringer, aber das Leuchten ist immer noch gut zu erkennen. Auch mit Widerständen über 1 MΩ erhält man noch etwas Licht, allerdings muss man es in einem abgedunkelten Raum betrachten, nachdem das Auge sich an die Dunkelheit gewöhnt hat. Bei einigen sehr effizienten LEDs kann man dann bis über 10 MΩ gehen.

Der Stromkreis
Wenn man Pin 2 und 3 gleichzeitig mit dem Finger berührt, fließt ebenfalls ein kleiner Strom. Es hängt vom Hautwiderstand, also hauptsächlich von der Hautfeuchtigkeit ab, ob der Strom für ein sichtbares Leuchten ausreicht. Oft ist bei Dunkelheit noch etwas zu erkennen. Mit einem angefeuchteten Finger fließt mehr Strom, sodass auch bei normaler Helligkeit etwas zu sehen ist.
Wer über ein einstellbares Netzgerät verfügt, sollte auch einmal die Betriebsspannung verringern und die Helligkeit bei geschlossener Verbindung 2-3 beobachten. Mit sinkender Spannung verringert sich die Helligkeit. Mit einer gelben LED wurde bei nur noch 3 V immer noch eine voll ausreichende Helligkeit gefunden. Unterhalb 1,7 V war die LED ganz aus. Das liegt an der typischen LED-Kennlinie, die weiter unten noch genauer untersucht wird. Die Versuche zeigen, dass man nicht auf eine Batterie mit 9 V angewiesen ist. Auch der Berührungssensor oder der Blinker kommen mit 3 V aus.
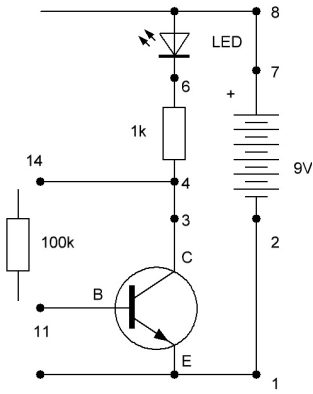
Nun soll der rechte Transistor eingelötet werden. Er liegt dann in Reihe zur
LED. Beim Einbau ist die Richtung wichtig. Das Gehäuse hat eine flache Seite,
die auf dem Bestückungsdruck erkennbar ist. Bei Draufsicht auf die Beschriftung
liegt rechts der Emitter E, in der Mitte die Basis B und links der Kollektor C.

Transistor-Test
Der Transistor ist nun eingebaut, aber die LED leuchtet zunächst noch nicht. Wenn man aber einen Widerstand mit 100 kΩ zwischen 11 und 14 setzt, geht sie an. Durch den Widerstand fließt nun ein kleiner Strom zur Basis des Transistors. Er wird kräftig verstärkt, sodass durch den Kollektor und den Emitter ein größerer Strom fließt. Damit ist die LED eingeschaltet. Zum Vergleich: Wenn der Widerstand von 100 kΩ den LED-Strom direkt leitet, ist das Licht sehr schwach. Wenn der Widerstand aber den Steuerstrom durch die Basis leitet, sorgt die Verstärkung durch den Transistor für volle Helligkeit. Die Stromverstärkung des Transistors wird weiter unten noch im Detail untersucht.
Auch die Hand kann wieder als Widerstand dienen. Berührt man gleichzeitig Anschluss 12 und 14, leuchtet die LED schon gut sichtbar, aber noch nicht voll. Die Schaltung ist also bereits ein Berührungssensor, der aber noch weiter verbessert werden soll.

Transistor und Basiswiderstand
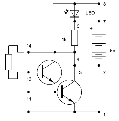
Nun soll ein weiterer Transistor für die Darlington-Schaltung eingebaut werden.
Weil nun ein sehr kleiner Strom gleich zweimal verstärkt wird, funktioniert der
Berührungssensor auch schon bei leichter Berührung mit einem sehr trockenen
Finger.

Finger als Basiswiderstand
Wenn man nur den Anschluss 13 berührt, kann die LED ebenfalls deutlich leuchten. Das mag verwundern, weil ja eigentlich kein Stromkreis geschlossen wird. Tatsächlich funktioniert das nur dann, wenn eine Wechselspannung angelegt wird, die durch die Nähe zu Netzleitungen aufgefangen wird. Durch die große Verstärkung werden auch solch schwache Signale sichtbar.

Die Darlington-Schaltung
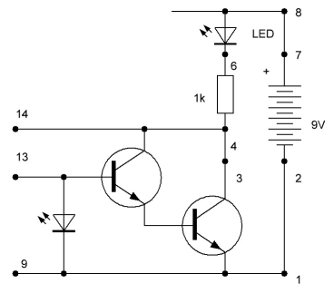
Eine Solarzelle ist eine großflächige Diode, die Licht in elektrische Energie
umwandeln kann. Der Aufbau ist ähnlich einer LED. Deshalb funktioniert eine LED
ebenfalls als Lichtsensor oder Energiequelle. Allerdings ist der LED-Kristall
sehr klein, sodass er nur von wenig Licht getroffen wird und nur sehr wenig
Strom liefern kann. Bei üblicher Innenbeleuchtung können Strome von wenigen
Nanoampere (nA) erzeugt werden. Die Leerlaufspannung ist allerdings wesentlich
größer als bei Si-Solarzellen und kann bis zu 2 V betragen.

LED als Lichtsensor
Nicht jede LED ist gleich gut als Lichtsensor geeignet. Man sollte daher einige LEDs durchtesten, indem man sie zwischen Anschluss 9 (Kathode, kurzer Draht) und 13 (Anode, langer Draht) anschließt. Oder man steckt sie provisorisch an die Position D2. Je heller die LED bei gegebenem Umgebungslicht leuchtet, desto besser ist die getestete LED als Lichtsensor geeignet. In diesem Fall hatte eine grüne LED am besten abgeschnitten und wurde fest eingelötet.
Die Schaltung ist weiterhin als Berührungssensor aktiv und kann auch wechselnde elektrische Felder anzeigen. Bei sehr schwachem Umgebungslicht sorgt die Sensor-LED für einen geringen Ruhestrom, der die Schaltung noch empfindlicher macht. Nun kann bereits eine Annäherung eines geladenen Gegenstands aus größerer Entfernung erkannt werden. Man kann sogar die Polarität der statischen Ladung erkennen. Wenn die LED 1 bei Annäherung heller wird, ist die Ladung positiv, wenn sie schwächer wird dagegen negativ.

Licht- und Berührungssensor

Kompakter Aufbau
Der Lichtsensor ist so einfach, dass man ihn auch frei verdrahtet aufbauen kann. Hier wurde ein Batterieclip aus einer verbrauchten 9-V-Batterie ausgebaut. Er diente nun als Träger für die Schaltung. Sie kann direkt auf eine Batterie aufgesteckt werden.