Elektronik-Experimentiersystem selbst gebaut
Elektronik kann man lernen wie Rechnen, Schreiben und Lesen, wenn man nur die Gelegenheit bekommt, sich ausführlich damit zu beschäftigen. Deshalb wurde ein kleiner Elektronik-Baukasten entwickelt, mit dem alles ganz einfach wird. Alle Bauteile sind aufgelötet und können nicht verloren gehen. Nur die Verbindungen müssen noch gesteckt werden, und schon hat man eine fertige Schaltung, ein funktionierendes Gerät.
Die fertige Platine hat drei Stiftleisten mit jeweils 2 x 10 Kontaktstiften. Auf die Stifte setzt man kleine Kontaktbrücken, die sich leicht wieder entfernen lassen. Man nennt sie auch „Jumper“, weil sie schnell und einfach hin- und her springen können. Nach einigen Versuchen kennt man das System in- und auswendig und kann blitzschnell neue Schaltungen aufbauen und eigene Ideen ausprobieren. Das geht viel schneller als mit dem Lötkolben oder mit einer Steckplatine. Und die Bauteile können nicht verloren gehen. Nur ein kleiner Vorrat an Jumpern muss immer in Reichweite liegen.
Die Bauteile wurden so angeordnet, dass allein mit den Steckbrücken mehr als 50 sinnvolle Versuche aufgebaut werden können. Und wahrscheinlich findet man noch viel mehr. Die wichtigsten Bauteile sind vorhanden, nämlich Leuchtdioden (LEDs), Widerstände, Kondensatoren und Transistoren. Wer diese Bauteile kennt und genau verstanden hat, kann auch eigene Ideen umsetzen und neue Schaltungen entwickeln.
Das Handbuch zeigt jeweils das Schaltbild und ein Aufbaubild mit allen Steckverbindungen. Wer nur mal ganz schnell etwas nachbauen möchte, kann sich an die Aufbaubilder halten. Damit hat man den schnellsten Erfolg, denn Fehler sind fast unmöglich, und der Aufbau geht wesentlich schneller als in anderen Systemen. Und das wichtigste ist, dass man niemals die Bauteile zusammensuchen muss.
Wer tiefer einsteigen will, schaut sich auch die Schaltbilder genau an. Das Handbuch gibt zu jeder Schaltung detaillierte Erklärungen. Und oft kann man auch Variationen ausprobieren um das Verhalten einer Schaltung zu ändern. Es geht darum, die Bauteile und die Schaltungen immer besser zu verstehen, sodass man das Verhalten einer Schaltung möglichst genau voraussagen kann.
Das Handbuch beschreibt auch die nötige Messtechnik und zeigt Messergebnisse für viele Versuche. Wer ein Multimeter zur Hand hat, sollte die Messungen an der eigenen Schaltung wiederholen. Das schärft den Blick für das Verhalten der Bauteile. Nur so bekommt man ein Gefühl für Bauteiletoleranzen und mögliche Abweichungen im Verhalten einer Schaltung. Außerdem kann man nur mit Messungen die theoretischen Überlegungen und Berechnungen überprüfen. Mit genügend Übung wird man dann auf einem Blick erkennen, wie eine Schaltung sich verhält.
Nach einigen Versuchen kennt jeder die Platine so genau, dass er sogar ohne eine Zeichnung Schaltungen umsetzen oder neu entwickeln kann. Das eröffnet ganz neue Möglichkeiten für kleine Experimente an beliebigen Orten. Man könnte in der Sonne sitzen, sich eine Schaltung ausdenken und sie mal eben ausprobieren. Ein paar zusätzliche Jumper hätte man immer bereit. Sie stecken auf einer Parkposition auf den unteren und oberen Kontakten für die Spannungsversorgung. Oder man könnte spielerische Wettkämpfe austragen. Statt Karten oder Würfeln liegt die Platine auf dem Tisch. Dann wird eine kreative Aufgabe ausgedacht. Wer findet am schnellsten die beste Lösung?
Viel Erfolg beim Experimentieren!
Burkhard Kainka
Weiterführende Versuche, Hinweise zu möglichen Problemen und Erfahrungen anderer Leser zu diesem Experimentierpaket findet man auf meiner Homepage:
Inhalt
1 Vorbereitungen und Zusammenbau
2 Leuchtdioden und Widerstände
3.6 Alarmanlage mit Bereitschaftsanzeige
4 Kondensatoren und Zeitschalter
6 Arbeitspunkt und Stabilisierung
6.2 Arbeitspunkt-Stabilisierung
7.6 Verzögerter Berührungsschalter
8 Stromspiegel und Temperatursensoren
8.1 Einstellung der LED-Helligkeit
8.5 Temperatur und Verlustleistung
9.1 Die BE-Diode in Durchlassrichtung
9.3 Die BC-Diode in Sperrrichtung
9.4 Die BE-Diode in Sperrrichtung
10.8 Unsymmetrischer Wechselblinker
10.9 Der Bye-Bye-Blinker
Vor dem Experimentieren kommt der Zusammenbau des Systems. Das dauert nicht lange. Man braucht einen Lötkolben und etwas Lötzinn. Die Aufbauarbeiten sind nicht nur spannend, sondern sie helfen auch genau zu verstehen, womit man da arbeitet. Und gleichzeitig übt man das Löten und wird fit für weitergehende Elektronik-Projekte.
Der Bausatz enthält eine SMD-Platine mit allen Widerständen und Kondensatoren. Einige zusätzliche Bauteile müssen noch eingelötet werden. Dabei handelt es sich um drei Steckleisten, zwei LEDs zwei Transistoren und eine Schraubklemme für das Batteriekabel. Die Steckbrücken (Jumper) werden erst für die eigentlichen Versuche benötigt.

Abb. 1.1: Die vorbestückte Platine
Zusätzlich gibt es ein vierfaches Kabel mit Steckbuchsen an beiden Enden, das auch in Einzelkabel aufgetrennt werden kann. Sie dienen für weiterführende Experimente, als Übergang zu andern Elektronik-Baugruppen und zum Anschluss von Messgeräten.

Abb. 1.2: Zusätzliche Bauteile
Bevor es richtig losgeht, muss erstmal gelötet werden, damit ein richtiger Baukasten daraus wird. Man beginnt am besten mit den drei Pfostenteckleisten mit jeweils 2 x 10 Kontakten. Wenn man sie in die Platine einsetzt, kann danach alles umgedreht und auf eine flache Oberfläche gelegt werden, damit nichts mehr verwackelt. Dann können alle 60 Kontakte nacheinander angelötet werden.

Abb. 1.3: Eingebaute Pfostenstecker
Das ist zugleich eine gute Lötübung, falls man noch nicht daran gewöhnt ist. Jede Lötstelle muss richtig heiß werden, damit das Lötzinn tief in die Bohrung fließt und den Kontaktstift völlig umhüllt. Man darf aber auch nicht zu lange löten, damit nicht der letzte Rest des Flussmittels verdampft. Eine gute Lötstelle erkennt man daran, dass sich das Lötzinn rund an die verbunden Bauteile schmiegt und eine glatte Oberfläche hat. Falls es am Anfang noch nicht so gut klappt und am Ende immer besser wird, kann man die ersten Lötstellen problemlos noch mal mit etwas frischem Lötzinn nachlöten.
Nun folgten die beiden Transistoren. Sie sollen so tief in die Lötlöcher gesteckt werden, dass oberhalb der Platine nur noch etwa 5 mm Draht frei bleibt. Nach dem Löten müssen dann unten die überstehenden Drahtenden abgeschnitten werden. Achtung, die Transistoren kann man auch falsch herum einbauen. Wie es richtig ist, zeigt der Bestückungsaufdruck der Platine. Die flache Seite weist zur zugehörigen Kontaktreihe.
Danach kommen die LEDs an die Reihe. Die Anoden sind die längeren Anschlussdrähte und weisen zur Kontaktreihe. Die Kathoden liegen am kürzeren Anschluss und sind zusätzlich durch eine flache Stelle am Gehäuse gekennzeichnet, die man auch auf dem Bestückungsaufdruck sieht. Wichtig sind auch die Farben. Die grüne LED wird links eingebaut, also auf die Seite zum Batterieanschluss. Rechts soll die rote LED eingesetzt werden. Beide LEDs sollen direkt auf der Platine sitzen, also vor dem Löten ganz eingesteckt werden, sodass nach dem Anlöten lange Drähte abgeschnitten werden müssen.

Abb. 1.4: Die fertig aufgebaute Experimentierplatine
Als letztes kommt die Schraubklemme für den Batterieanschluss. Hier kann dann der Batterieclip angeschraubt werden. Das rote Kabel ist der Pluspol, das schwarze der Minuspol. Es hat sich bewährt, das abisolierte und verzinnte Kabelende nach hinten umzuknicken und das Kabelende dann zusammen mit der Isolierung in der Klemme anzuschrauben. Damit erhält man eine langlebige Verbindung und vermeidet einen Kabelbruch, der sonst nach häufigem Biegen des Batteriekabels droht.
Nun kann die Platine mit den vier beiliegenden Gummifüßen versehen werden. Dann sollten noch einmal alle Lötpunkte sorgfältig überprüft werden. Jetzt darf der Lötkolben kalt werden. Alle weiteren Experimente kommen mit Steckverbindungen aus.
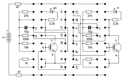
Die Anordnung der Bauteile auf der Platine ist bei allen Versuchen gleich. Einige Verbindungen sind schon vorhanden, und die Bauteile sind so platziert, dass man mit möglichst wenig Brücken sinnvolle Schaltungen bauen kann. Außerdem sind solche Fehler fast völlig unmöglich, bei denen ein Bauteil kaputt gehen könnte. Man braucht also keine Angst zu haben, etwas Neues auszuprobieren. Die LEDs haben bereits einen Widerstand und können nicht überlastet werden.

Abb. 1.5: Zwei gleiche Schaltungsblöcke
Außerdem gibt es zwei zusätzliche Widerstände von 47 Ohm in den beiden Zuleitungen zur Batterie. Falls doch einmal versehentlich ein Kurzschluss gebaut wird, begrenzen sie den Strom auf 100 mA, sodass nichts Schlimmes passieren kann. Auch die Transistoren überstehen 100 mA ohne Schaden. Bei allen normalen Versuchen stören die Schutzwiderstände nicht. Sie erhöhen nur den Innenwiderstand der Batterie, wie es auch bei schon teilweise verbrauchten Batterien zu beobachten ist. In den Schaltplänen tauchen diese Schutzwiderstände nicht auf, denn sie spielen für die normale Funktion der Schaltungen keine Rolle.
Es gibt zwei gleiche Blöcke von Bauteilen mit ihrer 20-poligen Stiftleiste, jeweils mit einem Transistor und einer LED. Deshalb kann man den Aufbau schnell durchschauen und hat schon nach kurzer Zeit keine Probleme mehr, eine Schaltung „freihändig“ aufzubauen. Jeder Block könnte eine eigene Schaltung werden, die völlig unabhängig vom andern Block funktioniert. Aber wenn kompliziertere Schaltungen gebaut werden sollen, müssen Verbindungen zwischen den Blöcken hergestellt werden. Dazu dient die mittlere Stiftleiste. Allen Blöcken gemeinsam ist, dass die unteren beiden Stifte am Minuspol der Batterie liegen, die oberen beiden am Pluspol.

Abb. 1.6: Verbindungen zur mittleren Kontaktleiste
Abb. 1.6 zeigt den Plan mit allen Verbindungen. Das mag kompliziert aussehen, ist aber nach kurzer Zeit schon leicht durchschaubar. Beim Aufbauen hilft auch die Beschriftung auf der Platine. Und man kann sich den Plan im Anhang ausschneiden oder kopieren und immer zusammen mit den Steckbrücken aufheben. Die zusätzlichen Verbindungsleitungen werden meist nicht benötigt, können aber wertvolle Dienste leisten, wenn man besondere Verbindungen in einer Schaltung testen will, wenn man Verbindungen zu anderen Experimenten herstellen will oder wenn man Messgeräte für umfangreiche Messreihen anschließen möchte.

Abb. 1.7: Ein aufgebauter Versuch
Der Elektronik-Baukasten enthält eine grüne und eine rote Leuchtdiode (LED). Eine LED darf nie direkt an eine Batterie angeschlossen werden, denn dann könnte sie überlastet werden und kaputt gehen. Man braucht immer einen Vorwiderstand, der für eine Begrenzung des Stroms sorgt. Hier sind jedoch die passenden Widerstände von 2,2 kΩ schon eingebaut, man hat also immer schon eine LED mit einem Widerstand.
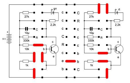
Also los, als Erstes soll einmal die grüne LED zum Leuchten gebracht werden. Das Schaltbild zeigt einen geschlossenen Stromkreis mit Batterie, LED und Widerstand. Man nennt diese Schaltung auch eine Reihenschaltung, weil alle Bauteile in einer Reihe nacheinander angeordnet sind.

Abb. 2.1 Ein Stromkreis mit LED
Damit der Stromkreis auch im wirklichen Experiment geschlossen ist, braucht man insgesamt vier Kontaktbrücken (Jumper). Eigentlich versperrt nämlich der Transistor mit seinen drei Anschlüssen den Weg. Er leitet den Strom nicht. Deshalb sorgen erst die zusätzlichen Brücken dafür, dass wirklich Strom fließen kann. Sie sind hier als dicke rote Verbindungen eingezeichnet.

Abb. 2.2 Die nötigen Kontaktbrücken
Mit diesen vier Brücken funktioniert es, die grüne LED leuchtet. Alle Bauteile, die entweder überhaupt nicht oder nur mit einem Beinchen angeschlossen sind oder durch Jumper kurzgeschlossen werden, sind sozusagen gar nicht da. Das ist so ähnlich wie beim fünften Rad am Wagen, es fährt zwar mit, hat aber keine Funktion. In diesem Fall ist der der Transistor durch zwei Jumper ganz außer Funktion gesetzt.

Abb. 2.3 Ein erfolgreich aufgebauter Versuch
Was wird wohl passieren, wenn man einzelne Brücken entfernt. In den meisten Fällen wird der Stromkreis dann unterbrochen und die LED geht aus. Nur bei der zweiten Brücke von unten ist das anders. Wenn man sie entfernt, bleibt die LED an. Das hat etwas mit der Funktion des Transistors zu tun und wird erst später ganz genau untersucht.
Eine Diode leitet den Strom nur in einer Richtung. Strom fließt von der Anode zur Kathode. An der Anode muss also der Pluspol angeschlossen werden. Anders herum funktioniert es nicht, die Diode verhält sich in „Sperr-Richtung“ wie ein Isolator, sie versperrt dem Strom den Weg. Bei diesem einfachen Versuch kann man das ausprobieren, indem man einfach die Batterie vom Kabel trennt und falsch herum an den Batterieclip hält. Die LED bleibt dann aus. Batterie wieder umgedreht und schon fließt wieder Strom. Achtung, Das darf man nicht mit jedem Gerät so machen. Viele Schaltungen gehen bei einer Falschpolung der Spannungsquelle kaputt. Für die LED ist es kein Problem.
Messungen
Wer ein geeignetes Multimeter besitzt, sollte es möglichst oft einsetzen, um
die aufgebauten Schaltungen ganz genau zu untersuchen. Meist werden Spannungen
gemessen. Eine Spannung herrscht zwischen zwei Punkten einer Schaltung, also
z.B. zwischen den Anschlüssen der Batterie, zwischen beiden Drähten der LED,
oder zwischen beiden Anschlüssen des Widerstands. Bei einer Spannungsmessung
hält man die Messkabel an die beiden Messpunkte.

Abb. 2.4: Spannungsmessung an der LED
Typische Messergebnisse:
Spannung der Batterie: 9,0 V
Spannung an der LED: 2,7 V
Spannung am Vorwiderstand: 6,3 V
Eine Rechnung ergibt: 2,7 V + 6,3 V = 9 V. Da kann kein Zufalls sein, dahinter steckt ein physikalisches Gesetz: In einer Reihenschaltung addieren sich die Spannungsabfälle an den einzelnen Verbrauchern zur Gesamtspannung.
Mit den Messwerten lässt sich der Strom in der Schaltung berechnen:
Stromstärke = Spannung / Widerstand
I = U / R
I = 6,3 V / 2,2 kΩ
I = 2,9 mA
Die Ergebnisse können je nach Zustand der Batterie etwas abweichen. Eine ganz neue Alkali-Blockbatterie hat mehr als 9 V. Gemessen wurden zum Beispiel 9,4 V. Aber es gibt auch noch Spannungsabfälle an den Schutzwiderständen zur Batterie, sodass die Spannung auf der Platine bei rund 9 V liegen kann.
Eine Batterie schafft mehr als nur eine LED. Also kann man einen zweiten Stromkreis schließen und auch die rote LED leuchten lassen. Auch der zweite Stromkreis besteht aus einer Reihenschaltung mit LED und Widerstand. Aber zusammen hat man eine Parallelschaltung. Wenn man eine LED zusammen mit ihrem Widerstand als einen Verbraucher oder eine Lampe betrachtet, liegen beide parallel. Die Parallelschaltung wird auch als „verzweigter Stromkreis“ bezeichnet, denn der Strom der Batterie verzweigt sich auf zwei Lampen (in diesem Fall LEDs mit ihren Vorwiderständen).

Abb. 2.5: Parallelschaltung
Auch im rechten Teil des Aufbaus werden wieder vier Brücken gebraucht. Da braucht man eigentlich schon keinen Aufbauplan mehr, denn es ist ja klar, dass die Jumper auf der rechten Seite genauso gesteckt werden müssen wie auf der linken.

Abb. 2.6: Leuchte mit zwei LEDs
Nun leuchten beide LEDs. Damit hat man eine brauchbare kleine Leuchte gebaut, die man auch einmal im Dunkeln testen sollte. Meist reicht das Licht sogar schon zum Lesen. Man darf aber nicht vergessen, die Lampe am Ende wieder auszuschalten, denn sonst wird die Batterie unnötig belastet und wird schneller unbrauchbar. Zum Ausschalten muss man zwei Brücken entfernen. Am besten verwendet man dazu immer die oberen Brücken an der Plus-Leitung. Denn dann sieht man es auf einen Blick: Die Batterie ist abgeschaltet.
Messung
An der roten LED findet man eine etwas kleinere Spannung als an der grünen LED,
nämlich nur etwa 1,8 V. Am Widerstand liegt dafür eine etwas größere Spannung
von 7,2 V, wenn die Versorgungsspannung genau 9 V beträgt. Bei diesem Versuch
fließt aber insgesamt ein relativ großer Strom von 6 mA, sodass ein
Spannungsabfall von insgesamt 0,6 V an den beiden Schutzwiderständen der
Schaltung entsteht. Mit einer ganz neuen Alkali-Batterie mit der
Anschlussspannung 9,4 V wurde deshalb eine Betriebsspannung von 8,8 V gemessen.
Widerstand ist die Eigenschaft eines elektrischen Verbrauchers, die dafür sorgt, dass der Strom geringer wird. Ein Draht hat fast keinen Widerstand. Wenn man einen Stromkreis nur aus einer Batterie und einem Draht schließt, hat man einen Kurzschluss gebaut. Es fließt dann sehr viel Strom, der Draht könnte heiß werden oder die Batterie explodieren, in jedem Fall aber wird die Batterie sehr schnell unbrauchbar. Mit den Schutzwiderständen auf der Platine kommt es nicht ganz so schlimm, aber die Batterie würde immer noch zu schnell verbraucht. Die Widerstände an den LEDs sorgen dagegen bei einer korrekten Schaltung dafür, dass nur wenig Strom fließt, oder gerade so viel wie man braucht.

Abb. 2.7: Ein zusätzlicher Vorwiderstand

Abb. 2.8: Mehr Widerstand und weniger Helligkeit
Um noch mehr Strom zu sparen soll nun eine Reihenschaltung mit der LED und ihrem Vorwiderstand mit 2,2 kΩ und einem zusätzlichen Widerstand mit 10 kΩ gebaut werden. Insgesamt hat man dann einen Widerstand von 12,2 kΩ in der Schaltung, also etwa fünfmal mehr als vorher. Der Strom durch die LED wird also ungefähr fünfmal kleiner, und auch das Licht wird fünfmal schwächer. Aber es ist immer noch gut zu sehen. Der Transistor hat übrigens in dieser Schaltung keinen Einfluss, weil die Verbindung b-e ihn völlig anschaltet. Das wird bei späteren Experimenten mit Transistoren noch eine wichtige Rolle spielen.
Messung
Spannung an der LED: 2,6 V
Spannung am Widerstand 2,2 kΩ: 1,2 V
Spannung am Widerstand 10 kΩ: 5,2 V
Wichtige Erkenntnis: Obwohl der LED-Strom nun wesentlich kleiner ist, hat sich die LED-Spannung nur geringfügig verändert, nämlich von 2,7 V auf 2,6 V. Unter den grünen LEDs gibt es übrigens erhebliche Unterschiede. Während der hier verwendete Typ mit grün-blauer Farbe eine besonders hohe Spannung zeigt, findet man bei andern Typen mit grün-gelbem Farbton eine deutlich kleinere Spannung.
Der größte Widerstand auf der Platine hat 330 kΩ. Wenn man ihn verwendet wird der Strom noch viel kleiner. Vielleicht muss man jetzt schon in einem abgedunkelten Raum arbeiten um das Licht der LED noch klar zu sehen. Aber andererseits ist es auch erstaunlich, wieviel Licht immer noch erzeugt wird, obwohl nur noch ein Hundertstel des für die LED erlaubten Stroms fließt.

Abb. 2.9: Ein großer Vorwiderstand

Abb. 2.10: Geringste Helligkeit
Weniger Strom bedeutet auch, dass die Batterie länger durchhält. Die folgende Tabelle zeigt den Widerstand, den Strom und die vermutliche Lebensdauer der Batterie, wenn man mit einer frischen Alkali-Batterie beginnt. Wie man so etwas ausrechnen kann wird noch besprochen. Man muss dazu auch etwas über die genauen Eigenschaften der LED wissen.
|
Widerstand |
Strom |
Betriebsdauer |
|
2,2 k |
3 mA |
Ein Monat |
|
12,2 k |
0,5 mA |
Fünf Monate |
|
332,2 k |
0,02 mA |
Zehn Jahre |
Messung
Um den Strom direkt zu messen, lässt man den Jumper zum Pluspol weg und berührt
die beiden Kontakte mit den Messkabeln eines Amperemeters. Es kann ein Digitalmultimeter
sein, wenn man den passenden Bereich bis 20 mA einschaltet. Wenn längere
Messungen durchgeführt werden sollen, können die zusätzlich Kabel mit
Steckbuchsen für die Verbindung zum Messgerät eingesetzt werden.

Abb. 2.11: Messung der Stromstärke
Oft ist es unbequem, dass man in einer Schaltung den einen Stromkreis erst unterbrechen muss, um eine Amperemeter einzufügen. Man kann stattdessen den Spannungsabfall an einem bekannten Widerstand messen und daraus den Strom berechnen. Bei einer Reihenschaltung mit dem 10-kΩ-Widerstand bietet sich dieser dafür an, weil man die Aufgabe im Kopf lösen kann. An diesem Widerstand wird eine Spannung von 5,2 V gemessen. Daraus ergibt sich ein Strom von 0,52 mA. Im Rahmen der Messgenauigkeit findet man das gleiche Ergebnis wie bei einer direkten Stromstärkemessung.
I = U / R
I = 5,2 V / 10 kΩ
I = 0,52 mA
Darf es noch etwas mehr Widerstand sein? Man kann 2,2 kΩ + 330 kΩ + 10 kΩ = 342,2 kΩ erreichen. Das macht allerdings keinen merklichen Unterscheid mehr. Trotzdem muss es mal probiert werden, am besten gleich für beide LEDs. Der Transistor ist übrigens weiterhin ohne Funktion, wie seine Anschlüsse b und e kurzgeschlossen sind.

Abb. 2.12: Drei Widerstände in Reihe
Eine interessante Frage ist, wie sich die Helligkeiten beider LEDs bei kleinem Strom verhalten. Die grüne LED ist auch jetzt deutlich heller, aber beide LEDs sind noch gut erkennbar. Bei diesem geringen Strom leuchten die LEDs nur noch so schwach, dass man sich ausnahmsweise mal den LED-Kristall in Aktion ganz genau ansehen darf, ohne Schaden für die Augen befürchten zu müssen. Die Linsenform der Gehäuse funktioniert wie ein Vergrößerungsglas. Deshalb kann man die rechteckige Form der LED-Kristalle erkennen.
Wenn man zwei LEDs mit ihren Vorwiderständen parallel schaltet und an eine Batterie legt, leuchten beide. Das wurde ja schon im Abschnitt 2.2 ausprobiert. Jetzt kommt aber noch ein gemeinsamer Widerstand mit 330 kΩ dazu. Was der bewirkt wurde ja auch schon ausprobiert. Er verkleinert den Strom und macht das Licht schwächer. Aber nun wird die zweite LED mit angeschlossen.

Abb. 2.13: Parallelschaltung von LEDs

Abb. 2.14: Verbindung zur roten LED
Hier wird zum ersten Mal eine Verbindung zwischen dem linken und dem rechten Teil der Schaltung hergestellt. Die Verbindung c-c verbindet die beiden LEDs. Die Bezeichnung c stammt von den Transistoren, die da ebenfalls angeschlossen sind, jetzt aber noch ohne Funktion. An den Anschlüssen liegt nämlich der dritte Anschluss, der „Kollektor“ (engl. collector, abgekürzt c).
Wenn die Brücke c-c gesteckt ist, leuchtet nur die rote LED. Das erscheint zunächst sonderbar, denn die grüne LED ist ja parallel angeschlossen. Zieht man nun die Brücke ab, dann leuchtet nur die grüne LED. So kann man mit nur einer Verbindung gleich zwei Dinge gleichzeitig erreichen, nämlich die rote LED einschalten und die grüne LED ausschalten. Die Kontaktbrücke c-c wirkt also wie ein Umschalter: Rot, grün, rot, grün …
Dass die Schaltung so funktioniert, hängt mit den ganz besonderen Eigenschaften einer LED zusammen. Die grüne LED braucht mindestens eine Spannung von etwa 2,0 V, damit sie zu leuchten beginnt. Wenn man die Spannung nur wenig erhöht, steigt der Strom stark an. Bei 2,8 V hat man schon den maximal erlaubten Strom von 20 mA erreicht (vgl. die Kennlinien in Kap. 7.4). Deshalb ist es auch ganz schlecht, wenn man eine LED ohne Widerstand an eine Batterie mit mehr als der erlaubten Spannung legt. Bei einer roten LED ist es ganz ähnlich. Allerdings sind die Spannungen bei gleichem Strom etwas kleiner. Bei 1,5 V fließt gerade ein ganz kleiner Strom, bei 1,8 V ist bereits die volle Helligkeit erreicht. Wenn nur ein kleiner Strom fließt, sorgt die rote LED dafür, dass sich eine geringe Spannung einstellt. Diese reicht aber nicht für die grüne LED. Wenn man aber die Verbindung zur roten LED öffnet, steigt die Spannung so weit an, dass nun die grüne LED leuchtet. Kurz gesagt, die rote LED kann der grünen LED die Spannung abgraben. Das Verhalten von LEDs wird weiter unten noch viel genauer untersucht.
Messung
Die Spannung an der grünen LED zusammen mit dem Vorwiderstand von 2,2 kΩ
beträgt 2.3V. Sie sinkt bei eingeschalteter roter LED auf nur noch 1,7 V.
Und was passiert, wenn die rote LED ihren eigenen Widerstand bekommt? Bei geöffneter Verbindung leuchten nun beide LEDs. Aber wenn die Verbindung geschlossen wird, leuchtet die rote LED heller und die grüne LED geht aus.

Abb. 2.15: Getrennt oder zusammen
Abb. 2.16: Beide
LEDs parallel
Das funktioniert allerdings nur, wenn beide Zusatzwiderstände 330 kΩ haben. Versucht man es mit 10 kΩ, geht die grüne LED nicht mehr ganz aus. Das liegt an den Vorwiderständen von 2,2 kΩ an den LEDs. Je größer der Strom wird, desto größer wird auch der zusätzliche Spannungsabfall an diesen Widerständen, und damit wird der eigentlich sehr deutliche Unterschied zwischen der roten und der grünen LED verwischt.
Der Transistor ist ein vielseitig einsetzbares Bauteil. Er kann als Verstärker verwendet werden oder auch als Schalter oder für ganz andere Zwecke. Das Experimentiersystem enthält zwei gleiche Transistoren. Es handelt sich um NPN-Transistoren vom Typ BC547C. Es gibt noch viele andere Arten von Transistoren. Wer aber einfache Experimente mit NPN-Transistoren durchführt, erhält bereits einen guten Überblick über die Anwendung von Halbleitern-Bauelementen.
Die Grundfunktion des Transistors ist nicht schwer zu verstehen. Der Emitter (e) soll an den Minuspol der Batterie anschlossen werden, der Kollektor(c) mit einem Verbraucher in Reihe an den Pluspol. Der Verbraucher besteht in diesem Fall aus der LED mit ihrem Vorwiderstand. Im Grundzustand ist der Transistor ein Nichtleiter, es fließt also kein Strom. Wenn man aber einen kleinen Strom durch den Basisanschluss (b) leitet, fließt ein sehr viel größerer Strom durch den Kollektor und den Emitter. Ein kleiner Basisstrom wird also zu einem großen Kollektorstrom verstärkt. Der Kollektorstrom kann 500-mal größer sein als der Basisstrom. Man sagt dann, dass der Transistor eine 500-fache Stromverstärkung hat.

Abb. 3.1: Den Basisstrom einschalten
Im ersten Versuch soll ein kleiner Basisstrom über den Widerstand von 27 kΩ fließen. Wenn man zuerst nur den Jumper an der LED und den am Emitter aufsteckt, ist der Stromkreis scheinbar schon geschlossen und besteht aus Batterie, LED, Widerstand 2,2 kΩ und dem Transistor mit seinen beiden Anschlüssen Kollektor und Emitter. Aber der Transistor leitet nicht und verhält sich wie ein geöffneter Schalter.

Abb. 3.2: Grundversuch zur Funktion des Transistors ((Aufbau31.jpg))
Nun soll auch noch der Basis-Stromkreis geschlossen werden. Dazu braucht man einen Jumper, der der 27-kΩ-Widerstand an Plus legt und einen zweiten, der die Basis verbindet. Sobald beide Jumper gesteckt sind, leuchtet die LED. Der Basiswiderstand ist viel größer als der Widerstand an der LED. Daher weiß man, dass nur ein kleiner Basisstrom fließt. Trotzdem zeigt die LED die volle Helligkeit. Der kleine Basisstrom wurde also zu einem großen Kollektorstrom verstärkt. Man kann es auch so sagen: Der kleine Basisstrom hat den Transistor dazu gebracht, dass er den größeren Kollektorstrom eingeschaltet. Und wenn man den Basisstrom abschaltet, schaltet der Transistor die LED aus.
Messung
Die Spannung zwischen Basis und Emitter beträgt im eingeschalteten Zustand
ungefähr 0,6 V bis 0,7 V, in diesem Fall wurden 0,69 V gemessen. Am
Basiswiderstand von 27 kΩ liegt eine Spannung von 8,3 V. Daraus kann man
den Basisstrom von 0,31 mA berechnen. Der Kollektorstrom ist mit etwa 3 mA
wesentlich größer.
Eine wichtige Frage ist nun, ob der Transistor den Strom genauso gut einschaltet wie ein Schalter oder ein Jumper. Es könnte ja sein, dass der Transistor immer noch einen gewissen Widerstand hat, sodass ein echter Schalter die LED noch heller einschalten könnte. Um das auszutesten soll nun eine zusätzliche Verbindung zwischen Emitter und Kollektor gesteckt werden.

Abb. 3.3: Überbrücken des Transtors
Damit diese Verbindung mit Jumpern möglich ist, muss man einen Umweg über den rechten Transistor nehmen. Dessen Basis und Emitter werden nach Minus verbunden. Dann kann ein Jumper zwischen c (links) und b (rechts) auf der mittleren Kontaktleiste die Verbindung schließen. Der Kollektor des linken Transistors wird also mit dem Minuspol verbunden. Aber wird die LED dadurch noch heller? Nein! Das Ergebnis lautet also, dass der Transistor allein schon ein sehr guter Schalter ist.
Nun kann man noch mehr ausprobieren. Die LED soll nun einmal vom Transistor und einmal vom Schalter eingeschaltet werden. Dazu öffnet man den Basisstromkreis, indem man einen der linken Jumper abzieht. Die LED geht aus. Mit dem Jumper in der Mitte kann sie aber wieder eingeschaltet werden. Egal, ob der Transistor den Strom einschaltet oder der Jumper, das Ergebnis ist gleich.

Abb. 3.4: Test mit direkter Verbindung
Jetzt könnte jemand natürlich den Nutzen des Transistors anzweifeln, weil ja ein Schalter gebraucht wird, um den Transistor einzuschalten. Aber das ist nur ein erstes Beispiel. Später kommen Schaltungen hinzu, bei denen sich die Transistoren gegenseitig ein- und ausschalten. Dann zeigt der Transistor was er kann.
Messung
Die Kollektor-Emitter-Restspannung beträgt im eingeschalteten Zustand nur etwa 0,03
V (30 mV) und ist damit nur unwesentlich größer als der Spannungsabfall an
einem geschlossenen Jumperkontakt, der so klein ist, dass man ihn mit einem
einfachen Digitalmultimeter nicht mehr sicher feststellen kann.
Jetzt wird der Basiswiderstand auf 330 kΩ vergrößert. Damit man sehen kann, wie klein der Basisstrom ist, soll die rote LED ihn anzeigen. Und tatsächlich, die grüne LED leuchtet sehr hell, die rote nur ganz schwach.

Abb. 3.5: Geringer Basisstrom

Abb. 3.6: Anzeige des Basisstrom Der Basiswiderstand ist 150-mal größer als der Kollektorwiderstand. Deshalb ist auch der Basisstrom ungefähr 150-mal kleiner als der Kollektorstrom. Da muss der Transistor den Basisstrom mindestens 150-fach verstärken können. Aber ist er dann noch in der Lage, so gut wie ein Draht oder ein Schalter zu leiten? Das verrät ein Test mit der zusätzlichen Verbindung zum Minuspol. Tatsächlich wird die grüne LED nicht merklich heller.
Eine Messung zeigt eine Kollektor-Emitter-Spannung von 0,11 V. Das bedeutet, dass der Transistor auch bei diesem sehr Basisstrom noch fast perfekt einschaltet.
Eine Alarmanlage verwendet meist einen Kontakt oder einen dünnen Draht, den ein Einbrecher versehentlich durchtrennt. Dadurch wird der Alarm ausgelöst. Wenn der Einbrecher den Draht entdecken sollte und ihn durchschneidet um die Anlage außer Betrieb zu setzen, dann passiert das gleiche, es gibt einen Alarm. In diesem Fall geht die grüne LED an.
Normalerweise würde man erwarten, dass die LED an ist, solange der Kontakt geschlossen ist. Hier ist es genau anders herum. Das ist möglich, weil der Kontakt zwischen Basis und Emitter des Transistors liegt und die Basisspannung kurzschließt. Deshalb fließt kein Basisstrom und der Transistor bleibt gesperrt.
„Kurzschluss“ hört sich gefährlich an, aber in diesem Fall besteht keine Gefahr, weil der Strom durch den Basiswiderstand begrenzt wird. Man sieht auch ein schwaches Leuchten der roten LED. Wenn der Kontakt geöffnet und geschlossen wird, ist kaum ein Unterscheid zu bemerken. Nur die rote LED reagiert. Bei offenem Kontakt leuchtet sie mit voller Helligkeit und zeigt den Alarm an.
Man kann den Jumper als Kontaktbrücke verwenden und mit einem Faden versehen. Der Faden wird dann an einer Tür oder an einem Fenster befestigt. Beim Öffnen soll der Faden den Jumper abziehen, sodass der Alarm losgeht.

Abb. 3.7: Kurzschluss der Basisspannung 
Abb. 3.8: Geöffnete Stromschleife
Messen
Wie groß ist der Basisstrom im geschlossenen und im geöffneten Zustand? Man
kann schon vermuten, dass der Unterschied gering ist, weil der Spannungsabfall
am 330-kΩ-Widerstand bei geöffnetem Kontakt nur um die
Basis-Emitter-Spannung von 0,6 V kleiner wird. Eine Messung der Spannung an
diesem Widerstand zeigt 7,7 V (geschlossen) und 6,8 V (geöffnet). Die gemessene
Differenz ist mit 0,9 V größer als erwartet, weil sich durch die Belastung mit
dem LED-Strom auch die Betriebsspannung etwas ändert. Das zeigt auch eine
direkte Messung zwischen Plus und Minus.
Aus den gemessenen Spannungen errechnet man einen Strom von 23 µA oder 21 µA. Um den Strom direkt zu messen, kann man den Jumper der roten LED nach Plus öffnen und dort das Strommessgerät einfügen.
Mit einem Kontakt kann man gleich zwei Transistoren einschalten. Am Emitterwiderstand des ersten Transistors entsteht im eingeschalteten Zustand ein Spannungsabfall, der den zweiten Transistor einschaltet. Und es gibt in dieser Schaltung noch einen zweiten Kontakt, der das Gegenteil bewirkt: Er schaltet beide Transistoren ab. Das ganze kann als Alarmanlage verwendet werden, wobei der obere Kontakt die Anlage scharf schaltet und der untere den Alarmkontakt bildet.

Abb. 3.9: Direkt gekoppelte Transistoren 
Abb. 3.10: Ein- und Ausschalten beider LEDs
Eine Messung zeigt 0,7 V an der Basis des rechten Transistors und 1,4 V an der Basis des linken Transistors, jeweils gemessen gegen den Minuspol. Beide Transistoren sind voll durchgesteuert und haben eine Kollektor-Emitterspannung von 0,03 V (links) und 0,02 V (rechts). Der rechte Transistor ist also etwas stärker durchgesteuert, weil er wesentlich mehr Basisstrom erhält.
Bei einer Alarmanlage kommt es darauf an, dass sie den Alarm sehr deutlich anzeigt und dass die Batterie möglichst lange hält. Diese Schaltung leistet beides. Durch den großen Basiswiderstand von 330 kΩ wird nur ein sehr kleiner Ruhestrom von rund 20 µA gebraucht. Und dieser kleine Strom fließt auch durch die grüne LED, die dauernd schwach leuchtet. Damit hat man zusätzlich eine Bereitschaftsanzeige. Aber wenn die Drahtbrücke entfernt wird, reicht der Strom für eine große Aussteuerung des linken Transistors aus, der dann gleichzeitig auch den rechten Transistor einschaltet. Im Alarmfall leuchten also beide LEDs hell auf.

Abb. 3.11: Die verbesserte Alarmanlage

Abb. 3.12: Aufbau mit Basiswiderstand 330 kΩ
Drei Arten von Bauteilen wurden bisher schon verwendet, LEDs, Transistoren und Widerstände. Nun kommt als weiteres Bauteil der Kondensator hinzu. Das ist ein kleiner Speicher elektrischer Energie. Er besteht aus zwei Metallplatten oder Metallfolien, die sich eng gegenüberstehen ohne sich zu berühren. Auf diesen Platten sammelt sich elektrische Ladung, wenn man eine elektrische Spannung anlegt.
Jeder hat schon seine Erfahrungen mit elektrischer Ladung gemacht, wenn er sich einmal auf einem Teppich elektrisch aufgeladen hat. Der eigene Körper ist dann von einem elektrischen Feld umgeben. Und wenn man eine Türklinke berührt, gibt es eine schmerzhafte Entladung. In einem Kondensator ist es ganz ähnlich, aber das elektrische Feld ist auf den kleinen Raum zwischen den Platten konzentriert, deshalb kann auch bei einer geringen Spannung schon viel Ladung gespeichert werden. Der Kondensator auf der Platine hat eine Kapazität von 10 Mikrofarad (10 µF). Zum Vergleich: Schon bei einer Spannung von nur 9 V speichert dieser Kondensator mehr elektrische Energie als der eigene Körper, wenn er sich auf 1000 V aufgeladen hat. Und diese Energie sollte für einen kleinen Lichtblitz ausreichen.

Abb. 4.1: Laden und Entladen
Also los, der Kondensator soll auf 9 V aufgeladen werden. Bei diesem Versuch liegt ein zusätzlicher Widerstand von 27 kΩ in Reihe zum Kondensator. Er bewirkt nur, dass das Aufladen und das Entladen etwas langsamer abläuft, es ist aber jeweils nach dem Bruchteil einer Sekunde abgeschlossen.

Abb. 4.2: Aufladen des Kondensators
Und nun wird die Lade-Brücke entfernt und in anderer Richtung wieder aufgesetzt. Die gespeicherte Ladung fließt über die LED. Und dabei entsteht ein Lichtblitz. Das ist ganz schnell vorbei, aber man kann den Kondensator ja beliebig oft neu aufladen und wieder entladen. Anders als ein Akku hat ein Kondensator eine praktische unbegrenzte Anzahl von Ladezyklen.

Abb. 4.3: Entladen über die LED
Zwischen Aufladen und Entladen darf einige Zeit liegen, denn der Kondensator entlädt sich kaum selbst. Das sollte einmal genauer untersucht werden. Wie lange darf man warten, um noch einen deutlichen Lichtblitz zu bekommen?
Messung
Mit dem Digitalmultimeter kann man die Spannung des gerade aufgeladenen
Kondensators messen. Sie beträgt am Anfang 9 V und sinkt dann ganz langsam ab.
Wie schnell sich der Kondensator entlädt, hängt vom Innenwiderstand des
verwendeten Messgeräts ab. Die meisten Digitalmultimeter haben in den
Spannungs-Messbereichen einen Innenwiderstand von 10 MΩ (10 Magaohm, also
10.000 Kiloohm). Mit einem solchen Gerät findet man die folgenden Messwerte. Der
Spannungsverlauf kann übersichtlich in einem Diagramm aufgetragen werden.
|
Messzeit in min |
Kondensatorspannung in V |
|
0 |
9 |
|
1 |
4,9 |
|
2 |
2,7 |
|
3 |
1,5 |
|
4 |
0,82 |
|
5 |
0,45 |
|
6 |
0,25 |
|
7 |
0,13 |
|
8 |
0,07 |
|
9 |
0,04 |
|
10 |
0,02 |
Die Spannung kann auch etwas langsamer oder etwas schneller absinken, weil die Kondensatoren eine gewisse Fertigungstoleranz aufweisen. Mit genau 10 µF und 10 MΩ erhält man eine Zeitkonstante von T = R * C = 10 µF * 10 MΩ = 100 s. In dieser Zeit hat sich der Kondensator auf 1 / e = 36,8% der Anfangsspannung aufgeladen. In diesem Fall sollte also die Anfangsspannung von 9 V nach 100 s auf 3,31 V abgesunken sein.

Abb. 4.4: Verlauf der Kondensatorspannung in 10 Minuten
Auch mit einem sehr geringen Ladestrom erreicht der Kondensator irgendwann die volle Ladespannung. Satt einer Streckbrücke kann man deshalb einfach seinen Finger verwenden. Seitlich gegen die Kontaktstifte gehalten hat der Finger einen Widerstand von etwa 100 kΩ bis 1 MΩ. Mit 1 MΩ und 10 µF ergibt sich eine Zeitkonstante von 10 s. Wenn man also zehn Seekunden lang die Kontakte berührt, sollte der Kondensator genügend geladen sein. Nun kann der Entladungs-Jumper aufgesteckt werden. Dabei sieht man ja ob der Kondensator schon voll genug war.

Abb. 4.5: Ein Finger als Ladewiderstand
Der Hautwiderstand hängt hauptsächlich von der Hautfeuchtigkeit ab. Wenn man schwitzt, kommt zur Feuchtigkeit auch noch eine gewisse Salzkonzentration. Dann ist der Widerstand besonders gering. Wenn man sich aber gerade mit warmem Wasser und Seife gründlich die Hände gewaschen und sie dann getrocknet hat, ist der Widerstand sehr hoch. Dieser Versuch zeigt den Unterschied, denn dann dauert die Aufladung sehr lange.
Der erfahrende Elektroniker benutzt den Fingertest häufig zur Überprüfung von Schaltungen. Mal eben einen Widerstand einfügen und schauen, was sich ändert, das geht einfach mit Anfassen. Umgekehrt beobachtet man manchmal zufällige Änderungen beim Berühren von Kontakten oder Bauteilen in einer Schaltung. Dann weiß man, dass es am Hautwiderstand lag. Und oft kann man der Sache noch auf den Grund gehen und entdeckt dabei interessante Schaltungsvarianten.
Messung
Kann die gesammelte Energie beliebig lange gespeichert bleiben? Wenn man nach
dem Aufladen eine längere Zeit wartet, kann die Spannung schon etwas abgesunken
sein. Eine interessante Frage ist: Welche Spannung findet man noch nach einer
Stunde? Sogar nach einem ganzen Tag kann der Kondensator noch die halbe
Ladespannung haben.
Macht es eigentlich einen Unterschied, ob der Kondensator lange oder nur ganz kurz aufgeladen wurde? Bei einem idealen Kondensator könnte man keinen Unterschied messen. Aber ein keramischer Kondensator verhält sich etwas anders. Wenn er nur kurz geladen wird, kann sich nach wenigen Minuten eine Spannung einstellen, die bis zu 10% geringer ist als die Ladespannung. Danach bleibt die Spannung lange Zeit konstant.
Umgekehrt funktioniert es auch. Man lädt den Kondensator auf und entlädt ihn dann für kurze Zeit. Eine Spannungsmessung zeigt 0 V. Aber nach ein paar Minuten hat sich der Kondensator ganz von allein wieder etwas aufgeladen. Dann misst man bis zu 0,2 V oder mehr. Dieser Effekt ist durch elektrische Dipole im Isolationsmaterial erklärbar, die sich nur langsam nach dem elektrischen Feld des Kondensators ausrichten können.
Bisher wurde der Entladungsstrom des Kondensators direkt über eine LED geleitet. Aber man kann die Wirkung noch verstärken, wenn man einen Transistor einsetzt. Der Ladestrom soll nun über die Basis des Transistors fließen. Dieser verstärkt den Strom und lässt eine LED im Kollektor-Stromkreis heller aufleuchten.
Bei dieser Schaltung sind noch einige weitere Widerstände beteiligt. Sie dienen dazu, den Kondensator im Ruhezustand wieder zu entladen. Nur dann ist es nämlich möglich, einen neuen Lichtblitz zu erzeugen. Immer wenn man den Jumper der grünen LED aufsteckt, sieht man einen deutlichen Lichtblitz an beiden LEDs. Wenn er aufgesteckt bleibt, geht die rote LED ganz aus, weil der Kondensator nach kurzer Zeit schon voll aufgeladen ist. Aber die grüne LED leuchtet schwach weiter, weil etwas Strom über den 330-kΩ-Widerstand fließt.
Der Widerstand mit 330 kΩ ist für die Entladung des Kondensators zuständig. Mit dem Kondensator von 10 µF ergibt sich eine Zeitkonstante von 3,3 s. Wenn man sehr viel kürzer wartet und den Kontakt nach einer halben Sekunde wieder schließt, gibt es keinen roten Lichtblitz, denn dann war der Kondensator noch fast vollständig geladen.

Abb. 4.6: Verstärkter Ladestrom

Abb. 4.7: Das Blitzlicht
Diese Schaltung hat zwei Schalter, einen zum Aufladen und einen zum Entladen des Kondensators. Beide Schalter erzeugen Lichtblitze an der roten LED, aber nur abwechselnd. Der Kondensator „merkt“ sich den letzten Zustand, geladen oder entladen. Beim Aufladen gibt es einen Spannungsabfall am 1-kΩ-Widerstand, sodass über den 10-kΩ-Widerstand ein Basisstrom fließt. Beim Entladen legt man die positive Seite des Kondensators an die Basis, sodass ebenfalls ein Basisstrom fließt. So wird erreicht, dass beide Vorgänge einen Lichtblitz erzeugen.
Die Schaltung eignet sich als kleines Ratespiel. Der erste Spieler lädt oder entlädt den Kondensator und kennt deshalb den Ladezustand. Der zweite Spieler muss nun raten und den Jumper möglichst so aufsetzen, dass wieder ein Lichtblitz entsteht. Dann vertauschen sich die Rollen. Nach insgesamt zehn Runden steht fest, wer von beiden Spielern die Aktionen des Gegners besser voraussagen kann. Wer in deutlich mehr als der Hälfte aller Fälle richtig geraten hat, ist ein echter Gedankenleser.

Abb. 4.8: Laden und Entladen 
Abb. 4.9: Lichtblitze bei Ladungsänderung
Messungen
Wenn jeder Spieler ein Messgerät benutzen darf, sollte jeder Versuch ein
Treffer werden. Voraussetzung ist allerdings, dass die Spannung am Kondensator nicht
durch eine übermäßig lange Messung stark verändert wird.
Ohne Messung kennt man die Ladung des Kondensators nicht. Menschen können keine kleinen Spannungen oder elektrische Felder sehen oder fühlen. Aber manche Tiere können das. Der Hammerhai fühlt kleinste elektrische Spannungen und entdeckt damit im Sand versteckte Fische.
Nach neuester Forschung können auch Bienen eine elektrische Ladung erkennen und wissen dann, ab eine Blüte gerade schon von einer anderen Biene besucht wurde. Wir Menschen können das übrigens auch, aber nur bei sehr hohen Spannungen. Wenn man eine Wolldecke entfaltet, kann sie sich auf einige tausend Volt aufladen. Wenn man dann mit dem Handrücken in die Nähe kommt, richten sich feinste Härchen auf der Haut auf, und das spüren wir. Genau so funktioniert das auch bei den Bienen, nur wesentlich empfindlicher.
Eine Lampe soll sofort angehen, wenn man sie einschaltet, aber noch einige Zeit nachleuchten, wenn man sie ausschaltet. Solche Lampen gibt es im Auto, damit man noch in Ruhe abschließen kann. Aber auch für eine Nachttischlampe kann so eine Nachlaufsteuerung nützlich sein.
Die Schaltung verwendet einen Ladekondensator und einen Transistor mit einem hochohmigen Basiswiderstand von 330 kΩ. Dank der hohen Verstärkung des Transistors wird er bei geschlossenem Schalter noch voll eingeschaltet. Öffnet man den Schalter, fließt weiterhin Basisstrom, weil der Kondensator noch geladen ist. Nach einigen Sekunden sinkt die Kondensatorspannung allerdings merklich ab, sodass der Steuerstrom geringer wird und die LED schwächer leuchtet. Je kleiner allerdings der Basisstrom wird, desto geringer wird auch die Entladung. Die weitere Entladung wird also noch langsamer. Auch nach sehr langer Zeit ist immer noch ein schwaches Restleuchten der LED zu erkennen.

Abb. 4.10: Basisstrom aus dem Kondensator

Abb. 4.11: Eine Lampe mit Nachleuten
Messung
Wann beginnt die Abnahme des LED-Stroms? Das verrät eine Messung der
Kollektorspannung. Sobald sie nach etwas drei Sekunden beginnt anzusteigen,
verringert sich der Strom durch die LED. Man kann auch messen, wie groß zu
diesem Zeitpunkt die Kondensatorspannung ist. Erst wenn die Spannung am
Kondensator unter etwa 2 V sinkt, wird die LED dunkler.
Eine Spannung wird grundsätzlich wischen zwei Punkten einer Schaltung gemessen. Wenn von der „Spannung am Kollektor“ die Rede ist, ist das eigentlich nicht korrekt. Gemeint ist dann „die Spannung zwischen Kollektor und Masse“, wobei die Masse der gemeinsame Bezugspunkt der Schaltung gemeint ist, in diesem Fall der Minuspol der Betriebsspannung, den man an allen sechs Stiftkontakten in der unteren Reihe findet. Oft ist es sinnvoll, das Minuskabel eines Spannungsmessgeräts dauerhaft mit dem Minuspol der Schaltung zu verbinden. Für eine Messung muss dann nur noch der Pluspol an einen Messpunkt gehalten werden.
Die vorige Schaltung hatte eine Anfangsphase, bei der sich die LED-Helligkeit nicht änderte. Aber in dieser Zeit hat der Kondensator besonders viel Ladung verloren. Wenn die Leuchtzeit insgesamt länger sein soll, muss man den Entladestrom am Anfang verringern. Das geschieht hier durch einen Emitterwiderstand. Bei eingeschalteter LED hebt der Spannungsabfall die Emitterspannung an, und damit auch die Basisspannung. Am Basiswiderstand liegt eine kleinere Spannung, und damit verringert sich auch der Entladestrom. Die Zeit mit relativ hoher Helligkeit verdoppelt sich ungefähr auf etwa 6 Sekunden.
Durch diese Form der Emitter-Gegenkopplung bekommt die Schaltung einen höheren Eingangswiderstand. Man kann den Eingangswiderstand an der Basis mit Emitterwiderstand * Stromverstärkungsfaktor berechnen und kommt dann auf rund 500 kΩ. Dazu muss man den Basiswiderstand von 330 kΩ addieren. Der Entladewiderstand ist also wesentlich größer geworden, und deshalb wird die Entladung langsamer.

Abb. 4.12: Verwendung eines Emitterwiderstands 
Abb. 4.13: Verlangsamte Entladung
Messungen
Eine Messung der Emitterspannung zeigt, dass auch diese Schaltung einen
Sättigungsstrom hat. In den ersten Sekunden ist die Emitterspannung etwa 2 V,
es fließt also ein Strom von 2 mA. In dieser Zeit ist der Transistor voll
durchgesteuert, und die Batteriespannung teilt sich auf die LED (ca. 2,6 V),
den Vorwiderstand von 2,2 kΩ und den Emitterwiderstand von 1 kΩ
auf. Dann beginnt der Strom zu sinken.
Die Schaltung eignet sich gut um die Eigenschaften eines Transistors in einem weiten Bereich unterschiedlicher Kollektorströme zu untersuchen. Wie ändert sich der Kollektorstrom in Abhängigkeit von der Basis-Emitter-Spannung? Am besten geht das, wenn man zwei Messgeräte gleichzeig verwendet. Eines misst die Spannung am Emitterwiderstand mit 1 kΩ. Eine Spannung von 1 V bedeutet dann einen Emitterstrom von 1 mA. Ein zweites Messgerät misst direkt die Basis-Emitterspannung. Die folgende Messung zeigt typische Ergebnisse, die aber von Fall zu Fall etwas abweichen können.
|
Basisspannung Ube in mV |
Kollektorstrom Ic in µA |
|
0 |
0 |
|
380 |
0,1 |
|
400 |
0,2 |
|
432 |
0,5 |
|
449 |
1 |
|
466 |
2 |
|
486 |
4 |
|
502 |
8 |
|
522 |
16 |
|
536 |
32 |
|
555 |
64 |
|
575 |
125 |
|
595 |
250 |
|
615 |
500 |
|
635 |
1000 |
|
655 |
2000 |
Wer die Messwerte genau betrachtet, erkennt vielleicht eine Gesetzmäßigkeit. Jede Erhöhung der Basisspannung um etwa 20 mV führt zu einer Verdoppelung des Kollektorstroms. Das bedeutet, dass der Strom exponentiell mit der Basisspannung ansteigt. Wenn man die Messwerte in einem Diagramm aufträgt, erkennt man den steilen Anstieg. Während die Basisspannung sich relativ wenig ändert, sieht man beim Kollektorstrom sehr große Unterschiede. Aus der Kurve wird auch deutlich, dass man in vielen Fällen mit der Näherung arbeiten kann, dass die Basis-Emitter-Spannung etwa 0,6 V beträgt.

Abb. 4.14: Der Kollektorstrom aufgetragen gegen die Basisspannung
Das Verhältnis der Kollektorstromänderung zur Basisspannungsänderung eines Transistors nennt man auch seine Steilheit. Die gemessene Kennlinie zeigt die Steilheit anschaulich als Steigung der Kurve. Man sieht deutlich, dass die Steilheit mit dem Kollektorstrom größer wird.
Die Messungen zeigen, dass man für einen Anstieg von 1 mA auf 2 mA die Basisspannung um 20 mV erhöhen muss. Daraus ergibt sich eine mittlere Steilheit von S = 1 mA / 0,02V = 50 mA/V. Tatsächlich ist die Steilheit aber bei 2 mA schon höher als bei 1 mA. Für sehr kleine Spannungsänderungen findet man einem Kollektorstrom von 1 mA eine Steilheit von 40 mA/V.
Eine Spannungsänderung von nur 1 mV würde den Kollektorstrom von 1 mA also um 40 µA verändern. Der Spannungsabfall an einem Widerstand von 2,2 V ändert sich dabei um 88 mV. Die Spannungsänderung am Kollektor wäre also 88-mal größer als die an der Basis. Man sagt, dass die Schaltung eine 88-fache Spannungsverstärkung hat. Je nach Arbeitspunkt kann die Spannungsverstärkung auch noch größer sein, sodass ein Transistor etwa eine 100-fache Spannungsverstärkung erreichen kann.
Bei einem ungünstigen Arbeitspunkt kann die Verstärkung allerdings wesentlich kleiner ausfallen und sogar kleiner als 1 werden. Ein solcher Fall tritt ein, wenn der Transistor bereits voll ausgesteuert ist und sich der Kollektorstrom in der Sättigung befindet. Dann führt nämlich eine Änderung der Basisspannung kaum noch zu einer Änderung der Kollektorspannung.
Zwei Transistoren verstärken mehr als einer. Das gilt besonders für die Darlington-Schaltung, bei der der schon verstärkte Strom von einem zweiten Transistor noch einmal verstärkt wird. Der Name stammt von ihrem Erfinder Sidney Darlington, der schon 1952 auf diese Idee kam. Beide Kollektoren sind verbunden, und der Emitter des ersten Transistors führt zur Basis des zweiten. Die Darlington-Schaltung verhält sich wie ein einzelner Transistor mit riesiger Verstärkung.
Nun reicht schon der allerkleinste Basisstrom, um eine LED einzuschalten. Die offenen Kontakte können mit dem Finger berührt werden wie in Abb. 4.5. Es genügt schon eine ganz leichte Berührung für die volle Helligkeit. Der Hautwiderstand ist stark von der Hautfeuchtigkeit abhängig. Aber diesmal funktioniert es sogar mit einer gerade gründlich gewaschenen und sorgfältig abgetrockneten Hand.

Abb. 5.1: Die Darlington-Schaltung 
Abb. 5.2: Einschalten durch Berührung
Messung
Wie groß ist eigentlich die Basis-Emitterspannung eines Darlington-Transistors?
Man kann vermuten, dass es ungefähr 1,2 V bis 1,4 V sind, weil zwei Basis-Emitter-Strecken
in Reihe geschaltet sind. Für die Messung kann man den Basiswiderstand mit
einem Jumper nach Plus verbinden. Das Voltmeter zeigt es dann: tatsächlich
ungefähr 1,3 V.
Wenn man mit Schuhen auf einem Teppich oder auf einem Kunststoffboden herumschlurft, kann man sich leicht mal so weit elektrisch aufladen, dass die Entladung an einer Türklinke richtig weh tut. Der Körper erreicht dabei Spannungen von einigen tausend Volt. Jeder kennt auch Versuche, bei denen ein Kamm oder ein Lineal an einem Tuch gerieben wird und sich dabei elektrisch auflädt. Dabei entstehen elektrische Kräfte, mit denen man Papierschnipsel bewegen kann. Elektrische Aufladungen gibt es immer und überall, aber meist bemerkt man sie nicht, weil sie zu klein sein. Mit zwei Transistoren kann man sie aber leicht nachweisen.
Der Versuch verwendet wieder eine Darlingtonschaltung, mit der sich kleineste Ströme verstärken lassen. Der Eingang ist aber nirgendwo angeschlossen. Wenn nun eine elektrische Kraft auf einen Draht oder die Kupferbahn der Platine wirkt, werden Elektronen angezogen oder abgestoßen. Elektrische Kräfte verschieben also elektrische Ladungen. Dadurch entsteht ein winziger Strom, der durch die Darlington-Schaltung verstärkt und mit der LED angezeigt wird.
Zum Test kann man nun einfach eine Hand annähern und wieder zurückziehen. Wenn die LED beim Annähern aufleuchtet, war der eigene Körper positiv aufgeladen. Wenn sie beim Zurückziehen der Hand aufleuchtet, war man negativ geladen. Man kann aber auch die ganze Platine in die Hand nehmen und umhergehen. Oft wird dann die LED bei jedem Schritt einmal aufleuchten.
Auch elektrische Wechselfelder in der Nähe von Netzkabeln können nachgewiesen werden. Bei einem starken Wechselfeld leuchtet die LED scheinbar dauerhaft. Aber wenn man genauer hinsieht, erkennt man ein schnelles Flacken. Die LED geht 50-mal in der Sekunde an und aus. Die Empfindlichkeit der Schaltung kann sehr einfach erhöht werden, indem man den Minuspol berührt.
Die Ähnlichkeit mit dem Berührungssensor aus dem vorigen Versuch fällt jedem gleich auf. Und tatsächlich kann man die LED auch durch Berühren von zwei Kontakten einschalten. Man muss auch gar nicht so genau treffen. Es reicht, wenn man von oben auf die Kontakte auf der Plus-Seite fasst.

Abb. 5.3: Ein offener Eingang

Abb. 5.4: Anzeige elektrischer Felder
Eine LED leitet den Strom in Durchlassrichtung und sperrt ihn in Gegenrichtung. Aber wenn Licht von außen auf den LED-Kristall fällt, fließt auch in Sperrrichtung ein kleiner Strom. Er ist allerdings sehr viel kleiner als ein Mikroampere und wird meist überhaupt nicht bemerkt. Mit einer Darlingtonschaltung hat man jedoch so viel Verstärkung, dass der verstärkte Strom eine LED deutlich zum Leuchten bringt. Je heller es ist, desto heller leuchtet auch die rote LED.

Abb. 5.5: Der Sensorverstärker

Abb. 5.6: Sensor-LED in Sperrrichtung
Mit einer Berührung konnte bisher schon eine LED eingeschaltet werden. Aber es geht auch anders herum. Nun soll die LED im Ruhezustand an sein, aber ausgehen, wenn man die Kontakte berührt. Die Aufgabe erinnert etwas an die Alarmanlage. Dort war die Lösung, die Basisspannung kurzzuschließen. Und diesmal ist es genauso, mit einem kleinen Unterscheid. Der Kurzschluss wird nicht durch einen Draht oder eine Steckbrücke erreicht, sondern durch den linken Transistor. Wenn er leitet, schaltet der den rechten Transistor ab.
Im Ruhezustand leuchtet die rote LED. Und bei einer Berührung wird sie abgeschaltet. Aber nicht vollständig, denn eine sehr kleine Resthelligkeit bleibt erhalten. Das liegt an dem 330-kΩ-Basiswiderstand, der zum Kollektor führt. Durch ihn fließt weiterhin ein kleiner Strom, auch dann wenn kein Basisstrom mehr vorhanden ist.

Abb. 5.7: Kollektor-Basis-Kopplung

Abb. 5.8: Der Berührungsschalter (( Aufbau54.jpg))
Eine andere Version dieser Schaltung legt den Basiswiderstand nicht an den Kollektor sondern an Plus. Diesmal wird der 27-kΩ-Widerstand verwendet. Auch durch ihn fließt im Aus-Zustand ein Strom, aber er fließt eben nicht durch die LED. Deshalb geht die LED diesmal vollständig aus. Aber weil der Strom durch den neuen Basiswiderstand wesentlich größer ist, braucht man auch einen größeren Sensorstrom am Eingang des ersten Transistors. Die Berührung muss also etwas niederohmiger ausfallen. Es kann sogar nötig sein, den Finger für den Versuch leicht anzufeuchten, damit die rote LED wirklich ausgeht.

Abb. 5.9: Die abgewandelte Schaltung

Abb. 5.10: Abschaltung ohne Reststrom
Ein Transistor kann als Verstärker oder Steuerelement für die unterschiedlichsten Aufgaben eingesetzt werden. Je nach Anwendung soll ein größerer oder kleinerer Kollektorstrom fließen. Die genaue Stromstärke bezeichnet man auch als den Arbeitspunkt einer Schaltung. Es gibt viele Einflüsse auf den Arbeitspunkt. Und es gibt unterschiedlichen Methoden, einen stabilen Strom einzustellen.
Während Widerstände mit Toleranzen von nicht mehr als 5% gefertigt werden, muss man beim Stromverstärkungsfaktor eines Transistors mit wesentlich größeren Abweichungen rechnen. Ein BC547C kann einen Verstärkungsfaktor im Bereich 420 bis 800 haben. Da ist es eine Herausforderung, Schaltungen zu entwickeln, die trotzdem in jedem Fall gleich gut funktionieren. Eine der einfachsten und oft schon ausreichenden Maßnahmen ist die Gegenkopplung vom Kollektor auf die Basis.
Wenn man den Basiswiderstand nicht nach Plus verbindet sondern zum Kollektor, stellt sich ein mittlerer Kollektorstrom ein. Wäre nämlich der Transistor immer noch voll durchgesteuert, würde er sich selbst den Basisstrom abschalten. Ein größerer Kollektorstrom bewirkt einen größeren Spannungsabfall am Arbeitswiderstand und damit eine kleinere Spannung am Basiswiderstand. Dieses Prinzip nennt man Gegenkopplung. Es führt automatisch zu einem mittleren Kollektorstrom. Das kann man daran erkennen, dass die LED bei einer externen Verbindung zwischen Kollektor und Emitter deutlich heller wird.

Abb. 6.1: Basiswiderstand am Kollektor 
Abb. 6.2: Mittlere Helligkeit
Messungen
Der Transistor ist in dieser Schaltung weder ganz ausgesteuert noch ganz
gesperrt. Deshalb ist es nun möglich die Stromverstärkung zu bestimmen.
Ube = 0,64 V
Uce = 2,07 V
Urc = 4,63 V
Ic = Urc / RC = 4,63 V / 2,2 kΩ = 2,10 mA
Urb = Uce – Ube = 2,07 V – 0,64 V = 1,43 V
Ib = Urb / Rb = 1,43 V / 330 kΩ = 4,33 µA
V = Ic / Ib = 2100 µA / 4,33 µA = 485
Der Transistor hatte also eine 485-fache Stromverstärkung. Laut Datenblatt beträgt der Stromverstärkungsfaktor des BC547C bei einem Kollektorstrom von 2 mA zwischen 420 und 800. Das Messergebnis liegt mit 485 im erwarteten Bereich. Eine eigene Messung könnte etwas andere Ergebnisse bringen. Wer es ganz genau wissen will, wiederholt den Versuch mit dem anderen Transistor auf der Platine. Beide Transistoren sind zwar von der gleichen Bauart, müssen aber nicht die gleiche Verstärkung haben. Größere Abweichungen sind durchaus üblich.
Die vorige Schaltung hatte bereits einen mittleren Arbeitspunkt, der aber immer noch von der Stromverstärkung des Transistors abhängig war. Bei einer solchen Schaltung muss man immer mit Abweichungen rechnen und beachten, wie weit das für die Aufgabe relevant ist.
Diese Schaltung ist fast völlig unabhängig von den Daten des Transistors und wird im Bereich der Stromverstärkung von 100 bis 800 gleich gut arbeiten. Dafür sorgt eine Gegenkopplung, die auf dem Spannungsabfall am Emitterwiderstand beruht. Die Spannung an der Basis wird durch einen Spannungsteiler festgelegt. Die Emitterspannung stellt sich dann von selbst so ein, dass eine Basis-Emitter-Spannung von etwa 0,6 V herrscht. In diesem Fall kann man eine Basis-Spannung von 2,6 V berechnen. Daraus ergibt sich eine Emitterspannung von 2 V und ein Kollektorstrom von 2 mA.

Abb. 6.3: Emitter-Gegenkopplung
Die Spannungen sind im Schaltbild an einzelnen Messpunkten eingetragen. Gemeint ist jeweils die Spannung gegen Masse, also gegen den gemeinsamen Minuspol.
Abb. 6.4: Konstanter
Kollektorstrom 2 mA
Für viele Aufgaben ist ein mittlerer Arbeitspunkt wichtig, sodass man den Strom in beide Richtungen gleich weit aussteuern kann. Dafür ist es erforderlich, den Strom gegenüber der letzten Schaltung noch etwas zu reduzieren. In diesem Fall ist das möglich, indem ein weiterer Widerstand in den Spannungsteiler eingesetzt wird. Die Basisspannung beträgt nun nur noch 2 V, und der Arbeitspunkt wird auf 1,4 mA stabilisiert. Dabei findet man eine Kollektorspannung in Bereich von 4,5 V, also gerade bei der halben Betriebsspannung.

Abb. 6.5: Verringerte Basisspannung

Abb. 6.6: Ein Kollektorstrom von 1,4 mA
Messungen
Alle im Schaltbild angegebenen Spannungen lassen sich leicht überprüfen. Dabei
wird man immer gewisse Abweichungen finden. Mit entscheidend ist die genaue
Batteriespannung und sogar die Temperatur, weil die Basis-Emitterspannung sich
bei gleichem Strom um etwa -2 mV pro Grad ändert.
Möglichst viele Messungen sind nützlich, um ein Gefühl für die Schaltungen zu bekommen. Oft muss man entscheiden, welche Abweichungen vom erwarteten Ergebnis noch im normalen Bereich liegen. Mit genügend Übung erkennt man schnell, ob eine Schaltung wie gewünscht funktioniert oder ob ein Fehler vorliegt.
Ein weiterer Transistor im Spannungsteiler kompensiert den Temperatureinfluss. Unter der Voraussetzung, dass beide Transistoren die gleiche Temperatur haben, hebt sich der Einfluss weitgehend auf. Bei höheren Temperaturen würde die Basisspannung absinken, die Emitterspannung aber fast unverändert bleiben.
Während der Temperatureinfluss ohnehin recht gering ist, hat sich der Arbeitspunkt jetzt insgesamt auf 0,3 mA verschoben. Und er ist weiterhin stark von der Batteriespannung abhängig.

Abb. 6.7: Temperaturstabiler Arbeitspunkt

Abb. 6.8: LED-Strom 0,3 mA
Normalerweise hängt der Strom in einer Schaltung auch vom momentanen Zustand der Batterie ab. Wenn die Spannung absinkt, wird auch der Strom kleiner. Bei der folgenden Schaltung ist das anders. Der Strom wird automatisch nachgeregelt, sodass er in weiten Bereichen der Batteriespannung konstant bleibt. Ein zu großer Strom erhöht den Spannungsabfall am Emitterwiderstand, sodass der rechte Transistor stärker leitet. Dadurch steigt auch der Spannungsabfall an seinem Kollektorwiderstand, sodass die Kollektorspannung sinkt. Und deshalb bekommt der linke Transistor weniger Basisstrom und verringert auch den Kollektor- und Emitterstrom.
Im Endeffekt stellt sich ein Strom ein, bei dem der Spannungsabfall am Emitterwiderstand gerade etwa 0,6 V beträgt. Weil die Basisströme sehr viel kleiner sind als die Kollektorströme, kann man sie in der Überlegung vernachlässigen. Der Kollektorstrom und damit der LED-Strom beträgt also 0,6 mA. Wie man leicht erkennt, bestimmt der Emitterwiderstand den eingestellten Strom, denn bei 0,6 V zwischen Basis und Emitter beginnt der rechte Transistor gerade zu leiten.
Die Schaltung ist wieder in gewissem Maße von der Temperatur abhängig. Konkret würde eine Temperaturerhöhung des rechten Transistors um 50 Grad den Strom von 0,6 mA auf 0,5 mA verringern. Eine genaue Messung könnte das zeigen. Die Helligkeit der LED würde sich allerdings nicht merklich ändern.

Abb. 6.9: Stabilisierung des Kollektorstroms

Abb. 6.10: Stromquelle mit 0,6 mA
Ein Transistor schaltet den Strom in weniger als einer Mikrosekunde ein oder aus. Wenn es langsamer gehen soll, braucht man einen Kondensator, denn seine Spannung ändert sich bei kleinem Ladestrom nur allmählich. Besonders lange Zeiten erreicht man mit Kondensatoren und Transistoren.
Die Lampe soll nach dem Ausschalten noch lange nachleuchten und dann ganz allmählich schwächer werden. Lange Zeiten erreicht man, wenn der Kondensator zwischen Basis und Kollektor eingebaut wird. Eine solche Schaltung nennt man einen Integrator, weil die die Ausgangsspannung sich mit dem Eingangsstrom und der Zeit ändert. Ein größerer Strom oder eine längere Zeit ergibt also eine größere Änderung der Ausgangsspannung. Beim Einschalten des Basisstroms ändert sich die LED-Helligkeit langsam und erreicht erst nach einigen Sekunden ihr Maximum.
Öffnet man den Schalter, sorgt nur noch der geringe Basisstrom für eine Änderung der Kondensatorspannung. Und die Änderung der Kollektorspannung wirkt der schnellen Entladung entgegen. Während nämlich die Basisspannung geringfügig sinkt, steigt die Kollektorspannung stark an. Die Änderung wird dadurch verlangsamt. Die Schaltung arbeitet so wie ein wesentlich größerer Kondensator zwischen Basis und Emitter.

Abb. 7.1: Der Integrator

Abb. 7.2: Verlangsamte Lichtsteuerung
Messung
Zeitlicher Verlauf des Kollektorstroms nach geöffnetem Kontakt:
|
Zeit in s |
LED-Strom in µA |
|
0 |
3000 |
|
5 |
1800 |
|
10 |
300 |
|
15 |
45 |
|
20 |
13 |
|
25 |
7 |
|
30 |
5 |

Abb. 7.3: Der Stromverlauf nach dem Anschalten
Zur Beurteilung der Messergebnisse eignet sich ein Diagramm. Die Stromstärke wurde im logarithmischen Maßstab aufgetragen, weil das besser dem Sinneseindruck des menschlichen Auges entspricht. Das Diagramm bestätigt den subjektiven Eindruck von der LED-Helligkeit. Sie ändert sich einige Sekunden lang kaum merklich, wird dann deutlich schwächer und geht am Ende sehr langsam gegen Null.
Bei den bisher gebauten Nachlaufsteuerungen war auch nach sehr langer Zeit immer noch eine Resthelligkeit vorhanden. Wenn man möchte, dass die Lampe irgendwann ganz ausgeht, muss ein zusätzlicher Enladewiderstand eingebaut werden. Er sorgt dafür, dass die Basisspannung schließlich deutlich unter 0,6 V absinkt, sodass der Transistor völlig sperrt. Zusammen mit dem Entladewiderstand von 330 kΩ erreicht man eine Nachleuchtdauer von etwa 5 s. Am Ende dauert es nur eine Sekunde, bis das Licht völlig ausgeht.

Abb. 7.4: Zusätzliche Entladung über 330 kΩ

Abb. 7.5: Abschaltung nach fünf Sekunden ((Aufbau72.jpg))
Die Beleuchtung in einem Kinosaal wird nicht abrupt ein- und ausgeschaltet, sondern ganz langsam, damit die Augen der Besucher sich gut an die veränderten Lichtverhältnisse gewöhnen können. Damit es wirklich langsam geht wird diesmal ein Integrator mit einem besonders großen Eingangswiderstand von 660 kΩ verwendet. Mit der oberen Brücke wird das Licht langsam aufgeblendet. Vor dem Beginn des Films bleibt der Jumper gesteckt, und damit hat man eine gleichbleibende Helligkeit, bei der jeder seinen Platz finden kann.
Kurz bevor der Film beginnt, wird der Kontakt geöffnet. Nun wird es bereits ganz langsam dunkler, so langsam, dass man es kaum bemerkt und die Augen sich an die Dunkelheit gewöhnen können. Kurz bevor es dann richtig losgeht, steckt man den unteren Jumper auf. Dann beschleunigt sich die Verdunkelung, bis das Licht völlig ausgeht. Und wenn dann der Film zu Ende ist, wird das Licht langsam wieder aufgeblendet.

Abb. 7.6: Verlangsamte Steuerung

Abb. 7.7: Auf- und Abblenden ((Aufbau73.jpg))
Wenn man den Integrator mit einer Darlington-Schaltung aufbaut, ändert sich die Helligkeit nur noch so langsam, dass sie als konstant empfunden wird. Durch Berühren der Kontakte kann man nun jede beliebige Helligkeit einstellen. Alternativ kann man auch Jumper verwenden, um die Lampe schnell an- oder auszuschalten. Und wenn man mal das Ausschalten vergisst, ist das auch nicht schlimm. Es dauert dann etwa eine Stunde, bis das Licht von allein ausgeht oder nur noch so schwach leuchtet, dass der Stromverbrauch keine Rolle mehr spielt.
Die Darlington-Schaltung bekommt einen zusätzlichen Emitterwiderstand, um die Änderungsgeschwindigkeit beim Abdunkeln zu erhöhen. Weil die Basis-Emitterspannung der Darlingtonschaltung nur etwa 1,2 V beträgt, fließt beim Berühren des unteren Kontakts nur ein sehr kleiner Strom, während beim Aufdimmen mit dem oberen Kontakt mehr Strom fließt. Mit dem Emitterwiderstand wird die Eingangsspannung angehoben, sodass sie etwas mehr in die Mitte gelangt. So gleichen sich die Geschwindigkeiten etwas an.

Abb. 7.8: Integrator in Darlington-Schaltung

Abb. 7.9: Auf- und Abdimmen
Messung
Der Dimmer kann sehr einfach als einstellbare Stromquelle zur Messung von
LED-Kennlinien verwendet werde. Die eingestellte Stromstärke lässt sich
indirekt über den Spannungsabfall am Emitterwiderstand messen. Die LED-Spannung
muss direkt gemessen werden, wobei satt der roten LED auch die grüne LED
eingeschaltet werden kann. Dies ist deshalb in diesem Fall besonders einfach,
weil beide Kollektoren zusammengeschaltet sind. Für die Messung werden
Messwertepaare der Stromstärke und der LED-Spannung notiert, und zwar erst für
eine LED und dann für die andere. 
Abb. 7.10 Kennlinien der roten und der grünen LED
Das Diagramm in Abb. 7.10 zeigt die gemessenen Kennlinien für die rote und für die grüne LED. Man erkennt den exponentiellen Verlauf der Kennlinien und die wesentlich höhere Spannung der grünen LED. Das erklärt die Funktion des Farbumschalters in Kap 2.4 und wird auch im folgenden Abschnitt angewandt.
Diese Lampe erleichtert den Übergang vom Tag zur Nacht, weil sie nicht nur sehr langsam dunkler wird, sondern am Ende auch noch die Farbe verändert. Nach dem Start mit der oberen Steckbrücke leuchten beide LEDs mit voller Helligkeit. Nach dem Öffnen des Kontakts wird das Licht ganz langsam dunkler. Nach etwa einer Stunde geht zuerst die grüne LED ganz aus. Die rote LED leuchtet dann noch lange nach und wird dabei immer schwächer. Das rote Restlicht reicht aus, um die Lampe auch bei völliger Dunkelheit leicht zu finden. Dann reicht eine leichte Berührung mit dem Finger, um das Licht wieder etwas heller zu stellen. Umgekehrt kann man mit dem unteren Jumper das Licht ohne Verzögerung abschalten.

Abb. 7.11: Integrator mit zwei parallelen LEDs

Abb. 7.12: Zweifarbige Nachtlampe
Alte Truhen hatten oft kunstvoll ausgeführte Geheimschlösser, die man kaum entdecken konnte. Aber so etwas geht auch elektronisch. Ein Berührungsschalter soll eine Aktion ausführen, die aber nur der Eingeweihte kennt, und die möglichst nicht zufällig entdeckt werden kann. Eine Möglichkeit dazu ist eine Zeitverzögerung. Wer die Funktion nicht kennt, probiert in schneller Folge alles aus und kommt zu keinem Ergebnis. Nur der Besitzer weiß genau, wo er wie lange anfassen muss, damit etwas passiert.
Die meisten der bisherigen Verzögerungsschalter konnten bei einer Berührung mit dem Finger eingeschaltet werden und gingen dann von allein wieder aus. Aber es geht auch anders herum. Die folgende LED-Schaltung ist im Ruhezustand an und geht bei Berührung aus. Sie entspricht damit dem Berührungsschalter in Kap. 5.4. Aber diesmal wurde noch ein Kondensator eingefügt, der zu einer starken Verlangsamung führt. Erst wenn man einige Sekunden lang den Kontakt berührt, geht die LED aus. Die Verzögerungszeit hängt stark von der Hautfeuchtigkeit ab. Man könnte die Aufgabe daher für andere erschweren, indem man fordert, dass die Platine nur mit frisch gewaschenen und sorgfältig getrockneten Händen berührt werden darf.
Die Verzögerung funktioniert auch anders herum. Man steckt zunächst den Jumper und schaltet damit die rote LED aus. Wenn man ihn dann abzieht, geht die LED erst nach etwa fünf Sekunden an.

Abb. 7.13: Verzögerte Abschaltung

Abb. 7.14: Verzögertes Aus- und Einschalten
Die Schaltung hat noch den Nachteil, dass sie erst funktioniert, wenn der Finger des Benutzers eine ausreichende Leitfähigkeit hat. Da hilft ein noch größerer Widerstand, der aber nun zwischen Basis und Kollektor des zweiten Transistors angeschlossen wird. Nun braucht der linke Transistor weniger Basisstrom für die Abschaltung. Und noch eine Änderung ergibt sich aus dieser Variante. Auch im ausgeschalteten Zustand zeigt die LED nun eine geringe Resthelligkeit.

Abb. 7.15: Hochohmige Ansteuerung 
Abb. 7.16: Der empfindliche Sensorschalter
8 Stromspiegel und Temperatursensoren
Ein Stromspiegel ist eine Schaltung aus zwei Transistoren, die so verbunden sind, dass sie gleiche Basisspannungen und daher auch gleiche Kollektorströme haben. Wenn man den Kollektorstrom des ersten Transistors durch einen Widerstand einstellt, fließt ein gleich großer Strom durch den weiten Transistor. Bildlich gesprochen wird der eingestellte Strom gespiegelt.
Bei der Stromspiegelschaltung verwendet man eine direkte Verbindung zwischen Basis und Kollektor am linken Transistor. Das funktioniert wie eine starke Gegenkopplung. Die Basisspannung stellt sich von selbst so ein, dass sie zu dem vorgegebenen Kollektorstrom führt. In diesem Fall sorgt der Widerstand von 27 kΩ dafür, dass ein Strom von etwa 0,3 mA fließt.
Der rechte Transistor bekommt dieselbe Basisspannung. Unter der Voraussetzung, dass er genau gleiche Daten hat, fließt dann auch durch ihn ein gleich großer Strom. Die LED wird also mit dem Strom von 0,3 mA betrieben. Man sieht eine geringe Helligkeit. Wenn man den zweiten 27-kΩ-Widerstand dazuschaltet, verdoppelt sich der LED-Strom auf 0,6 mA.

Abb. 8.1: Einfacher Stromspiegel

Abb. 8.2: Umschaltbare Helligkeit
Messen
Wie genau ist die Übereinstimmung der Ströme tatsächlich? Das kann von Fall zu
Fall etwas unterschiedlich ausfallen. Zur Messung der Ströme kann man an zwei
Widerständen die Spannungsabfälle messen und daraus die Ströme berechnen.
Linker Transistor 8,64 V an 27 kΩ, I1 = 0,33 mA
Rechter Transistor: 0,79 V an 2,2 k, I2= 0,36 mA
Der ideale Stromspiegel setzt zwei absolute gleiche Transistoren und gleiche Temperaturen voraus. Die Abweichungen zwischen den beiden Transistoren vom gleichen Typ BC547C sind üblicherweise gering. Aber Temperaturunterschiede können sich bemerkbar machen. Wenn man einen der Transistoren mit dem Finger berührt und damit leicht erwärmt, ändert sich der LED-Strom. Sehr deutlich wird der Effekt, wenn man einen der Transistoren mit einem heißen Lötkolben berührt. Eine Erwärmung des rechten Transistors erhöht die LED-Helligkeit, eine Erwärmung des linken Transistors verringert die Helligkeit. Die umgekehrte Wirkung erzielt man durch eine Abkühlung. Dazu kann man einen Transistor mit einem Löffel berühren, auf dem ein Eiswürfel liegt.
Bei konstantem Strom und steigender Temperatur verschiebt sich die BE-Spannung eines Transistors pro Grad um 2 mV nach unten. Wenn man also den linken Transistor um 10 Grad erwärmt, sinkt die Kollektorspannung um 20 mV. Der rechte Transistor bekommt dann eine kleinere Basisspannung und hat einen kleineren Kollektorstrom. Andere Messungen haben bereits gezeigt, dass der Kollektorstrom sich verdoppelt, wenn die Basisspannung sich um 20 mV erhöht. Man kann also davon ausgehen, dass eine Änderung um 10 Grad den Strom verdoppelt oder halbiert.
Messung
Ein Transistor eignet sich als linearer Temperatursensor, wenn man seine
BE-Spannung misst. Bei einer Umgebungstemperatur von 20 Grad wurde in der
Schaltung eine BE-Spannung von 600 mV gemessen. Bei einer Berührung mit dem
Finger sank die Spannung auf 584 mV. Die Änderung von -16 mV bedeutet eine
Temperaturerhöhung um 8 Grad. Der Transistor wurde also bis auf 28 Grad
erwärmt.
Mit einem Basiswiderstand kann das Gleichgewicht des Stromspiegels leicht verändert werden. Etwas mehr Strom erreicht man mit einem Widerstand von 10 kΩ zwischen Basis und Kollektor des linken Transistors. Der geringe Basisstrom verursacht einen kleinen Spannungsabfall, der die Kollektorspannung erhöht. Damit ist die Basisspannung des rechten Transistors geringfügig höher und der Kollektorstrom steigt an. Dieses Verfahren der Arbeitspunkt-Einstellung wird weiter unten in Kap 10.3 beim Aufbau einer Blinkschaltung angewandt.

Abb. 8.3: Ein zusätzlicher Basiswiderstand

Abb. 8.4: LED-Strom 0,4 mA
Wenn der Stromspiegel einen geringeren Strom liefern soll, kann man eine Emitter-Gegenkopplung des rechten Transistors einsetzen. Der Spannungsabfall am Emitterwiderstand, hebt die Emitterspannung an und verringert damit die Spannung zwischen Basis und Emitter. Damit verringert sich der Kollektorstrom des rechten Transistors. Bei einem Emitterwiderstand von 1 kΩ wurde ein LED-Strom von nur noch 50 µA gemessen.

Abb. 8.5: Emitter-Gegenkopplung

Abb. 8.6: LED-Strom 50 µA
Ein Transistor kann sich im Betrieb selbst erwärmen. Im Normalfall sind allerdings die Verlustleistungen so gering, dass man kaum etwas davon merkt. Ein Kurzschluss des Kollektorwiderstands führt jedoch zu einem großen Kollektorstrom und zu einer erheblichen Leistungsaufnahme. Dass der Transistor dennoch nicht in Gefahr gerät liegt an den beiden 47-Ω-Schutzwiderständen, die den maximalen Kollektorstrom auf 100 mA begrenzen. Die maximale Verlustleistung des Transistors wird erreicht, wenn er gerade halb ausgesteuert wird und noch eine Kollektorspannung von 4,5 V hat. Dann fließt ein Kollektorstrom von 50 mA und die Verlustleistung beträgt 225 mW. Erlaubt ist ein Strom von 200 mA und eine Verlustleistung von 500 mW.
Die tatsächliche Verlustleistung hängt auch vom Stromverstärkungsfaktor ab. Bemessen wurde eine Kollektor-Emitterspannung von nur noch 2 V. Damit sinkt die Betriebsspannung auf 2 V, sodass die LED nicht mehr arbeitet. Mit der gesetzten Kurzschlussbrücke ist geht die LED also aus. Der Transistor erwärmt sich, was man mit dem Finger spüren kann. Noch wärmer werden allerding die beiden Schutzwiderstände von 47 Ω in den Batterieleitungen.
Nach etwa drei Sekunden soll der Kurzschluss wieder entfernt werden. Die LED geht zwar unverzüglich wieder an, leuchtet aber am Anfang etwas schwächer. Erst nach einer oder zwei Sekunden wird wieder die alte Helligkeit erreicht. Der Grund dafür ist die durch den Kurzschluss verursachte Erwärmung des linken Transistors. Dadurch sinkt seine Kollektorspannung, und der rechte Transistor wird weniger ausgesteuert. Die Wärme wird aber schnell abgeführt, sodass der Stromspiegel nach kurzer Zeit wieder im Gleichgewicht ist.

Abb. 8.7: Erwärmung durch Kurzschluss

Abb. 8.8: Stromänderung bei Abkühlung
Mit einem abgewandelten Stromspiegel kann man einen Lampenstrom überwachen. In einem Motorrad soll das Rücklicht überwacht werden. Ein Kontrolllämpchen zeigt die Funktion. Wenn die Lampe im Rücklicht durchbrennt, geht die Kontrollleuchte aus.
In diesem Fall wird der Strom durch die grüne LED überwacht und mit der roten LED angezeigt. Weil die Kontroll-LED weniger hell sein soll als die überwachte LED, wird die Emitter-Gegenkopplung eingesetzt. Sobald man den Strom durch die grüne LED unterbricht, geht auch die rote LED aus.

Abb. 8.9: Reduzierter Strom durch die rote LED

Abb. 8.10: Überwachung der grünen LED
Dioden sind Halbleiter-Bauelemente, die den Strom nur in einer Richtung leiten. Das gilt für LEDs genauso wie für Silizium-Dioden und Transistoren. Die Untersuchung der internen Dioden in einem Transistor dient zur einfachen Funktionskontrolle und zeigt besondere Einsatzmöglichkeiten des Transistors.
Eine Diode besteht aus zwei Halbleiter-Schichten mit N-leitendem und P-leitendem Material. Im N-Leiter bewegen sich freie Elektronen, im P-Leiter dagegen Defektelektronen (Elektronen-Löcher). An der Berührungsfläche zwischen beiden Schichten bildet sich eine nichtleitende Sperrschicht geringer Dicke. Freie Elektronen füllen in diesem Bereich Löcher, sodass keine freien Ladungsträger mehr vorhanden sind. Die Diode ist damit zunächst ein Nichtleiter.

Abb. 9.1: Aufbau und Funktion einer Diode
Legt man an die äußeren Kontakte der Si-Diode eine kleine Spannung, dann vergrößert oder verkleinert sich die Sperrschicht. Zunächst soll der N-Anschluss mit dem Minuspol und der P-Anschluss mit dem Pluspol verbunden werden. Die Ladungen an den Anschlüssen stoßen dann ihre jeweiligen Ladungsträger im Kristall ab, sodass sie in Richtung der Sperrschicht gedrückt werden. Ab einer Spannung von ca. 0,5 V beginnen sich in einer Siliziumdiode die N- und die P-Schicht zu berühren, die Sperrschicht hebt sich auf. Damit fließt nun auch ein Strom. Bei ca. 0,7 V ist eine gute Leitfähigkeit erreicht. Die Diode wird nun in Durchlassrichtung betrieben.
Polt man die Spannung um, tritt der gegenteilige Effekt auf: Ladungsträger werden zu den äußeren Anschlüssen hingezogen, sodass sich die Sperrschicht vergrößert. Die isolierende Wirkung der Sperrschicht wird also besser. Man kann die Diode als ein elektrisches Ventil auffassen, da sie den Strom nur in einer Richtung passieren lässt. Das gilt in gleicher Weise für eine Leuchtdiode. Das andere Hableitermaterial in der LED führt zu einer höheren Durchlassspannung als bei einer Si-Diode. Beim Rekombinieren von Elektronen und Löchern wird Licht abgegeben.
Der innere Aufbau eines Si-Transistors ist durch drei Schichten aus N- und P- Silizium gekennzeichnet. An den Grenzflächen bilden sich Sperrschichten wie in einer Diode. In einem Transistor befinden sich praktisch zwei Dioden, die man auch als solche verwenden kann. Das ermöglicht besondere Schaltungsvarianten und auch einen einfachen Transistortest.

Abb. 9.2: Sperrschichten und Grundfunktion des Transistors
Die Verstärkung eines Transistors tritt auf, wenn eine genügend große Basisspannung angelegt wird. Die untere Sperrschicht wird dann leitend, sodass N-Ladungsträger (Elektronen) in die Basiszone gelangen. Sie werden aber von der positiv geladenen Kollektorschicht angezogen, sodass die meisten Elektronen zum Kollektor abfließen und nur ein kleiner Teil zur Basis.
Die internen Dioden eines Transistors lassen sich mit einfachen Prüfschaltungen mit LED und Vorwiderstand ausmessen. Die LED zeigt an, wann Strom fließt. Im ersten Versuch wird die BE-Diode des rechten Transistors in Durchlassrichtung betrieben. Der Kollektor bleibt frei.

Abb. 9.3: Test der BE-Diode

Abb. 9.4: Die BE-Diode des rechten Transistors leitet
Messung
Eine Spannungsmessung zwischen den jeweils verwendeten beiden Anschlüssen des
Transistors zeigt etwa bei 0,6 V bis 0,7 V, wenn die entsprechende Diode gerade
leitet. Die „Durchlassspannung“ ist also wesentlich kleiner als bei einer LED.
Die Spannung hängt vom verwendeten Halbleiter ab. Bei Silizium findet man für
kleinere Ströme etwa 0,6 V. In einem großen Bereich unterschiedlicher Ströme
ändert sich die Spannung nur zwischen etwa 0, 5 V und 0, 7 V.
Die interne BC-Diode eines NPN-Transistors leitet, wenn man den Kollektor an Minus legt. Das kommt im normalen Betrieb nicht vor, kann aber in besonderen Situationen in einer Schaltung auftreten. Um die Verbindung nach Minus nur mit Jumpern zu erreichen, muss ein Widerstand von 1 kΩ in Reihe geschaltet werden. Die BC-Diode leitet genauso gut wie die BE-Diode.

Abb. 9.5: Test der BC-Diode

Abb. 9.6: Die BC-Diode leitet
Im normalen Betrieb eines NPN-Transistors liegt eine positive Spannung am Kollektor. Die BC-Diode sperrt. Der Versuch kann mit dem linken Transistor leicht aufgebaut werden, wenn man den Emitter frei lässt. Wie erwartet fließt kein Strom, die LED bleibt aus.

Abb. 9.7: Die BC-Diode in Sperrrichtung

Abb. 9.8: Die LED bleibt aus
Messungen
Eine Messung des Spannungsabfalls am 10-kΩ-Widerstand zeigt Null. Damit
ist klar, dass tatsächlich kein Strom fließt. Eine Messung an der LED zeigt
ebenfalls 0 V. Misst man allerding die Spannung zwischen Basis und Kollektor
wird nur etwa 8 V gemessen, obwohl die Batteriespannung 9 V beträgt. Die Summe
aller Spannungen ist scheinbar kleiner als die Batteriespannung, was aber ein
Widerspruch zu den Gesetzen des Stromkreises wäre.
Der Widerspruch klärt sich auf, wenn man bedenkt, dass auch das Messgerät einen Innenwiderstand hat. Ein typisches Digitalmultimeter hat in allen Spannungsbereichen einen Innenwiderstand von 10 MΩ. Bei einer Messung der Batteriespannung fließt also ein Strom von 0,9 µA. Und wenn man die CB-Spannung misst, fließt ein kleiner Strom über die LED und verursacht einen Spannungsabfall. Obwohl der Messstrom sehr klein ist, beträgt die LED-Spannung bereits 1 V oder mehr. Die Messung selbst verändert also in diesem Fall die Messergebnisse. Das ist fast immer der Fall, in den meisten Fällen ist der Unterschied jedoch vernachlässigbar klein.
Wenn der Emitter eines NPN-Transistors an eine positivere Spannung als die Basis gelegt wird, sperrt die BE-Diode. Allerdings gilt das nur bis zu einer gewissen Spannung. Im Datenblatt des Transistors wird eine maximale Sperrspannung von 5 V angegeben. Bei einer höheren Spannung im Bereich 7 V bis 9 V beginnt plötzlich ein Strom zu fließen. Die BE-Diode verhält sich dann wie eine Zenerdiode. Die typische Durchbruchspannung liegt bei 8 V. es gibt jedoch erhebliche Streuungen, sodass man nicht mit Sicherheit vorhersagen kann, ob die LED gerade noch schwach leuchtet oder nicht.
Jede Diode hat eine Durchbruchspannung, bei der sich die Sperrschicht nicht weiter ausdehnen kann der Sperrstrom stark ansteigt. Der Aufbau des Transistors bildet zwar zwei PN-Übergänge, hat aber eine Unsymmetrie mit einer besonders dünnen Emitterschicht. Die Größe der Sperrzone ist daher begrenzt und damit auch die Sperrspannung.

Abb. 9.9: Die BE-Diode in Sperrrichtung

Abb. 9.10: Anzeige eines Sperrstroms
Messungen
Falls die LED schon deutlich leuchtet, kann man die Zenerspannung mit dem
Multimeter direkt zwischen B und E messen. Falls die LED noch aus ist, lässt
sich besser der Spannungsabfall an der LED messen. Findet man hier 1 V und
misst die Batteriespannung mit 9 V, kann man die Durchbruchspannung mit 8 V
berechnen. Die Zenerspannung ist großen Streuungen unterworfen und kann bei
einigen Transistoren bis zu 9 V betragen. Das Ergebnis ist daher nicht
vorhersagbar.
Wenn eine 9-V-Batterie nur noch 7 V hat, ist sie bereits fast völlig erschöpft. Aber eine einfache LED-Schaltung zeigt noch keinen großen Unterschied. Bei dieser Schaltung ist das anders. Die rote LED ist bei einer ganz neuen Batterie noch hell, aber bei 7 V schon ganz aus.
Die Schaltung verwendet die gerade gefundene besondere Eigenschaft eines Transistors. Die BE-Diode verhält sich in Durchlassrichtung wie eine normale Si-Diode und wie die BC-Diode des Transistors. Aber in Durchlassrichtung sperrt sie nur bis zu einer Spannung im Bereich 7 V bis 9 V. Dann beginnt sie zu leiten, wobei der Strom mit steigender Spannung steil ansteigt. Das ist das Verhalten einer Zenerdiode. Hier führt es dazu, dass die LED-Helligkeit sich in einem engen Bereich der Batteriespannung von ganz aus bis deutlich an verändert.

Abb. 9.11: Eine Spannungsüberwachung

Abb. 9.12: Anzeige des Batteriezustands
Bei dieser Schaltung ist die BC-Strecke des Transistors kurzgeschlossen. Deshalb wirkt im invertierten Betrieb nur noch die BE-Diode in Sperrrichtung.
Messung
Mit dem Voltmeter kann man die Z-Spannung direkt zwischen B und E messen.
Typische Spannungen liegen bei 7,5 V, aber es kann auch erhebliche Abweichungen
geben. Wegen der großen Streuungen kann man nicht vorhersagen, welche
Batteriespannung noch als gut angezeigt wird. Man kann versuchsweise eine oder
zwei 1,5-V-Zellen in Reihe zur Batterie schalten um eine höhere Spannung zu
testen.
Mit einer kleinen Änderung der Schaltung arbeitet nicht nur die Zenerdiode, sondern auch der Transistor in invertierter Richtung mit dem Minuspol am Kollektor. Der invertierte Transistor hat nur noch eine geringe Stromverstärkung von ungefähr 5-fach. Zur Zenerspannung kommt nun noch eine Diodenspannung in Durchlassrichtung. Gleichzeitig wird allerdings die Durchbruchspannung etwas kleiner, weil weniger Strom fließt. Beide Effekte können sich gerade aufheben. Im Normalfall wird sich jedoch eine geringe Verschiebung der Anzeigeschwelle ergeben.

Abb. 9.13: Aufbau mit einem invertierten Transistor

Abb. 9.14: Der veränderte Batterietester
Der symmetrische Aufbau führt zu der Vermutung, dass der Transistor auch falsch herum, also mit vertauschtem Emitter und Kollektor funktioniert. Aus den bisherigen Versuchen ist schon bekannt, dass das nur bis zu einer gewissen Spannung funktionieren kann.
Der Versuch verwendet den linken Transistor zusammen mit der roten LED. Wenn man den Basisstrom über den 27-kΩ-Widerstand einschaltet, leuchtet die LED. Öffnet man die Verbindung über den rechten Kondensator, nimmt der Strom allmählich ab. Das Verhalten ähnelt also einem normal betriebenen Transistor. Allerdings geht die LED schneller aus als in einer vergleichbaren Schaltung mit einem richtig herum betriebenen Transistor. Das ist ein erster Hinweis darauf, dass der invertierte Transistor eine deutlich geringere Stromverstärkung hat.
Normalerweise vermeidet man es, einen Transistor mit falscher Polung zu betreiben. Dass es aber prinzipiell funktioniert zeigt schon der innere Aufbau eines Transistors. Und die Versuche können bei der Fehlersuche in Schaltungen nützlich werden. Wenn nämlich eine Schaltung schlechter funktioniert als gewünscht, kann ein falsch eingebauter Transistor nicht ausgeschlossen werden.

Abb. 9.15: Emitter und Kollektor vertauscht

Abb. 9.16: Der linke Transistor bei umgekehrter Polung
Messen
CB-Spannung: 0,64 V
CE-Restspannung: 1,1 V
Spannungsabfall am Basiswiderstand 27 kΩ: 6,3 V
Basisstrom: 0,23 mA
Spannungsabfall am Kollektorwiderstand 1 kΩ: 2,0 V
Kollektorstrom: 2 mA
Stromverstärkung: 2 mA / 0,23 mA = 8,7-fach
Noch deutlicher wird die geringere Stromverstärkung wenn man einen großen Basiswiderstand einsetzt. Die LED leuchtet dann deutlich schwächer als bei einem vergleichbaren Versuch mit korrekter Polung, der Transistor befindet sich noch nicht in der Sättigung.

Abb. 9.17: Mehr Basiswiderstand

Abb. 9.18: Ein Versuch mit weniger Kollektorstrom
Messung
CB-Spannung: 0,57 V
CE-Restspannung: 6,6 V
Spannungsabfall am Basiswiderstand 330 kΩ: 8,3 V
Basisstrom: 0,025 mA
Spannungsabfall am Kollektorwiderstand 1 kΩ: 0,3 V
Kollektorstrom: 0,3 mA
Stromverstärkung: 0,3 mA / 0,025 mA = 12-fach
Eine Kippschaltung kennt zwei stabile Zustände, an oder aus, Null oder Eins, rot oder grün. Zwischen beiden Zuständen kann man hin- und herschalten. Eine solche Schaltung nennt man auch ein Flipflop. Es handelt sich dabei um einen Grundbaustein der digitalen Elektronik, denn solch eine Schaltung kann binäre Zustände darstellen oder speichern.
Das RS-Flipflop hat zwei Eingänge: Reset (R) und Set (S). Mit Reset schaltet man den Ausgangszustand aus, mit Set schaltet man ihn ein. Solange keines von beiden Signalen kommt, bleibt der letzte Zustand erhalten.
Diese Schaltung besitzt zwei Eingänge, mit denen man jeweils eine Basis gegen den Emitter kurzschließen und damit den Transistor sperren kann. Der jeweils stabile Zustand wird durch eine Rückkopplung über zwei Stufen erreicht. Dazu gibt es eine direkte Verbindung Kollektor-Emitter und einen Widerstand von 330 kΩ, der den Kollektor des zweiten Transistors mit der Basis des anderen Transistors verbindet. Deshalb leuchtet die rote LED oder sie bleibt aus. Und der aktuelle Zustand beleibt bestehen, bis er durch eine Kontaktbrücke geändert wird.

Abb. 10.1: Das RS-Flipflop

Abb. 10.2: An oder Aus
Wenn der linke Transistor leitet, ist seine Kollektorspannung klein, womit der rechte Transistor keine ausreichende Basisspannung erhält und gesperrt bleibt und die LED aus ist. Dadurch ist die Kollektorspannung des rechten Transistors groß, sodass der linke Transistor mit genügend Basisstrom versorgt wird um den Zustand zu halten.
Erst wenn der linke Transistor durch eine Kontaktbrücke S gesperrt wird, kippt der Zustand um. Nun erhält der rechte Transistor genügend Basisstrom, ist voll durchgeschaltet und hat nur noch eine kleine Kollektorspannung, sodass der linke Transistor auch nach dem Entfernen der Brücke gesperrt bleibt. Auch dieser Zustand bleibt stabil, bis er durch eine R-Brücke geändert wird.
Messung
Zum Verständnis der Schaltung hilft eine Messung der Basisspannung und
Kollektorspannung an beiden Transistoren in beiden Zuständen:
1. Rot ist aus: Ube1 = 0,6 V, Uce1 = 0,04 V, Ube2 = 0,04 V, Uce2= 7,5 V
2. Rot ist an: Ube1 = 0,05 V, Uce1 = 0,7 V, Ube2 = 0,7 V, Uce2= 0,05 V
Oft wird bei einem Flipflop auch das invertierte Signal ausgegeben, das nach einem R-Impuls an ist und nach einem S-Impuls aus. So kann man ein Flipflop mit zwei LEDs bauen. Jeweils eine von beiden ist dauerhaft an, bis der Zustand durch den R- oder S-Jumper umgeschaltet wird.
Wenn gerade die grüne LED leuchtet, die ist Kollektorspannung des linken Transistors klein. Der rechte Transistor bekommt daher keinen Basisstrom und bleibt gesperrt. Deshalb liegt seine Kollektorspannung hoch, sodass der linke Transistor weiterhin leitend bleibt. Erst wenn einmal kurz der linke Jumper gesetzt wird, wird der linke Transistor abgeschaltet, sodass seine Kollektorspannung steigt und der rechte Transistor sich einschaltet. Nun leuchtet die rote LED, bis dieser Zustand durch den rechten Jumper geändert wird. Wenn man genau hinsieht, erkennt man, dass die jeweils ausgeschaltete LED noch sehr schwach leuchtet. Durch sie fließt nämlich der Basisstrom des gerade eingeschalteten Transistors.

Abb. 10.3: Rot/Grün-Flipflop

Abb. 10.4: Rot oder grün
Messung
Die Messung Basisspannung und Kollektorspannung an beiden Transistoren in beiden Zuständen zeigt diesmal vergleichbare Zustände auf beiden Seiten:
3. Grün ist an: Ube1 = 0,6 V, Uce1 = 0,05 V, Ube2 = 0,05 V, Uce2= 7,5 V
4. Rot ist an: Ube1 = 0,05 V, Uce1 = 7 V, Ube2 = 0,6 V, Uce2= 0,05 V
Bisher musste man den Zustand des Flipflops noch per Hand umschalten. Aber das geht auch automatisch. Diese Blinkschaltung ähnelt dem einfachen RS-Flipflop, mit dem wichtigen Unterschied, dass nun noch ein Kondensator in den Rückkopplungszweig eingefügt wurde. Ein stabiler Zustand bleibt immer nur solange erhalten, bis der Kondensator fast vollständig geladen oder entladen ist. Deshalb führt die Rückkopplung hier nicht zu einem stabilen Zustand, sondern zu einem immer wieder wechselnden Zustand, der jeweils für einige Zeit stabil bleibt. So erhält man einen langsamen Blinker. Eine Schaltung, die selbständig Schwingungen erzeugt, nennt man auch einen Oszillator.
Die Schaltung enthält zusätzlich eine Gegenkopplung durch einen Basis-Kollektor-Widerstand am linken Transistor. Sie ist nötig, damit der Transistor von einem extremen Zustand immer wieder von selbst auf einen mittleren Arbeitspunkt zustrebt, von dem aus er dann weiter in den anderen stabilen Zustand kippt.
Wenn man den Rückkopplungszweig mit 10 µF und 330 kΩ entfernt oder unterbricht, stellt sich wieder der mittlere Arbeitspunkt ein, den man an einer geringen Helligkeit der roten LED erkennt. Die Schaltung entspricht dann genau dem abgewandelten Stromspiegel aus Kap. 8.3. Allgemein gilt: Ein Oszillator besteht aus einem Verstärker mit einem mittleren Arbeitspunkt und einer Rückkopplung vom Ausgang auf den Eingang. Wenn der Verstärker bereits ganz gesperrt oder voll eingeschaltet ist, können keinen Schwingungen beginnen.

Abb. 10.5: Rückkopplung mit Kondensator

Abb. 10.6: Der LED-Blinker
Messung
Eine Messung des Arbeitspunkts ohne die Rückkopplung ist möglich, wenn man die
Verbindung b-C öffnet. Es sollten sich dann Verhältnisse einstellen wie bei dem
modifizierten Stromspiegel in Kap. 8.3. Interessant ist auch eine Messung der
Blinkfrequenz mithilfe einer Uhr (etwa 20 Impulse pro Minute oder 0,33 Hz).
Mit einer kleinen Änderung wird die Blinkgeschwindigkeit erhöht. Bisher war der Kondensator in Reihe mit einem hochohmigen Widerstand angeschlossen, sodass sich eine große Zeitkonstante ergab. Jetzt ist er allein im Rückkopplungszweig und lädt und entlädt sich daher wesentlich schneller.

Abb. 10.7: Verringerte Zeitkonstante

Abb. 10.8: Schneller Blinker
Messung
Die neue Frequenz ist etwa 120 Impulse pro Minute bzw. 2 Hz.
Nun sollen zwei LEDs abwechselnd blinken. Die Schaltung ist symmetrisch aufgebaut und besteht aus zwei Verstärkerstufen mit gegenseitiger Kondensatorkopplung. Immer wenn gerade die rote LED aus ist, steigt die Kollektorspannung des linken Transistors. Dann lädt sich der angeschlossene Kondensator auf und liefert einen Basisstrom für den rechten Transistor. Wenn er vollständig geladen ist, kippt die Schaltung um. Dann wird der andere Kondensator geladen und die grüne LED leuchtet.

Abb. 10.9: Ein symmetrischer Blinker

Abb. 10.10: Der Rot/Grün-Wechselblinker
Messung
Die Arbeitspunkte beider Transistoren ohne die Rückkopplung können gemessen
werden, denn man eine der beiden Kondensatorverbindungen C-c öffnet. Es zeigt
sich dann, dass beide Transistoren voll durchgesteuert sind und nur noch
CE-Restspannungen von etwa 30 mV haben. In diesem Zustand gibt es nur noch eine
sehr kleine Spannungsverstärkung, sodass es nicht selbstverständlich ist, dass
der von allein Blinker anschwingt. Beim Start des Oszillators kann es eine
Rolle spielen, dass der Kondensator noch einen anderen Ladezustand hat und
damit einen Start-Stromimpuls liefert.

Abb. 10.11: Verlauf der Kollektor- und Basisspannung
Das Oszillogramm zeigt den Verlauf der Kollektorspannung (Kanal 1, oben) und der Basisspannung (Kanal 2, unten). Wie erwartet beeinflusst der Ladestrom der Kondensatoren die Kollektorspannung. Die steigenden Flanken sind daher deutlich abgerundet. An der Basis findet man Spitzen bis -7 V.
Mit dem direkten Anschluss der Kondensatoren an die Basis entsteht zu Anfang der Ladephase ein großer Ladestrom, der eine LED nur verlangsamt ausschalten lässt. Fügt man zusätzliche Widerstände in die Basisleitung ein, wird dieser Effekt geringer. Die LEDs schalten dann abrupter ab.

Abb. 10.12: Der veränderte Wechselblinker
Allerdings kann nicht mehr sicher vorhergesagt werden, ob die Schaltung wie gewünscht anschwingt. Der Arbeitspunkt beider Transistoren liegt nahe an der Sättigung, sodass nur noch eine geringe Spannungsverstärkung besteht. Durch die zusätzlichen Widerstände wird die Verstärkung noch weiter reduziert. Im Extremfall kann das dazu führen, dass beide Transistoren eingeschaltet bleiben.
Im Normalfall wird der Blinker beim Einschalten der Betriebsspannung oder beim Aufbau der Schaltung von allein anschwingen, weil zufällige Bauteiletoleranzen für einen ungleichen Anstieg der Kollektorspannungen sorgen. Man kann den Oszillator jedoch stoppen, indem man einen der beiden Kollektoren gegen Minus kurzschließt. Auch wenn man die Kurzschlussbrücke wieder entfernt, bleiben beide Transistoren im eingeschalteten Zustand, sodass beide LEDs an sind. Weil beide Transistoren sich in der Sättigung befinden, reicht die Spannungsverstärkung nicht aus, um neue Schwingungen zu starten. Mit einem Kurschluss an der Basis kann jedoch eine Starthilfe gegeben werden, indem ein Ungleichgewicht in die Schaltung gebracht wird.

Abb. 10.13: Start und Stop

Abb. 10.14: Die veränderten Schwingungen
Das Oszillogramm zeigt einen rechteckförmigen Verlauf der Kollektorspannung und eine höhere Frequenz (8 Hz) als beim vorigen Aufbau (4 Hz). Der Grund ist, dass die Kondensatoren nicht mehr voll geladen und entladen werden. An der Basis (Kanal 2) findet man nur noch Spannungen bis -2 V.
Mit einer Gegenkopplung in Form eines Widerstands mit 330 kΩ zwischen Basis und Kollektor erreicht man einen mittleren Arbeitspunkt und damit optimale Bedingungen für ein eigenständiges Anschwingen des Blinkers. Bei einem mittleren Arbeitspunkt würde das unvermeidliche Eigenrauschen der Widerstände und Transistoren so weit verstärkt, dass ein zufälliges Ungleichgewicht zum Start der ersten Schwingung führt.
Das Blinken ist nun sehr langsam, weil die Kondensatoren im gesperrten Zustand eines Transistors nur über den Widerstand von 330 kΩ geladen werden. Der geringe Ladestrom fließt über die gerade abgeschaltete LED, sodass eine geringe Resthelligkeit erhalten bleibt.

Abb. 10.15: Gegengekoppelte Transistoren

Abb. 10.16: Langsamer Wechselblinker
Wenn man an einem der beiden Transistoren einen zusätzlichen Basiswiderstand von 27 kΩ einschaltet, wird der Kondensator wesentlich schneller geladen. Die Aus-Phase der zugehörigen LED wird dann sehr kurz, und die andere LED blitzt nur kurz auf. Man kann nun wahlweise die rote oder die grüne LED kurz blitzen lassen.

Abb. 10.17: Zusätzliche Basiswiderstände

Abb. 10.18: Rote Lichtblitze
Die letzte Blinkschaltung arbeitet mit abschaltbaren Basiswiderständen. Um den Blinker zu starten, muss man beide Jumper an den 27-kΩ-Widerständen aufstecken. Die Schaltung entspricht dann dem schnellen Wechselblinker in Kap. 10.5. Wenn man beide Jumper entfernt, wird das Blinken immer schwächer und immer langsamer. Man kann sich vorstellen, dass jemand mit einem Zug abreist, und aus dem Fenster winkt, bis er langsam in der Ferne verschwindet.
Eigentlich dürfte diese Schaltung gar nicht funktionieren. Denn ohne die Ladewiderstände dürfte die Basisspannung nicht mehr so weit ansteigen, dass der Transistor wieder in den leitenden Zustand kippt. Und mit idealen Kondensatoren würde es auch nicht funktionieren. Aber die verwendeten keramischen Kondensatoren haben den schon beobachteten Nachlade-Effekt. Auch nach längerer Zeit streben sie immer noch etwas in Richtung des vorangegangenen Ladezustands. Das wirkt effektiv wie ein langsam abnehmender Isolations-Fehlerstrom, der den Blinker bis zu eine Minute nach dem Abschalten noch langsam weiter laufen lässt. Ähnliche Eigenschaften haben auch Elektrolytkondensatoren, mit denen die Schaltung auch funktionieren würde.
Statt der beiden Start-Jumper reicht auch eine Berührung der Kontakte um den Blinker wieder neu zu starten oder wieder etwas heller und schneller zu stellen. Der Hautwiderstand in der Größenordnung von 1 MΩ bildet dann die Basiswiderstände.

Abb. 10.19: Abschaltung der Basiswiderstände

Abb. 10.20: Ein langsam verblassender Blinker
