Das
Elektronik-Logbuch 5
Notizen und Tipps ab September
2008
Ältere Einträge:
Logbuch
1 (Janur bis Juni 2007)
Logbuch
2 (Juli/August 2007)
Logbuch
3 (September bis Dezember 2007)
Logbuch
4 (Januar bis August 2008)
10.2.2009:
Diese Pressemitteilung zum Retro-Radio hat Franzis herausgegeben:
Kristallklarer Klang, sauberer Empfang im nostalgischen Look der 1950er
Jahre
Poing, Februar 2009. Nachts auf Mittelwellen-Jagd – mit dem
Retroradio von Franzis kann man sich nach Mailand, London oder Lissabon
träumen. Und der neue Komplett-Bausatz für das Retroradio
bietet noch mehr. Denn bevor es europaweit auf Wellenjagd geht, kommt
der Tüftelspass beim Bau des Retroradios. Besonders abends und
nachts empfängt das fertige Radio im nostalgischen Gehäuse
kristallklar auch weit entfernte Sender. Die Idee zu diesem
Radiobausatz stammt von Burkhard Kainka, dem Macher von ELO. In dem
Online-Magazin (www.franzis.de/elo-das-magazin)
werden die Erlebnisse anderer Radiobauer sowie ausführliche
Bildanleitungen veröffentlicht.
Für das Design der Außenhülle stand ein Radio der
1950er Jahre Pate. Wie aus dunklem Holz, mit einer Anzeigeskala mit
bekannten und unbekannten Städten, schimmernden Drehknöpfen
und einem täuschend echt wirkenden Bespannstoff über den
Lautsprechern. Im ersten Reflex versucht man die Echtheit der
Materialien zu prüfen, so schön alt wirkt das Gehäuse.
Im Inneren sind alle Bauteile, um das Mittelwellen-Radio zum Leben zu
erwecken. Antenne, Lautsprecher, Verstärker und verschiedene
Kleinteile.
Mit der verständlichen Anleitung ist es für jeden
möglich, ein voll funktionsfähiges Radio zu bauen. Auch
für Nicht-Elektroniker. Denn es bedarf erstaunlich weniger
Bauteile, um europaweit auf Empfang zu gehen. Die ersten Radios der
Rundfunkgeschichte waren auch Mittelwellenempfänger und
funktionierten äußerst leistungsfähig nach dem gleichen
einfachen Prinzip. Dieses Radio könnte also problemlos die Sender
von damals empfangen.
Wie die ersten Radios ist auch das Nostalgieradio weniger lautstark.
Schön, um vor allem abends oder nachts fernen Sendern zu lauschen.
Aus Städten, wie sie nach dem Vorbild historischer Radios auf dem
Gehäuse angegeben sind: Kopenhagen, Bukarest, Monte Carlo oder
einfach aus Berlin. Denn abends empfängt man Mittelwellen-Sender
besonders klar.
Das Franzis-Retroradio ist ein Komplettpaket: Ein nostalgisches
Gehäuse mit allen benötigten Bauteilen. Als originelles
Geschenk, für den praxisnahen spannenden Schulunterricht, für
Workshops in der Jugendgruppe oder für Familienabende bestens
geeignet. Denn manche Familienväter bestellen gleich mehrere
Bausätze: einen für sich selbst und je einen für jedes
ihrer Kinder – eine schöne Idee.
Die Box Das „60 Jahre FRANZIS“ Retroradio selber bauen ist
ab sofort im Handel und über www.franzis.de
erhältlich.
Eurobox incl. 25 Bauteile / ISBN: 978-3-7723-4229-5
Pressekontakt:
FRANZIS BUCH & SOFTWARE VERLAG
Michael Büge
Programmleiter technisches Fachbuch
Tel.: +49 8121 95-18 10
E-Mail: mbuege@franzis.de
Franzis Verlag GmbH, Gruber Str. 46a, 85586 Poing, Sitz Poing,
Amtsgericht München, HRB 119930, Geschäftsführer: Werner
Mützel, Thomas Käsbohrer
5.2.2009
Platine für den SI4735
Heute kam die fertige Platine von Modul-Bus an! Jetzt geht es weiter
mit dem Projekt. Ich will versuchen, das Modul mit einem UM232R zu
betreiben. Damit könnte man direkt über den USB abstimmen.
Ein 3,3-V-Regler ist auch schon an Bord.
29.1.2009:
Der integrierte Weltempfänger SI4735
Ein ganzes Radio auf 3 mm x 3 mm. Das ist eine technische
Meisterleistung. Und ein Stress für den Bastler. Inzwischen
hat Modul-Bus die ICs bekommen und ich konnte ein erstes Muster
aufbauen. Das Foto zeigt die Größe im Vergleich zu einer
5-mm-LED. Die Anschlüsse liegen unter dem IC und haben einen
Abstand von 0,5 mm.
Für den ersten Probeaufbau auf einer Lochrasterplatine im
2,5-mm-Raster habe ich das IC auf den Rücken gelegt und feine
Drähtchen angelötet. In der Mitte gibt es eine
Massefläche. Die Löterei ist schon ein erheblicher Stress.
Jedes Drähtchen muss kontrolliert werden. Dazu nehme ich ein
analoges Ohmmeter. Eine Messung gegen GND zeigt bei richtiger Polung
die interne Schutzdiode an jedem Pin und sagt damit, dass der Draht
Kontakt hat. Eine Messung zum Nachbarpin würde einen Kurzschluss
verraten. Jedenfalls konnte ich die entscheidenden Anschlüsse
verbinden. Das Radio spielt inzwischen. Ein Testbericht
über das zugehörige Starterkit von Silicon Labs steht in ELO.
So eine Löterei kann man keinem Menschen zumuten. Deshalb hat
Modul-Bus eine Platine entworfen. In Kürze ist der SI4735 dann als
DIL-Modul erhältlich.
26.1.2009
Technik und Kultur
Kultur und Technik, Elektronik und Kunst liegen oft nahe beieinander.
Ich erinnere nur an das Monotrikton.
Und ein Theremin muss ich auch noch mal bauen. Manchmal ist auch ein
Oszillogramm schon ein Kunstwerk. Dieses hier habe ich mit dem
Chaos-Oszillator erzeugt. Die Schaltung
steht in ELO.
Das Chaos,
Oszillogramm von Burkhard Kainka, Januar 2009
Meine Frau organisiert gerade eine Kunstausstellung. Da hab´ ich
sie gefragt: Würde dieses Bild bei dir auch als Kunst durchgehen?
Ja hat sie gesagt. Deshalb werde ich es jetzt
großformatig ausdrucken und voller Stolz neben die Werke der
anderen dort vertretenen Künstler hängen.
Ankündigung der Ausstellung: EssenerKuenstler.pdf
27.12.2008
Das Pappradio ist da!
Kurz vor Weihnachten kam das Pappradio
an. Die ersten Tests mit Winrad zeigen: Es ist ein richtig guter
Empfänger! Auch DRM konnte empfangen werden. Wolfgang Hartmann hat
mich darauf aufmerksam gemacht, dass auch die neue Version von SoDiRa
das Pappradio unterstützt. Hier sein Bericht: Pappradio.pdf
17.12.2008:
Kapazitätsdioden 1SV149
Kapazitätsdioden bis 500 pF sind nicht leicht zu bekommen. Jetzt konnte
AK Modul-Bus die 1SV149
in den Online-Shop aufnehmen. Die Einzeldiode entspricht in ihren Daten
etwa der BB112, drei 1SV149 ersetzen auch eine BB313. Kapazität
bei 1 V: 435 pF bis 540 pF, Kapazität bei 8 V: 19,9 pF bis 30 pF.
Die Diode kann z.B. in einem Preselektor für LMK
verwendet werden.
12.12.2008
Neues zum Elektronik-Adventskalender
In ELO ist der Messtechnik-Kurs
zum Kalender in vollem Gange. Außerdem wurde nun ein Schaltungswettbewerb
ausgerufen. Das Handbuch zum Kalender wurde gerade leicht überarbeitet
und kann als PDF-Datei geladen werden (3199 Booklet.pdf,
3344 KB). Flogni zeigt in seinem Bolg den Aufbau für jeden Tag und hat
wunderschöne Videos in YouTube erstellt: http://flogni.blog.de/2008/12/12/
6.12.2008
Nokolaus-Lötkurs in Essen
Am Nikolaustag gibt es ab 11 Uhr eine Lötaktion Essener
Funkamateure in der Essener Conrad-Filiale. Eingeladen ist jeder im
Alter von 10 bis 110 Jahren. Es soll das Retro-Radio
aufgebaut werden.
Nikolauslöten.pdf
7.11.08: Franzis.de und ELO
Diese Woche gab es eine Server-Umstellung bei franzis.de. In
der
Vergangenheit traten zu besonders aktiven Zeiten lange Wartezeiten auf.
Jetzt ist die Seite viel schneller geworden. Damit kann man
auch viel besser in ELO surfen.
http://www.franzis.de/elo-das-magazin
6.11.2008 Der Elektronik-Kalender
von Conrad
Dieser Kalender mit Elektronik-Bauteilen wurde von Franzis exklusiv
für Conrad entwickelt. Es
handelt sich tatsächlich um ein vollständiges und sehr
preiswertes
Lernpaket mit Grundlagen der Elektronik und 24 kleinen Experimenten.
Ich durfte die Experimente entwickeln und das Handbuch schreiben. Es
war etwas kniffelig, weil hinter jedem Türchen genau ein Bauteil
wartet, das man dann genau für den Versuch des Tages braucht. Aber
die Aufgabe hat viel Spaß gemacht. Und ich glaube, dass über
diesen Weg viele neue Nachwuchs-Elektroniker zu gewinnen sind. In
ELO habe ich einen begleitenden Grundlagenkurs
für den Dezember angekündigt. Da geht es im Schwerpunkt um Fehlersuche
und
Messtechnik.
Bisher lag noch ein Geheimnis über dem Inhalt des Kalenders. Und
wer ihn schon gekauft hat, der öffnet ihn selbstverständlich
erst am 1. Dezember. Nun aber hat Conrad einen Rundbrief verschickt,
der auch die Bauteile zeigt und einen ersten Einblick in das Handbuch
erlaubt. Diesen Rundbrief habe ich hier auf die Homepage gelegt, Name
und Adresse des Empfängers wurden natürlich entfernt.
14.10.2008:
Blitzschaden am SDR
Beim Experimentieren mit dem
Elektor-SDR habe ich ein
Schwingkreis an den hochohmigen Antenneneingang 4 gelegt (Siehe Preselektor).
Es funktionierte zwar
im Prinzip, aber der Schwingkreis war ungewöhnlich stark
gedämpft. Wenn man den
Eingang mit der Software ausgewählt, sollte am Pin 12 des ICs mit
einem hochohmigen
Spannungsmesser ca. 2 V zu messen sein, weil der CMOS-Schalter
über R16 vorgespannt ist. Gemessen wurde allerdings 0 V.
Andere Eingänge zeigten 0 V oder 5 V.
Die Vermutung war also: Der Eingangsmultiplexer 4051 war
beschädigt, statt der guten Isolierund hatten sich interne
Ableitwiderstände gebildet.

Das muss so passiert sein: Bei einem
nahen
Gewitter war die
Antenne noch angeschlossen. Ein Blitz hat nun den CMOS-Baustein
beschädigt, den
Rest des Empfängers aber verschont. Der normale Antenneneingang
mit
Schraubklemmen funktionierte übrigens auch mit dem defekten IC
noch tadellos,
wahrscheinlich weil er durch die Antennenfilter niederohmiger
ist. Nach dem Einsetzen eines neuen IC funktionierten alle
Eingänge wieder korrekt.
4.10.2008
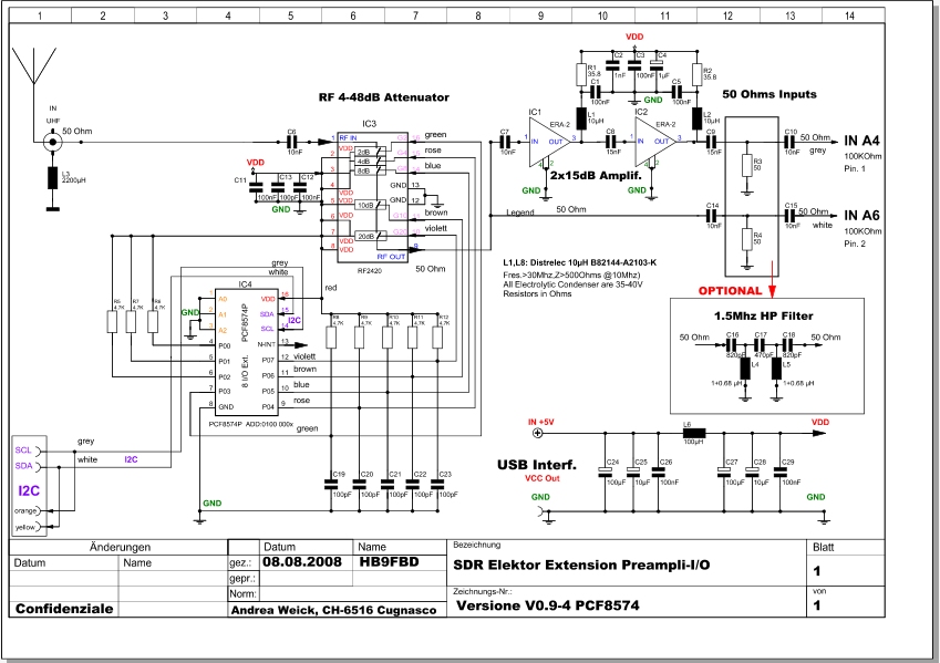
Vorverstärker und Abschwächer für den Elektor-SDR
Andrea, HB9FBD hat einen steuerbaren Vorverstärker und
Abschwächer für den Elektor-SDR entwickelt. Die neue Hardware
wird über den I2C-Bus aus der neuen Winrad-DLL für den
Empfänger angesteuert. Die DLL und den Schaltplan findet man hier:
http://home.gjk4all.net/winrad-dll/
„Im Alter von 10 bis 110
Jahren“
Zuerst hatte ich etwas Probleme, den Schaltplan im XPS-Format
anzusehen. Hier deshalb das Schaltbild in halber Größe.
Insgesamt 30 dB Verstärkung dürften vor allem auf den
höheren Frequenzen sehr nützlich sein. Kann sein, dass ein
schmalbandiger Preselektor die Eigenschaften noch weiter verbessert.
5.9.2008
Bascom-AVR
In Elektor 9/2008 beginnt mein BASCOM-AVR-Kurs
für ATmega-Controller. Gleichzeitig wurde ein neues Elektor-Forum
zum Kurs eingereichtet.
5.9.2009
Ein neues Analog-Interface: AD210
Bei AK Modul-Bus
gibt es ein neues Analoginterface mit zwei analogen Eingängen und
einem PWM-Ausgang. In ELEXS sind dazu zwei Artikel erschienen und
zeigen die Ansteuerung mit Visual
Basic und mit CompactDefinition.
Das Interface verwendet den ATtiny13 und kennt ähnliche Kommandos
wie das Lernpaket-Mikrocontroller, arbeitet jedoch mit
höherer Taktfrequenz und einer Übertragungsrate von 38400
Baud. Es bietet damit zahlreiche zusätzliche Möglichkeiten
wie zusätzliche Ausgänge oder eine schnelle
Oszilloskop-Funktion. Außerdem kann man eigene Software nachladen
und das Gerät autonom betreiben.

Home
Labortagebuch
Röhren
HF
Bastelecke
Logbuch