Der Auslauf-Blinker    

Home   Labor   Röhren   HF   Logbuch   Bastelecke



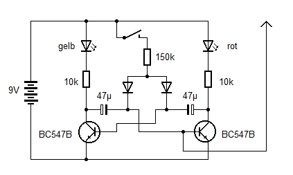
Die Schaltung ist angelehnt an den Bye-Bye-Blinker aus dem Lernpaket Grundschaltungen der Elektronik. Aber diesmal wollte ich es statt der keramischen Kondensatoren mit Aluminium-Elkos versuchen. Außerdem sollte der Blinker mit einem einzelnen Schaltkontakt gestartet werden. Deshalb musste ich noch zwei Dioden einfügen. Und was die Antenne dabei zu tun hat, steht weiter unten.

Die einfache Schaltung habe ich freitragend auf eine alte Batterie gelötet, die ihre treuen Dienste in einem Rauchmelder schon hinter sich hatte. Das ist ohne Hauptschalter möglich, weil die Stromaufnahme schon nach zehn Minuten unter 5 µA sinkt.



Man schließt also  den Schalter und hat dann einen ganz normalen Wechselblinker. Es fällt nur auf, dass die LEDs zwar plötzlich angehen, aber nur  verlangsamt ausgehen. Das liegt daran, dass über die gerade abgeschaltete LED noch der Ladestrom des Elkos fließt.

Wenn man den Taster loslässt, sollte der Blinker eigentlich seine Arbeit einstellen, weil dann der Basis-Ladestrom abgeschaltet ist. Tut er aber nicht, sondern der Zustand wechselt noch einige Male in immer größeren Zeitabständen. Gleichzeitig werden sie LEDs immer schwächer. Dass es überhaupt noch weiter geht, liegt an der dielektrischen Absorption (siehe www.elektronik-labor.de/Labortagebuch/Tagebuch1214.html) in den Kondensatoren. Das wirkt sich so aus, als hätten sie einen Leckstrom, der langsam abklingt. So etwas gibt es bei Elkos und bei keramischen Kondensatoren.



Für diese Messung habe ich zwei keramische Kondensatoren mit 100 nF eingebaut, damit alles etwas schneller läuft. Die Spannung wurde zwischen den beiden Kollektoren gemessen. Man sieht sehr schön, die das Blinken langsamer und schwächer wird. Und immer wenn die Schaltung kurz davor steht, in den anderen Zustand zu kippen, reagiert sie sehr empfindlich auf äußere Einflüsse. Deshalb die Antenne.



Man kann den Zustand nämlich mit einem Piezo-Feuerzeug umschalten. Jedes Zünden bringt einen elektromagnetischen Impuls, der die LEDs aus einer Entfernung von einigen Zentimetern umschalten kann, wenn er zum richtigen Zeitpunkt kommt. Das funktioniert so ähnlich wie bei Uropas Funkensender. Und auch mit statischen Ladungen lässt sich der Zustand ändern. Es hängt etwas von der Art des Bodenbelags und von den Schuhen ab. In meinem Labor reicht es, wenn ich einen Fuß anhebe und dann die Antenne berühre. Fuß hoch - gelb, Fuß runter - rot, und immer so weiter. Ich muss nur lange genug warten, bis der Blinker seine volle Empfindlichkeit erreicht hat.


Rechteckgenerator mit GE-Transistoren ohne Basiswiderstand



Henning Polzer schrieb mir, dass er GE-Dioden in Sperrrichtung als hochohmige Basiswiderstände eingesetzt hat. Die Frequenz eines Generators wird dadurch stark von der Temperatur abhängig, weil der Sperrstrom mit der Temperatur steigt. Da ist mir wieder eingefallen, dass ich mal Schaltungen mit GE-Transistoren ganz ohne Basiswiderstand gesehen habe. Das müsste doch auch bei einem Multivibrator so gehen.



In der Bastelkiste lagen noch zwei AC151. Damit hat es tatsächlich funktioniert. Der Generator arbeitet schon ab einer Spannung von 0,2 V. Bei Spannungen über 3 V steigt die Frequenz mit der Temperatur der Transistoren deutlich an. Mit nur 1,5 V ist dieser Effekt kaum wahrnehmbar. Allerdings sind auch die Kondensatoren temperaturabhängig. Mit der 1,5V-Batterie liegt die Stromaufnahme unter 30 µA. Man hat damit so etwas wie einen ewigen Summer, der leise und stetig vor sich hin tönt.

Nachtrag: Der Kollektorpunkt
Wenn man das Foto genau anschaut, sieht man einen roten Punkt am Gehäuse des linken Transistors, beim rechten ist er verborgen. Ich war davon ausgegangen, dass es der Emitter ist. Das war ein Irrtum. Tatsächlich kennzeichnet der Punkt den Kollektor. Die Schaltung funktioniert also tatsächlich mit vertauschtem Emitter und Kollektor. Die Transistoren arbeiten dann mit geringerer Stromverstärkung. (Siehe Labortagebuch: GE-Transistoren mit vertauschten Anschlüssen)



Home   Labor   Röhren   HF   Logbuch   Bastelecke