Die Braunsche RöhreHome Labor Röhren HF Logbuch Bastelecke
Als Ferdinand Braun seine Elektronenstrahlröhre erfand, konnte er noch nicht wissen, dass ich eine solche geschenkt bekommen würde. Aber schon vor mehr als 100 Jahren hat er die Grundlagen entwickelt, die es möglich machen, daraus heute ein Oszilloskop zu bauen.

Wer eine alte Oszillographenröhre bekommt, möchte sie vielleicht wenigstens einmal ihrem Zweck entsprechend einsetzen. Dazu braucht man eigentlich nur die richtigen Spannungen an den richtigen Anschlüssen. Wo die einzelnen Beschleunigungselektroden und die Ablenkplatten am Sockel zu finden sind, kann man leicht durch einen Blick ins Innere klären. Der Versuch ist also auch dann möglich, wenn wie in diesem Fall keine Typenbezeichnung mehr zu erkennen ist.

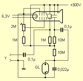
Wenn bekant ist, wo Heizung, Kathode, alle Gitter, die Ablenkplatten und die Anode angeschlossen sind, kann man sich ein Oszilloskop bauen. Die einfachste Schaltung sieht man hier. Y-Eingang über einen Kondensator an einer der beiden Y-Platten, X-Ablenkung mit Glimmröhren-Kippschaltung, Fokusregler, fertig ist der Oszillograph. So ähnlich wird es Herr Braun auch gemacht haben.


Der Ablenkoszillator zeigt seine Tätigkeit durch ein schwaches Flackern der Glimmlampe. Immer wenn der parallele Kondensator sich bis auf die Zündspannung aufgeladen hat, wird er mit einem kurzen Stromstoß entladen. Man erhält so ganz einfach die erforderliche Sägezahnspannung für die X-Ablenkung. Die Betriebsspannung wurde übrigens vom Spannungswandler für das Magische Auge entliehen. 300 V ist nicht viel, sodass man keine große Helligkeit erwarten kann. Ein paar Volt mehr an der Anode wirken hier Wunder, denn original wurden ca. 2 kV verwendet. Der Stahl lässt sich jedoch schon bei einer Betriebsspannung von nur 300 V gut fokussieren.

Jetzt muss man nur noch eine Signalspannung am Y-Eingang anlegen, und schon besinnt sich die Röhre auf den Zweck ihres Daseins. Zugegeben, die Empfindlichkeit, Linearität, Bildgröße, Bandbreite, Triggerung, vieles wäre noch zu verbessern. Aber hier ging es darum, mit dem geringsten Aufwand zum Ziel zu gelangen.

Was im Labor niemals fehlen darf,
ist der Kathodenstrahloszillograph.
(Dietrich Drahtlos)
Nachtrag aus der Sicht eines Dichters:
Der große Dichter Heinz Erhard hat uns die folgenden Verse geschrieben. Die Röhre kannte er vermutlich aus seiner Schulzeit. Sein Physiklehrer mag sich redlich bemüht haben, den Nutzen durch geeignete Versuche exemplarisch darzustellen. Was bei der halb schlafenden Schülerschaft allerdings hängen blieb, war allein die Stimme des Lehrers, deren Schwingungen am Bildschirm sichtbar wurden. Erhards abschätzige Beurteilung übersieht daher die unzähligen weiteren Anwendungen des Oszilloskops und Brauns Vorarbeit für die Entwicklung der Fernsehbildröhre. Man sollte ihm dies jedoch nachsehen, denn dafür waren seine Gedichte wesentlich besser als zum Beispiel die seines technisch versierteren Zeitgenossen Dietrich Drahtlos. Und übrigens: Ferdinand Braun hat auch noch den Kristalldetektor erfunden. Er war also ein Genie sowohl im Bereich der Röhren wie der Halbleitertechnik.
Um zu sehn was man sonst höre,
erfand Herr Braun die Braunsche Röhre.
Wir wären wir ihm noch mehr verbunden,
hätt er was anderes erfunden.
(Heinz Erhard)
Nachtrag: Jean Noerden schickte mir eine andere Interpretation
des Gedichts:
"Ich möchte Ihnen zum Thema Heinz Erhard und die Braunsche Röhre
schreiben, dass H.E. meiner Ansicht nach (wie damals üblich) den
Begriff
Braunsche Röhre als Synonym für das seinerzeit neue Medium Fernsehen
benutzt hat, von dem viele Filmschauspieler wie er nicht besonders
begeistert
waren, überhaupt war es ja üblich, sich negativ über das
Fernsehen und die damit verbunden geglaubte Verblödung zu äußern.
Für unwahrscheinlich halte ich, dass er etwas gegen das Bauteil an
sich hatte."
Home Labor Röhren HF Logbuch Bastelecke