Röhren-Projekte von 6 bis 60 VoltFAQ, Berichtigungen, Ergänzungen
Frage: Ist der EL84-Kopfhörerverstärker in Kap. 5 identisch mit der Schaltung in Elektor 11/2003?
Antwort: Nicht ganz, die Ausgangsschaltung wurde im Elektor-Labor verändert. Die Schaltung im Buch legt den Ausgangsübertrager ganz klassisch in der Anodenleitung. In der Zeitschrift wurde jedoch ein 1-k-Anodenwiderstand verwendet und der Übertrager über einen Elko Gleichstrom-frei angekoppelt. Zusätzlich wurde eine Drossel mit 300 mH zur Frequenzkorrektur eingesetzt. Diese Maßnahmen brachten einen glatteren Frequenzgang, dafür aber auch geringere Ausgangsleistungsreserven. Außerdem wird der Kopfhörer nicht mehr hochohmig angesteuert sondern stark bedämpft. Die Platine kann aber mit geringem Aufwand auch für die ursprüngliche Schaltung verwendet werden. Ein Versuch lohnt sich jedenfalls. Der Klang wird natürlich von jedem anders beurteilt. Falls jemand beide Varianten ausprobiert, würde ich mich über eine Rückmeldung freuen.

Eine Rückmeldung von Frank Haverkamp:
Ich habe zuerst die Schaltung nach dem leicht modifizierten Schaltplan von Elektor 11/2003 aufgebaut. Da ich leider keinen 600 Ohm Kopfhörer zur Verfuegung hatte, habe ich meine Tests mit zwei 32 Ohm Kopfhörern gemacht (ein günstiger und ein qualtitativ besserer). Ich fand, dass hierbei beide Anschlüsse in etwa gleich laut waren, und der Anschluss mit Kondensator-Kopplung den besseren Klang hatte. Ich hatte erwartet, dass der Anschluss mit den Übertragern lauter wäre, habe meinen Nachbau nochmals überprüft, aber keine Fehler gefunden. Durch den Kommentar auf dieser Seite angeregt, habe ich die Schaltung auf den Original-Schaltplan umgestellt. Die Lautstärke am Ausgang der Übertrager ist nun deutlich lauter als beim Elektor-Vorschlag. Klanglich ist immer noch ein kleiner Vorteil bei der Kondensator-Kopplung. Da die Elektor-Modifikation mir weder klanglich noch durch Lautstärke einen Vorteil brachte, werde ich die Schaltung jetzt so belassen.
Aufbau von Florian Stäheli:
"Das erste Projekt, das ich mir vorgenommen hatte ist nun beendet, nämlich den Kopfhörerverstärker mit der EL84. Nach dem Probeaufbau war ich so erstaunt vom Resultat, dass ich ihm einen etwas besseren Kohle-Audio-Poti eingebaut und dann ein Gehäuse darum gebastelt hab. Er klingt wirklich hervorragend gut!"

Frage: Bei der Gegentaktendstufe EL34 auf Seite 101 ist die HF-Drossel nicht gekennzeichnet. Wie muss sie gewickelt werden?
Antwort: Die Drosseln sind ganz unkritisch, weil sie nur eine Dämpfung im Bereich um 100 MHz bewirken sollen. 3 bis 10 Windungen auf einen 1-Watt-Widerstand sind ok, wie man es auch beim Verstärker mit der EL504 sehen kann.

Berichtigung: Auf S. 61 wurden in der Kennlinie einer ECC81 bei Ua=12V die Achsenbeschriftungen vertauscht. Hier das berichtigte Diagramm:

Nachtrag: Zum 0V2-Empfänger nach Kap. 9.5 findet man jetzt in der Bastelecke weitere Bilder (Pentodenaudion). Inzwischen habe ich eine weitere Pentode in der Audionschaltung ausprobiert: Die EL95 erreicht mit nur 6 V an der Anode bereits ähnlich gute Ergebnisse wie die russische 12J1L bei 18 V. Man braucht also nur noch 6V/0,2A für Heizung und Anodenspannung, ideal für einen kleinen Kurzwellenempfänger mit Kopfhörer. Siehe auch: Das DRM-Audion
Frage: Wie schließt man die russischer Batterieröhren korrekt an?
Anwort: Es ist tatsächlich schwierig, das Sockelschaltild richtig zu deuten. Außerden gab es anscheinend leichte Unterschiede in der Produktion. Die Röhren haben einen Markierungspunkt am Pin 1, das entspricht bei den verwendeten Typen immer dem +f-Abschluss. Aber leider ist die Position des Punkts nicht sehr genau. Es wird daher empfohlen, zuerst die Position der Heizanschlüsse mit dem Ohmmeter zu suchen. Damit ist einer eindeutiger Bezugspunkt gefunden.

Inzwischen wuirde noch folgende Erfahrung gemacht: Die Röhren mit doppeltem Heizfaden sollten besser nicht in Reihenschaltung mit 2,4 V geheizt werden, wenn es auf beste Steilheit ankommt. Einer der beiden Fäden liegt sonst nämlich hoch, wordurch eine Hälfte der Röhre praktisch gesperrt ist. Anodenstrom und Steilheit sind fast nur noch halb so groß, wenn man mit 2,4 V heizt.Also besser doch 1,2 V und dafür mehr Heizstrom.


Berichtigung zum Gegentaktverstärker auf S. 101:
Die Gegenkoppelwiderstände an den OPVs beider Kanäle wurden versehentlich mit unterschiedlichen Werten (220 k und 330 k) beschriftet. Sie sollen gleich sein, also beide mit 220 k.
Nachtrag: Eine Röhre aus Japan
Andere Mütter haben auch schöne Töchter, und andere Länder haben ebenfalls schicke Röhren. Olaf war in Japan und hat mir eine Mini-Röhre von Toshiba mitgebracht. Den Namen kann ich nicht lesen, außer die englische Bezeichnung der japanischen Beschriftung soll SH01 heißen. Die Röhre ist extrem zierlich, noch kleiner als eine EC92. Es ist eine indirekt mit 6,3 V/<0,2 A beheizte Pentode mit erstaunlich großem Anodenblech. Und trotzdem konnte ich ganz hervorragende Daten bei kleinen Anodenspannungen messen. Bei Rg=10k und Ua= 6V: Ia=0,1 mA, S= 0,8 mA/V, bei Ua=12V: Ia=0,4 mA, S=2mA/V!!! Auf der Röhre steht noch Hi-S, zu Recht! Ich kann nur raten, vielleicht war das eine Spezialröhre für Breitbandverstärker in Oszillographen der Unbezahlbaren Klasse. Jedenfalls eine ideale Röhre für Versuche mit kleiner Anodenspannung.

Nur einen Tag später weiß ich mehr, denn wenn man mal eine Information über Röhren braucht, muss man nur in Jogis Röhrenforum fragen. Die Röhre entspricht der EF95, die ich leider bisher noch niemals gesehen hatte. Laut Funkschau wurde der Original-Typ, die 5654, "für Luft- und Raumfahrt ohne Rücksicht auf die Kosten gefertigt". In Russland gab es die kompatible 6Sh1P, also praktisch die 6Sh1L mit Miniatursockel. Die elektrischen Daten entsprechen bis auf die Heizspannung der 12Sh1L (L für Loctal), die sich ja schon in meinem Pentoden-Audion bewährt hat. Jetzt geht mir auch ein Licht auf, was die ähnlichen Daten angeht. Die EF95 ist auch eine sehr gute NF-Röhre und wurde u.a. in Telefunken-Equipment für Rundfunkstudios eingesetzt. Die selbe Röhre wurde von andern Firmen als 5654, 6AK5W und M8100 gebaut. So klein ist die Welt, da musste Olaf erst nach Japan fliegen, damit ich hier die EF95 entdecke!
Siehe auch:
EF95 und 6SH1P im NF-Einsatz
bei Michael Gaedtke
Röhrenversuche mit der EF95 in ELEXS: www.elexs.de/ef951.htm
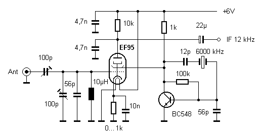
So eine schöne Röhre, da muss doch gleich mal etwas gebaut werden! Wo kann eine Pentode ihre Stärken unter Beweis stellen? Ein Punkt wäre die Großsignalfestigkeit in HF-Verstärkern und Mischern. Deshalb habe ich einen kleinen Hybrid-DRM-Empfänger gebaut. Die japanische EF95 dient als Mischer mit Zuführung der Oszillatorspannung am Schirmgitter. Ein einzelner Transistor wird nur für den Quarzoszillator gebracht. Das ganze läuft komplett (wie könnte es anders sein...) mit 6 V. Und tatsächlich, der Empfänger erreicht einen DRM-Störabstand bis 24 dB. Die Röhre kann also mit einem integrierten Mischer NE612 mithalten.

Die Schaltung ist für DRM RTL 2 auf 5990 kHz ausgelegt. Hier kann man einen preiswerten 6-MHz-Quarz einsetzen. Die Stabilität ist kein Problem, deshalb wurden die Bauteile einfach an die Fassung gelötet. Der Eingangskreis ist mit einer Festinduktivität aufgebaut. Zwei Trimmer ermöglichen die optimale Antennenanpassung. Wie gesagt, die Röhre kommt auch mit großen Eingangssignalen klar. Über den Kathodenwiderstand wird der Arbeitspunkt eingestellt. Mit einem größeren Widerstand erhält man mehr Gittervorspannung und einen größeren Eingangswiderstand. Aber auch eine driekte Verbindung mit Masse brachte schon gute Ergebnisse.

Die Empfangsergebnisse sind für einen Direktmischer gut. Heute Vormittag konnte ich stundenlang ungestört RTL-2 auf Französisch hören. Das Projekt eignet sich auch für DRM-Einsteiger. Weil man nicht erst kniffelig die Frequenz einstellen muss wie beim Mittelwellen-DRM-Empfänger mit Batterieröhren, braucht man nicht mehr als eine genügend lange Antenne und natürlich die Decodersoftware, z.B. DREAM. Das Ergebnis ist m.E. besser als mit der vergleichbaren Transistorschaltung in der Bastelecke.
Nachtrag: Harald Herchet (DH8HHA) hat es nachgebaut. "Diese schöne Schaltung funktionierte auf Anhieb einwandfrei. Ich konnte mit 3 verschiedenen Standartquarzen, jeweils die DW Julich 4 MHz (3995KHz), RTL DRM 6 MHz (5995 KHz), DW Wertachtal 6.144 MHz (6140 KHz) über mehre Stunden störungsfrei empfangen."

Anwendung: Die Stahlröhre ECF12
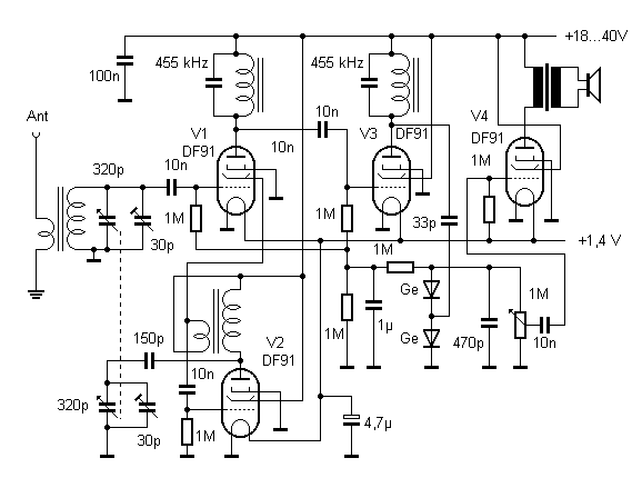
Von Jochen habe ich einige ca. 60 bis 70 Jahre alte Stahlröhren bekommen, darunter auch die ECF12, gleich mit Sockel und kleinem Chassis. Da musste gleich mal probiert werden, ob solche Röhren auch mit kleinen Spannungen auskommen. Die folgenden Bilder zeigen ein kleines Kurzwellenradio mit der ECF12, das tatsächlich schon mit einer Anodenspannung von 6 V auskommt. Allerdings ist es mit 24 V erheblich lauter.

Wie eine Stahlröhre innen aufgebaut ist, sieht man in Jogis Röhrenbude.
Die Triode wurde als Audion ohne Rückkopplung eingesetzt, die Pentode als NF-Verstärker für den direkten Anschluss eines hochohmigen Kopfhörers mit 2 mal 600 Ohm. Das Radio ist zwar nicht sehr selektiv, aber an einer langen Antenne und mit 24 V sehr laut. Genau was ich vermutet hatte: Fast jede Röhre funktioniert mit kleiner Anodenspannung, man muss es nur probieren.

Die ECF12 ist sicherlich sehr selten. Vermutlich kann man die Schaltung aber genauso mit vielen anderen Röhren der Art ECF, PCF, ECL und PCL aufbauen. Probieren lohnt sich. Man kann z.B. andere Widerstände versuchen. Dass es mit einer Röhre absolut gar nicht geht, ist eher unwahrscheinlich.

Reinhard Stenzel hat diese Schaltung verbessert und erweitert:
www.reinhard-stenzel.de
Seine Anmerkungen zur ECF12: Sicher gab es Mitte
bis Ende der 30er
schon Stahlröhren (ECH11, DL11, UF11 etc.), aber noch nicht
die ECF12.
Die entstand erst nach dem Krieg und ist den Einschränkungen
der Allierten
zu verdanken, die das geschlagene Deutschland mir zu wenig Mittelwellen
/ Langwellenfrequenzen für Großsender bedachte.
Damals wurde
aus diesem Grunde das in der Welt am weitesten ausgebaute UKW-Netz
gegründet.
Da in Deutschland noch keine Miniaturröhren (Rimlock etc.)
produziert
wurden, aber die Stahlröhrenproduktion noch in vollem Gange
war, wurde
die für hohe Frequenzen taugliche ECF12 entwickelt und
produziert.
Sie ist als einzige Stahlröhre im Bereich zwischen der
schwarzen Kappe
und der Stiftplatte rundum versilbert. In den UKW-Pendelaudions wurde
über
die Röhre eine große Messing-Überwurfmutter
gestülpt
und mit einem Gewinde um die Röhrenfassung verschraubt
(bessere HF-Erdung).
Gegentaktverstärker mit der PL504
Sascha Neuschl schickte mir dieses Foto zu einem Projekt aus dem Buch:"Vorletztes Jahr lief mir Ihr Buch über den Weg. Daraus habe ich nun den Gegentaktverstärker mit der PL504 aufgebaut. Ich habe ihm die Gleichspannungsansteuerung aus der Schaltung mit der EL34 gegeben. Die (Klang) Ergebnisse waren klasse. Ist wirklich ein nettes Projekt gewesen!"



Antwort: Das rote Leuchten ist nur der Widerschein der glühenden Kathode. Leider ist bei einer Betriebsspannung von 12 V noch keine echte Funktion zu erreichen. Der Leuchtstoff gibt erst merklich Licht ab, wenn die Elektronen eine ausreichend hohe Energie von ca. 250 eV aufweisen. Eigentlich schade, fast alles kann man auch bei kleiner Anodenspannung machen, nur das Magische Auge besteht auf ca. 250 V. Man könnte einen Spannungswandler dazu einsetzen wie in der Bastelecke (Das magische Auge).


Ich habe mich am UKW Pendelaudion versucht. Im Probeaufbau konnte ich mit etwas Mühe einige Sender empfangen. Das Ausgangssignal wurde über einen 1,2-k-Widerstand und einem Kondensator ausgekoppelt und dann auf meinen ersten Röhrenvollverstärkermit ECL86 gegeben.


www.youtube.com/watch?v=eDYdeTsxtIw